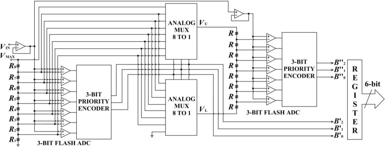
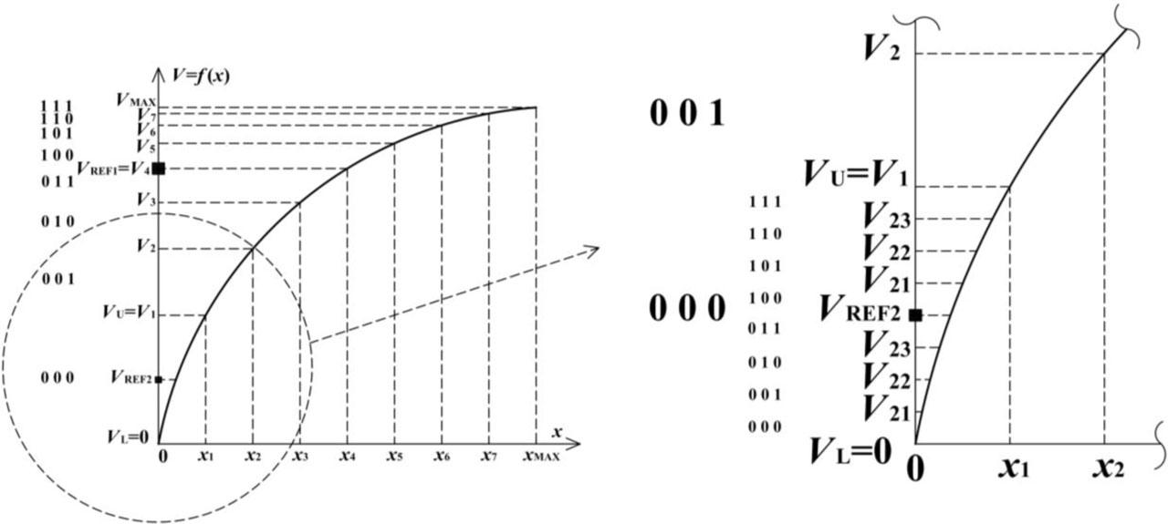
Fig. 1.

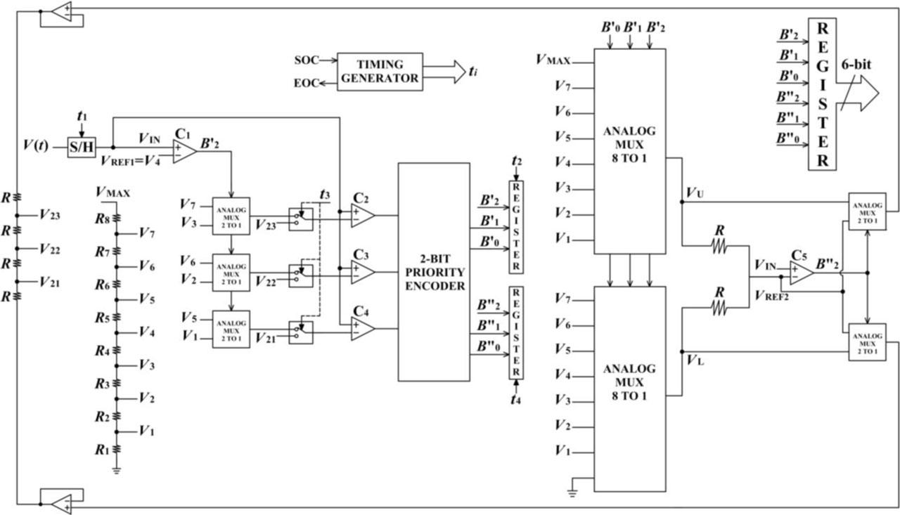
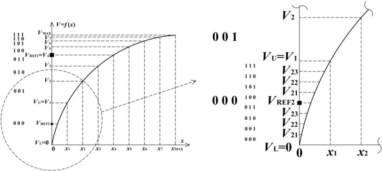
Fig. 2.

Fig. 3.

Numerical values of key parameters for various total resolution values n_
| n | Nt | Np | nct | nrt | ncp | nrp | δc [%] | δr [%] |
|---|---|---|---|---|---|---|---|---|
| 6 | 3 | 2 | 14 | 16 | 5 | 14 | 64.2857 | 12.5000 |
| 8 | 4 | 3 | 30 | 32 | 9 | 26 | 70.0000 | 18.7500 |
| 10 | 5 | 4 | 62 | 64 | 17 | 50 | 72.5806 | 21.8750 |
| 12 | 6 | 5 | 126 | 128 | 33 | 98 | 73.8095 | 23.4375 |
| 14 | 7 | 6 | 254 | 256 | 65 | 194 | 74.4094 | 24.2187 |
| 16 | 8 | 7 | 510 | 512 | 129 | 386 | 74.7059 | 24.6094 |
| 18 | 9 | 8 | 1022 | 1024 | 257 | 770 | 74.8532 | 24.8047 |
| 20 | 10 | 9 | 2046 | 2048 | 513 | 1538 | 74.9267 | 24.9023 |
| 22 | 11 | 10 | 4094 | 4096 | 1025 | 3074 | 74.9634 | 24.9512 |
| 24 | 12 | 11 | 8190 | 8192 | 2049 | 6146 | 74.9817 | 24.9756 |
| 26 | 13 | 12 | 16382 | 16384 | 4097 | 12290 | 74.9908 | 24.9878 |
| 28 | 14 | 13 | 32766 | 32768 | 8193 | 24578 | 74.9954 | 24.9939 |
| 30 | 15 | 14 | 65534 | 65536 | 16385 | 49154 | 74.9977 | 24.9969 |
| 32 | 16 | 15 | 131070 | 131072 | 32769 | 98306 | 74.9989 | 24.9985 |