Control methods have been developed to stabilize practical systems. The control problems include regulation (stabilization), tracking, and path following. Linear quadratic regulation (LQR), (Proportional Integral Derivative) PID, and model predictive control (MPC) are the most popular control methods. These methods have some advantages and some disadvantages. One of the most essential parameters in control systems is defining the settling time and settling point. Some algorithms are developed to predict, determine, and calculate the settling time or settling point [1–4]. The predefined time algorithms can provide the upper bound of the settling (stabilization) time before applying the control signal to the system [5–9]. But no method provides a way to define the settling time and settling point simultaneously and determining the accurate settling time is another challenge.
Tuning the control parameters is another challenge in control systems. The control parameters should be tuned to satisfy the control goals. The PID controller is one of the most common control methods, but it has a tuning control parameters problem. There are some methods outlined in the literature that solve this problem [10–14]. Another issue in PID that the user cannot define the settling time and be sure that the system’s output will reach the settling is point at the predefined settling time. The LQR technique provides an optimal solution by tuning the control parameters. However, the settling time of the controlled system remains an open research challenge.
A self-tuning control (STC) approach has been defined as a method that predicts/adjusts control parameters. These methods are known as “parameter tuners.” The parameter tuners are of two types: offline and online [15–17]. The main contribution of the parameter tuners is increasing the control performance. In some cases, the parameter tuners are the main part of the control method within the control system. In these cases, the control method is called an STC method. One of the challenges in the STC methods is the system’s stability. In the parameter tuners, the system’s stability is not a problem, since the system’s stability should be guaranteed by the main control method. Fuzzy logic is one of the most common methods used to design the controllers as the parameter tuner [18]. The main controller in this study is a nonsingular PID finite-time sliding mode control (FSMC). The FSMC guarantees system stability, and the fuzzy logic system tunes the control parameters. In other studies [18–20], fuzzy logic is used as the tuner, and the main controller is PID. In studies [21–24], other types of tuners have been introduced to adjust the control parameters, which can be categorized as STC methods. These works have developed relay feedback systems for parameter tuning.
The settling time is an important parameter in the performance of a system. Different stabilization methods can guarantee various settling times [25–30]. An asymptotic stabilization method requires an infinite amount of time to guarantee stability. However, a finite-time method provides stability with a limited upper-bound settling time [31]. Fixed-time stabilization methods are terminal methods that provide an upper bound on the settling time, independent of the system’s initial condition [32, 33]. Predefined-time stabilization methods provide fixed-timestability, where the settling time is a controller parameter [34]. Preselected-time control is defined as a method where the settling time is chosen in advance, ensuring that the system’s state reaches the preselected-state at the exact time. The time selected in the preselected-time approach can be considered the settling time when the preselected state (point) is chosen to be very close to zero.
In most cases in control systems, it is necessary to know/define the settling point and settling time together. Some studies have been published that present ways of calculating, determining, and defining the settling time and settling point separately, but defining the settling time and settling point together is an excellent feature for users. In this study, an STC method will be designed to tune the control parameter of the scalar systems. The proposed STC method provides the possibility of defining the settling point and settling time simultaneously. The Hamiltonian conditions will be used to prove the optimality of the method. The features of the proposed STC method are as follows:
- -
It is possible to select the settling point (preselected state) and settling time (preselected time) simultaneously.
- -
It uses a Lyapunov-based stabilization method.
- -
It is a practicable method that can be used in different applications.
- -
The proposed STC method provides an optimal solution for single-input single-output (SISO) linear (scalar) systems.
- -
It is a linear predefined-time solution for linear systems.
- -
It provides four possible scenarios.
- -
It can be updated for the tracking problem and (Multi-Input Multi-Output) MIMO systems.
- -
It provides an exponential solution without any unwanted overshoot and lower shoot for scalar systems where y = x.
A suitable controller for practical systems should have the following features.
Consider the following SISO linear scalar system:
In practical and controllable systems, the system’s parameter b is not equal to 0.
The STC will guarantee that the system’s state reaches a specific point at a predefined time, which will be selected by the system’s user. This specific point and predefined time will be chosen simultaneously. Also, the solution will be optimal, which is proven by the Hamiltonian equations. The nonoptimal solution of the STC was published in [17] as an offline self-tuning controller (OSTC).
In OSTC, two performance criteria [integral of absolute error (IAE) and integral time absolute error (ITAE)] are considered for preparing some formulas to use in tuning the control parameters. In the OSTC method, some rules are predefined, and the control parameters are tuned accordingly before applying the controller to the system. However, in STC (online) methods, the control parameters are adjusted dynamically while controlling the system.
In this paper, the Hamiltonian equations will be used to design the optimal solution of the controller. Considering the system (1) and the following cost function:
The STC control input will be designed by using Hamiltonian conditions.
Considering the SISO scalar linear system of Equation (1) and the cost function of Equation (2), in order to have an optimal self-tuning solution for these conditions, the following equation is used:

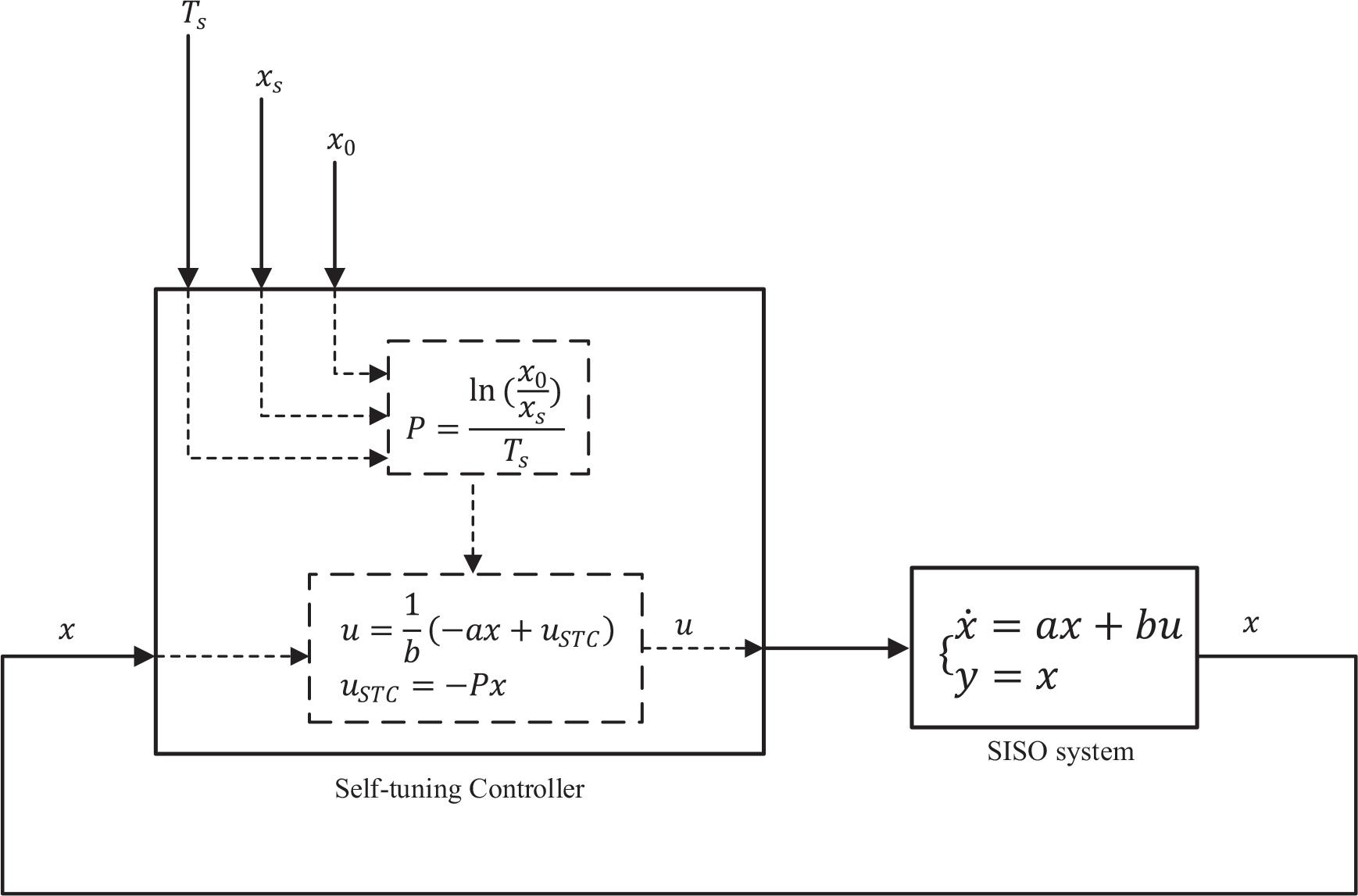
Block diagram of the STC method
The concept of the STC method is that the user can choose the settling point (position) and settling time together. This is one of the greatest advantages of this method.
A settling point is a value with the same sign as the initial condition, less than a positive initial condition, and greater than a negative initial condition. This fact causes the system not to have any unwanted overshoot or lower shoot.
The scalar linear system (1) will be stabilized as an optimal solution considering the cost function (2) by the self-tuning controller (5).
The cost function of Equation (2) can be written as
The Hamiltonian equation of system (1) and the cost function (6) is as follows:
The Hamiltonian conditions of Equation (7) can be written as
These conditions can be simplified as follows:
As
After a simplification,
The STC parameter will be achieved as follows:
As defined previously, the STC parameter is equal to
This result is the self-tuning tool that allows us to define different scenarios. These scenarios will be discussed in the next section.
The Lyapunov theory is employed to prove the stability of the self-tuning controller. The following Lyapunov function can be defined:
After applying the control input to the system, we have the following:
To prove the fact that the self-tuning controller guarantees that the chosen settling point will be reached at the predefined settling time, we can solve the system’s differential equation as follows:
Therefore, theorem 1 is proven, and the settling point will be reached at the settling time by applying the STC control signal to the system.
The controlled system’s response is x(t) = x0e−Pt, which exhibits exponential behavior and ensures stability, as limt→∞ x = 0.
Relations in Equation (18) show the relationship between the prede^ined settling time, settling point, and STC parameter. These relations can be used to calculate the proper values of the parameters by de^ining (selecting) two other parameters.
As evident in Equation (18), the system’s state and control signal of the STC method will change exponentially. It is provable that for every STC solution of the SISO linear system, there is an optimal solution with a speci^ied cost function. By the terms of Equation (15), the weight parameters of the speci^ied cost function can be calculated.
The presented STC method can be extended to MIMO linear systems by decoupling the first-order SISO subsystems as follows:
Considering Equation (15), four scenarios can be envisioned for the proposed STC method. In this section, these scenarios will be discussed.
The main goal of the STC method is that the settling point (xs) and predefined settling time (Ts) occur simultaneously.
In the first scenario, the user should select the settling point, settling time, and weight parameter R in the cost function; then the STC will calculate the control parameter P and the weight parameter of Q.
The second scenario is similar to the first one, but in this scenario, the weight parameter Q should be selected by the user, and R and P will be calculated by the STC.
In general, the weight parameters of the cost function can be positive or negative, but in most cases, a positive value for these parameters is required. In order to have positive values of the weigh parameters (Q and R) in the first and second scenarios, one of the following conditions is necessary:
In this scenario, the weight parameters of the cost function Q and R and the settling point xs should be defined by the user, and the settling time Ts and control parameter f will be calculated by the STC. In this scenario, the weight parameters should be positive.
This scenario is similar to the third scenario, but in this scenario, the settling time and weight parameters should be selected, and the control parameter and settling point will be calculated.
In all scenarios, the control parameter will be calculated by the defined condition (other parameters); then the control parameter will be applied to the system (1). In the previous section, the system stability of the STC method was proven.
In this section, three practices will be defined and simulated for every scenario. First, it is necessary to determine the system’s parameters and the desired parameters; then the STC will calculate the rest of the parameters and the value of the cost function.
MATLAB software has been used to simulate the scenarios with the ode4 solver, and the step time equals 0.01. The calculations have been done up to two decimal places.
For all practices, the values of the cost functions for the STC, LQR, and proportional (P) controllers are presented, and the results are compared with those of the LQR and P controllers tuned using the PID block in Simulink/MATLAB. It is expected that the comparison results for the STC and LQR will be the same.
The determined scalar linear system is as follows:
Three practices are defined to test the proposed STC algorithm. The simulation results are presented in Table 1. Figures 2, 3, and 4 show the simulation results of the different practices. In the figures, the selected settling point and settling time are shown. The P controller has been tuned using the PID block Simulink/MATLAB. The P controller is tuned as uPID = Kpx, where Kp = 15.3191 for this scenario.

Simulation results of the first practice of the first scenario

Simulation results of the second practice of the first scenario

Simulation results of the third practice of the first scenario
Parameters in different practices of the first scenario
| Practices | Parameters Selected by the User | Parameters Calculated by the STC Method | Calculated Values of the Cost Functions | |||||
|---|---|---|---|---|---|---|---|---|
| xs | Ts | R | Q | P | JSTC | JLQR | JPID | |
| 1st | 8 | 0.1 | 10 | 13268.90 | 22.31 | 5.11 × 104 | 5.11 × 104 | 5.70 × 104 |
| 2nd | 0.5 | 0.5 | 1 | 43.47 | 5.991 | 428.9 | 428.9 | 1015.8 |
| 3rd | 0.01 | 1 | 0.1 | 7.63 | 6.908 | 68.08 | 68.08 | 113.57 |
The determined scalar linear system for the second scenario is as follows:
The simulation results of the second scenario are presented in Table 2. Figures 5, 6, and 7 show the simulation results of the different practices. In the figures, the selected settling point and settling time are shown.

Simulation results of the first practice of the second scenario

Simulation results of the second practice of the second scenario

Simulation results of the third practice of the second scenario
Parameters in different practices of the second scenario
| Practices | Parameters Selected by the User | Parameters Calculated by the STC Method | Calculated Values of the Cost Functions | |||||
|---|---|---|---|---|---|---|---|---|
| xs | Ts | Q | R | P | JSTC | JLQR | JPID | |
| 1st | –1 | 2 | 8.093 | 0.5 | 0.8047 | 263.9 | 263.9 | 513.41 |
| 2nd | –4 | 0.02 | 311206.2 | 100 | 11.16 | 720678.15 | 720678.15 | 1366900 |
| 3rd | –0.01 | 1.5 | 4.291 | 0.01 | 4.143 | 26.53 | 26.53 | 27.1698 |
The P controller has been tuned using the PID block Simulink/MATLAB. The P controller is tuned as uPID = –Kpx, where Kp = 15.3191 for this scenario.
The selected scalar linear system for this scenario is as follows:
The simulation results are presented in Table 3. Figures 8, 9, and 10 show the simulation results of the different practices. In the figures, the selected settling point and settling time are shown. The P controller has been tuned using the PID block Simulink/MATLAB. The P controller is tuned as uPID = –Kpx, where Kp = 15.3191 for this scenario.

Simulation results of the first practice of the third scenario

Simulation results of the second practice of the third scenario

Simulation results of the third practice of the third scenario
Parameters in different practices of the third scenario
| Practices | Parameters Selected by the User | Parameters Calculated by the STC Method | Calculated Values of the Cost Functions | |||||
|---|---|---|---|---|---|---|---|---|
| xs | Q | R | Ts | P | JSTC | JLQR | JPID | |
| 1st | 0.5 | 1 | 1 | 0.40 | 2.6 | 0.8997 | 0.8997 | 6.6644 |
| 2nd | 0.01 | 4 | 0.2 | 0.42 | 11.63 | 0.8022 | 0.8022 | 1.4403 |
| 3rd | 1 | 0.04 | 0.2 | 0.35 | 1.163 | 0.08111 | 0.08111 | 1.3284 |
The determined scalar linear system for the fourth scenario is as follows:
The simulation results are presented in Table 4. Figures 11, 12, and 13 show the simulation results of the different practices. In the figures, the selected settling point and settling time are shown. The P controller has been tuned using the PID block Simulink/MATLAB. The P controller is tuned as uPID = –Kpx, where Kp = –0.3404252 for this scenario.

Simulation results of the first practice of the fourth scenario

Simulation results of the second practice of the fourth scenario

Simulation results of the third practice of the fourth scenario
Parameters in different practices of the fourth scenario
| Practices | Parameters Selected by the User | Parameters Calculated by the STC Method | Calculated Values of the Cost Functions | |||||
|---|---|---|---|---|---|---|---|---|
| Q | R | Ts | xs | P | JSTC | JLQR | JPID | |
| 1st | 4 | 2 | 3 | –0.23 | 0.8544 | 38.39 | 38.39 | 62.4464 |
| 2nd | 0.01 | 60 | 10 | –1.1 | 0.1003 | 0.4563 | 0.4563 | 102.9896 |
| 3rd | 1 | 1 | 0.01 | –2.982 | 0.6083 | 13.05 | 13.05 | 16.4667 |
For the four possible scenarios, three practices are defined and tested under various conditions. In all practices across all scenarios, the selected or calculated settling time and settling point are accurately achieved. The STC is compared with the LQR and P controllers, and the cost function calculations indicate that the STC achieves the same optimal results as the LQR while performing significantly better than the P controller.
This paper presents a new control strategy named a self-tuning controller. The proposed STC can stabilize the scalar linear system. This method can be updated for MIMO linear systems. The simulation results show the power of the proposed method. The STC is compared with the LQR method, and the results demonstrate that STC provides an optimal solution for the system. Also, it can control the system to reach the settling point at the predefined settling time. Future works can focus on developing a MATLAB toolbox for the STC method and developing the STC for MIMO systems and tracking problems.
