Dual motor synchronization control technology is widely used in textile processing, printing and packaging, cable production and paper and other fields, in which the winding take-up system is particularly stringent synchronization control accuracy requirements [1]. The precision of motor synchronization control is directly related to the stability of the winding tension, the neatness of the winding product and the quality of the final product. In the actual production process, due to load disturbance, system parameter changes and mechanical transmission errors and other factors, the traditional control method is difficult to ensure that the traction motor and take-up motor synchronization, which leads to tension fluctuations, product quality degradation, and even cause equipment failure [2].
Proportional-integral-derivative (PID) control, master-slave control and other methods commonly used in the industry, although the structure is simple, easy to realize the advantages, but in the face of complex working conditions, nonlinear disturbances and high-speed dynamic changes in the face of the obvious shortcomings [3–5]. Master-slave control depends on the rigid speed relationship, the lack of flexible adaptive adjustment ability, while the traditional PID control is overly dependent on the tension sensor feedback signal, the sensor itself exists in the precision error and signal lag further aggravate the system oscillation and control instability [6]. Therefore, for the special working conditions of high-speed precision winding, there is an urgent need for an advanced synchronous control method that does not need to directly rely on the feedback from the tension sensor, and at the same time has both fast dynamic response and robustness.
In order to solve the above problems, this paper proposes a fuzzy adaptive PID-based synchronous control strategy for dual-motor deviation coupling. By introducing a real-time feedback mechanism of the pendulum angle, and taking the pendulum deflection angle and its rate of change as inputs, a fuzzy adaptive algorithm is used to dynamically adjust the PID parameters, correct the speed difference between the motors in real time, and realize the fast and accurate compensation of the system synchronization error. This method effectively improves the dynamic response characteristics of the winding and take-up system, improves the anti-interference ability and synchronization control accuracy of the system, and meets the strict requirements of constant tension control in actual production.
The take-up system studied in this paper is mainly composed of traction motor, take-up motor and gravity adjustment pendulum, the structure sketch shown in Figure 1. Among them, the traction motor is responsible for pulling the wire forward at a constant speed, the take-up motor ensures that the wire is stably and neatly wound onto the reel by controlling the rotational speed, and the gravity pendulum is used to set and adjust the initial tension of the take-up.

Schematic Diagram of the Mechanism
According to the sketch it can be seen that the gravitational moment generated by the traveler code and the gravitational moment of the pendulum itself can be expressed as:
The moment of inertia is satisfied when angular acceleration exists in the system:
According to the principle of moment equilibrium, the system satisfies:
The collapsing simplification yields the expression for the tension T as:
It can be seen that the size of the tension is related to the position of the traveler code and geometric parameters, so by adjusting the position of the traveler code Lw can change the size of the tension, so as to realize the accurate setting of the initial tension. When the system is in the process of dynamic change (θ ≠ 0, α ≠ 0), the pendulum deviates from the horizontal position offset angle and angular acceleration will generate dynamic errors in tension, resulting in the system's nonlinear and time-varying characteristics. It can be seen that the system lacks adaptive adjustment ability in the structural design, and the traditional motor synchronization control strategy is difficult to cope with the rapid change of the error [7].
In order to solve the above problems and make the control system adaptive, this paper proposes a fuzzy adaptive dual-motor deviation coupling synchronous control system based on fuzzy adaptive. Through the real-time feedback of the deflection angle of the back end of the pendulum, and the mathematical model of the pendulum deflection angle and the motor speed difference is constructed. Combined with the fuzzy adaptive control generates a new adjusted speed difference to restore the pendulum to the horizontal position. The fuzzy adaptive PID controller combines fuzzy rules and adaptive adjustment, which can effectively deal with the nonlinear, time-varying and strong coupling characteristics of the system, improve the dynamic response capability and robustness of the system, and ensure the stable and efficient operation of the system in complex environments.
The core of this control system is to realize efficient synchronization of traction motor and take-up motor through deviation coupling control strategy to ensure constant tension; the two motors can respond to the speed difference independently and recover synchronization quickly, reflecting the independence and coupling characteristics between motors.
Deviation coupling control is suitable for multimotor control scenarios. The method through the speed compensator, according to the motor speed difference and rotational inertia ratio to calculate the compensation value, to make up for the rotational inertia difference caused by the speed error, so as to improve the synchronization performance of the system [8]. Figure 2 shows the structure of the deviation coupling control speed compensator.

Deviation Coupling Control Structure Diagram
In order to improve the accuracy of motor synchronization control, this paper introduces a real-time radius proportion adjustment mechanism on the basis of the deviation coupling control structure, which dynamically corrects the speed proportion of the two motors according to the actual radius of the take-up and pay-off motors to achieve the synchronization of line speed [9]. At the same time, for the traditional deviation coupling method using a fixed compensation value is difficult to adapt to the nonlinear characteristics of the system, easy to cause overshooting and oscillation, a synchronization gain parameter Kw based on the dynamic adjustment of the speed error is proposed. when the speed error is large, the Kw is automatically increased to quickly reduce the error; when the error is small, the Kw is reduced to avoid system oscillation.
In order to further improve the precision of winding tension control, a pendulum angle compensation module is added, and a fuzzy PID controller is utilized to generate a speed difference adjustment signal in real time according to the pendulum angle error (E) and the error change rate (EC). The deviation coupling control structure after the above improvement is shown in Fig. 3, and the integrated radius proportional compensation, dynamic gain adjustment and pendulum angle feedback module realize the significant improvement of the motor synchronous control performance.

Improved Deviation Coupling Structure Diagram
The fuzzy adaptive PID controller designed in this paper takes the desired angle of the pendulum as the target, and outputs the speed difference between the two motors for feedback regulation by monitoring the pendulum angle change in real time. The controller selects the pendulum angle error (E) and the error change rate (EC) as fuzzy input variables, and the PID parameter corrections (ΔKp, ΔKi, ΔKd) as output variables [10]. The fuzzy inference rules are utilized to correct the PID parameters in real time to adapt to the dynamic demand and disturbance changes in the system operation, and the structure is shown in Fig. 4.

Fuzzy Adaptive PID Controller Structure Diagram
The domains of the fuzzy control input variables (E, EC) and output variables (ΔKp, ΔKi, ΔKd) are divided into seven fuzzy sets {negative large (NB), negative medium (NM), negative small (NS), zero (Z), positive small (PS), positive medium (PM), positive large (PB)} in order to refine the description of the system error and its dynamic trend.
In order to enhance the anti-disturbance performance of the controller, the affiliation function adopts a triangular function, and the interval of the affiliation function of the input variables close to the center region (NS, Z, PS) is appropriately narrowed, so as to avoid frequent adjustment of the PID parameters. The specific affiliation function curve is shown in Fig.5.

E, EC, ΔKp, ΔKi, ΔKd Membership Functions
The fuzzy rules determine the adjustment strategies of output variables ΔKp, ΔKi, ΔKd through different combinations of input variables E and EC to realize the real-time correction of PID parameters and adapt to the system dynamic control needs. The fuzzy rule control table is shown in Table 1.
F
| E/EC | NB | NM | NS | Z | PS | PM | PB |
|---|---|---|---|---|---|---|---|
| NB | PB/NB/PS | PB/NB/PS | PM/NB/PS | PM/NM/NB | PM/NS/NM | Z/NS/Z | Z/Z/Z |
| NM | PB/NB/NS | PM/NB/NS | PM/NM/NS | PM/NS/Z | Z/NS/Z | Z/Z/Z | Z/Z/Z |
| NS | PM/NM/Z | PM/NM/Z | PM/NM/NS | Z/NS/Z | Z/Z/Z | NM/PM/Z | NM/PB/PS |
| Z | PM/NM/Z | PM/NS/Z | Z/Z/Z | Z/Z/Z | Z/Z/Z | NM/PM/Z | NM/PB/Z |
| PS | PS/Z/Z | PS/Z/Z | Z/Z/Z | Z/Z/Z | NM/PM/Z | NB/PB/PS | NB/PB/Z |
| PM | Z/Z/PB | Z/Z/PB | NM/PS/Z | NM/PS/Z | NB/PB/Z | NB/PB/PB | NB/PB/PB |
| PB | PB/NB/PS | PB/NB/PS | PM/NB/PS | PM/NM/NB | PM/NS/NM | Z/NS/Z | Z/Z/Z |
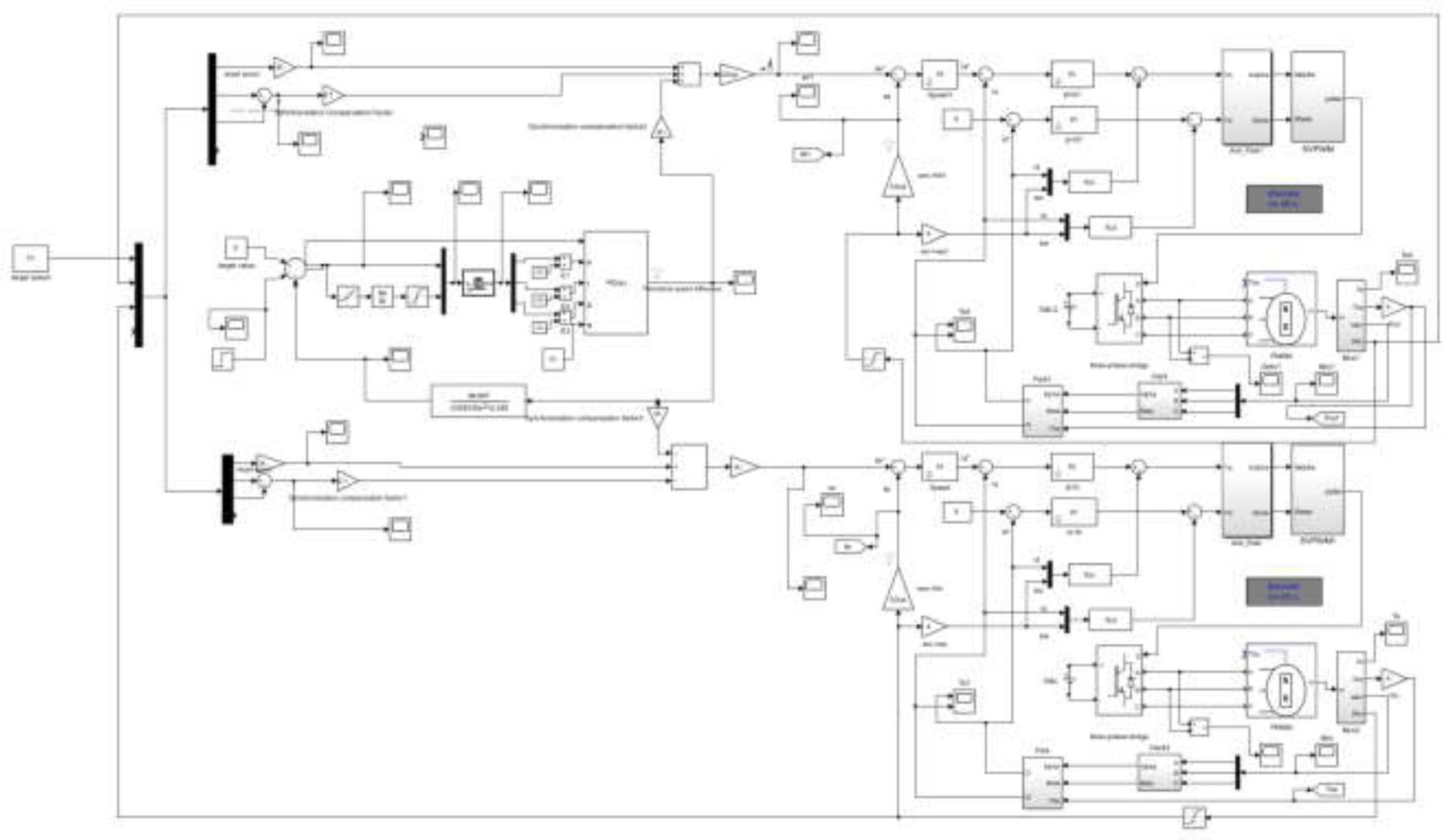
The simulation model of the dual motor synchronous control system is designed by combining the improved deviation coupling control with the SVPWM speed control strategy. In the Simulink simulation environment, the simulation model of dual motor synchronous control is built, and the overall simulation model is shown in Figure 6

Two-Motor Synchronization Control Simulation Model
In the simulation, the reference linear velocity of the two motors is set to 5 m/s, and the simulation time is 0.5 seconds. In the initial state, the radius ratio of the traction wheel and take-up wheel is 17:15, and the speed tracking curve of the two motors is shown in Fig. 7.

Two-Motor Speed Tracking Curve
It can be seen that the speed following of the dual motors is good and the speed is up to the requirement. Subsequently the simulation compares the motor speed adjustment under conventional PID coupled control and fuzzy adaptive control after the pendulum angle deflection at the moment of 0.08 seconds. As shown in Fig.8–10.

Conventional PID Coupling Control

Fuzzy Adaptive PID Control

Motor Tracking Curves under Different Compensators
After the external disturbance occurs, the motor speed fluctuates drastically under the traditional PID control strategy, and the recovery stabilization process lasts about 0.08 s. The speed overshoot of the traction motor is as high as about 33%. The fuzzy adaptive PID control strategy can effectively suppress the disturbance, the system stabilization recovery time is shortened to less than 0.04 s, and the speed overshooting amplitude is significantly reduced to 8.3%, which improves the recovery speed by more than 50% and reduces the overshooting amplitude by about 75% compared with the traditional PID control. Simulation results show that the proposed fuzzy adaptive PID control strategy significantly improves the dynamic response performance and disturbance resistance of the winding system, and has better stability and practical engineering application value.
In order to verify the practical effect of the above control scheme, this paper builds a dualmotor take-up system, as shown in Figure 11. The system uses Huichuan Easy PLC as the controller, in which the wire-rowing motor is MS1H1-75B30CB servo motor, and the take-up motor is MS1H1-40B30CB servo motor. Through the multi-channel Ether CAT communication module, to realize the communication between the servo motors, in order to real-time monitoring of the pendulum angle changes [11,12], the system selected a single-turn absolute angular displacement encoder BRT50 sensor.

Constant Tension Fiber Collection System
The software system in this paper adopts AutoShop software as the development environment [13], which is combined with Simulink PLC Coder tool to realize the program design of fuzzy adaptive PID control strategy and improved deviation coupling control. The main program is responsible for the overall control logic, while the fuzzy adaptive PID controller realizes the dynamic correction of parameters and interacts with the servo drive in real time through the EtherCAT communication protocol, in order to ensure the precision and coordination of the control system, and the overall implementation flow of the working process of the system is shown in Fig12.

Working Process
In the above design, the PLC collects the pendulum angle signal in real time and dynamically adjusts the PID parameters according to the angle error (E) and the error change rate (EC) through the fuzzy adaptive PID controller to optimize the system response performance. At the same time, the synchronization gain parameter (Kw) is introduced into the improved deviation coupling control structure to calculate the speed difference between the motors in real time and dynamically adjust the synchronization ratio of the rotational speed based on the radius of the motors (R1, R2) in order to improve the adaptive ability of the system and avoid the oscillation and overshooting problems existing in the traditional deviation coupling control.
During the experiment, the speed monitoring curve of the two motors is shown in Figure 13. It can be seen that when the external disturbance occurs, the synchronization of the two motors is good, and the control system can respond quickly and make adjustments to ensure the smooth collection.

Real-Time Speed Curve
The adjustment ability of the traditional PID control and the fuzzy adaptive PID control is compared by recording the pendulum angle during the same 30s time period, as shown in Fig. 14.

Pendulum Angle Variation
According to the experimental data graphs of the dynamic balance control of the pendulum, it can be seen that compared with the traditional PID control, the fuzzy adaptive PID control strategy significantly improves the stability and response performance of the pendulum. The fluctuation of the pendulum angle is about ±20° in the traditional PID control, while the fuzzy adaptive PID control can effectively limit the fluctuation of the pendulum to less than ±10°, which reduces the fluctuation amplitude by about 50%, and the system can be restored to the stable state faster, which reflects a better dynamic response capability and anti-interference performance.
Experimental verification shows that the proposed control scheme can not only effectively control the take-up tension, but also ensure the stable operation of the system under complex working conditions. The real-time data feedback and adaptive adjustment capability of the system make it perform well in dynamic adjustment, which greatly improves the reliability and efficiency of the collection system.
In this paper, for the problem of insufficient synchronization control accuracy and weak disturbance resistance of dual motor in the winding and take-up system, an improved deviation coupling synchronization control strategy based on fuzzy adaptive PID is proposed. By constructing a real-time feedback model of the pendulum angle and introducing a dynamic adjustment mechanism of speed error compensation and synchronization gain parameters, the system realizes real-time accurate compensation of motor synchronization error. The simulation results show that compared with the traditional PID control method, the fuzzy adaptive PID strategy can effectively reduce the overshooting amplitude of the motor speed, significantly improve the recovery speed after perturbation, and improve the dynamic response performance of the system significantly. The experimental results further verify the effectiveness and practicability of the proposed method: the amplitude of pendulum angle fluctuation is reduced by about 50% compared with the traditional PID control, and the time for the system to recover from stability is significantly shortened, which shows good dynamic characteristics and anti-disturbance ability.
In summary, the fuzzy adaptive PID improved deviation-coupled synchronous control strategy proposed in this paper has obvious advantages in ensuring the constant winding tension, improving the winding quality and production efficiency, and can effectively cope with the parameter changes and complex working condition perturbations in the actual production, which has a good value of engineering applications and prospects for promotion.