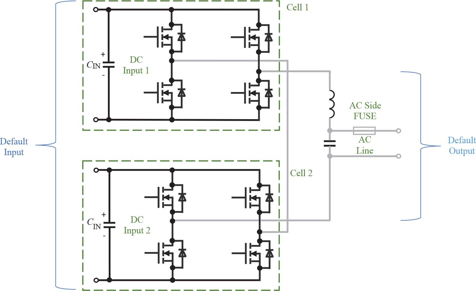
Figure 1.

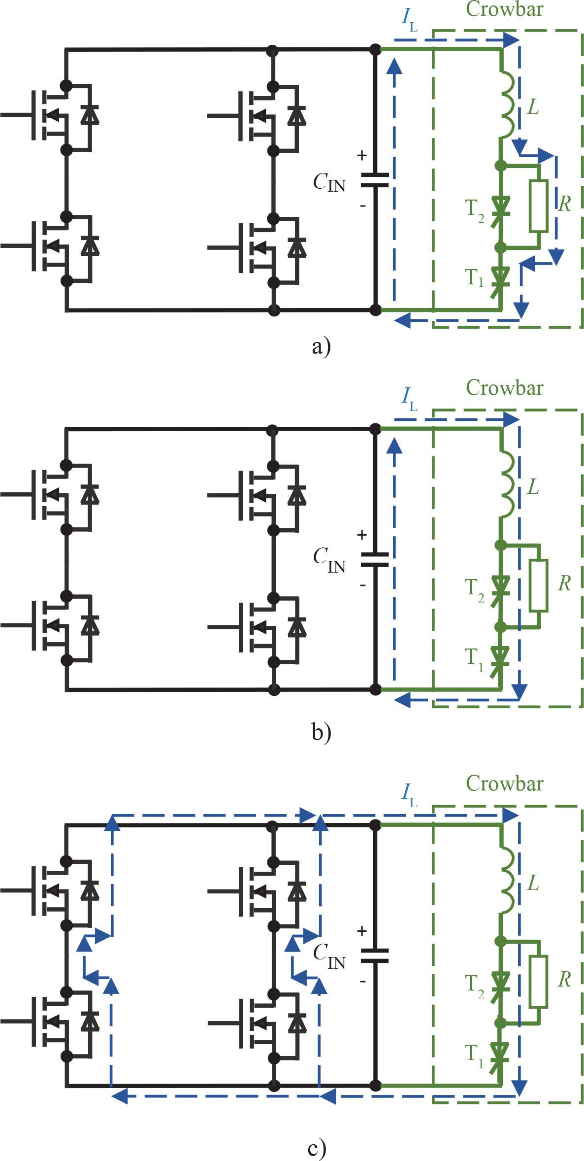
Figure 2.

Figure 3.

Figure 4.

Figure 5.

Figure 6.

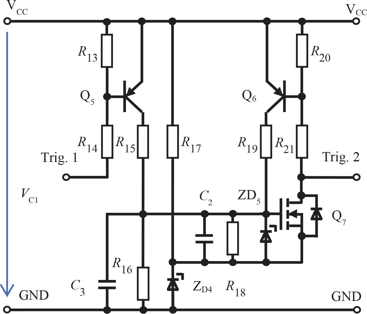
Figure 7.

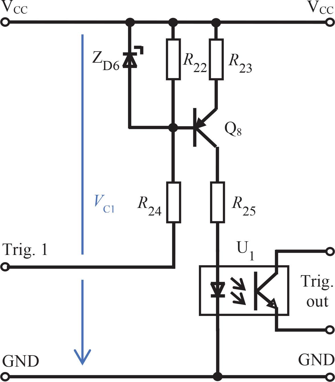
Figure 8.

Figure 9.

Figure 10.

Figure 11.

Figure 12.

Figure 13.

Crowbar power devices requirements_
| Symbol | Parameter | Value |
|---|---|---|
| di/dt | Thyristor switching current slope | 150 A/µs |
| IMAX | Maximum thyristor anode current | 100 A/20 ms |
| i2t | Thyristor thermal energy integral | 88 ASs |
| L | Crowbar Inductivity | 170 µH |
| ILMAX | Maximum inductor non-saturating current | 115 A |
| R | Crowbar resistivity | 2,6 Ω |
| PRPEAK | Crowbar resistor peak power | 26 kW |
H-bridge cell required overvoltage protection parameters (Strossa et al_, 2024)_
| Symbol | Parameter | Value |
|---|---|---|
| CIN | H-bridge single cell input capacity | 4.7 mF |
| VBR | Protection breakdown voltage | 300 V |
| IBRMAX | Maximum peak of the break clamping current | 100 A |
| ΔVSWRIP | Maximum ripple of the CIN capacity voltage on the CIN equivalent series inductivity, originated by the pulse width modulation of the H-bridge transistors | 50 V |
| fSW | H-bridge cell switching frequency | 100 kHz |