Since the first use of composites thousands of years ago by the Mesopotamians in Iraq, the development of this field of interest is still in progress [1]. Following the industrial revolution in the 1900s, synthetic resins started to take a solid form through polymerization. This newfound knowledge about chemicals led to the creation of various plastics. In the 1990s, composites were starting to become increasingly common for manufacturing processes and construction due to their relative stiffness, toughness, lightweight, and low cost compared to materials that had been used previously [2]. Holes and notches are perhaps one of the most commonly used features in engineering design. The practical use of composites requires the presence of holes to enable joining via mechanical fastening hardware. It causes damage around the hole edge, large stress concentration, and delamination at the entry and exit of the hole. In contrast, ductile materials have low-notch sensitivity and are often used in structural applications where holes are often required. The presence of notches, holes, or other discontinuities in notch-sensitive materials has been found to significantly reduce their strength. This is also known to be consistent with the behavior of composites. In particular, many researchers have investigated the mechanical properties of fiber composites. Mahdi and Dean [3] studied the effect of filler content on the tensile behavior of polypropylene/cotton fiber and (polyvinyl chloride [PVC])/cotton fiber composites. It was found that the tensile strength of both materials decreases with the increase of filler content, with the peculiar exceptions of 30% filler content for polypropylene/cotton fiber composites and 40 and 50% filler content for polyvinyl/cotton fiber. Kim et al. [4] studied the mechanical properties of polypropylene (PP)/natural fiber composites. The results showed that the tensile strength of the PP/wood fiber composites decreases with the increase in wt% of the wood fibers, whereas the PP/cotton fiber composites displayed different mechanical behaviors. With the addition of 10 wt% cotton fiber, the tensile strength decreased, but with the addition of 20 and 30 wt% cotton fiber, it increased because of the entanglement of the cotton fibers. Zhang et al. [5] studied the tribological and mechanical properties of glass fiber-reinforced paper-based composite friction material. They found that the shear strength increased initially and then decreased, but the compressibility increased and the recovery decreased as the glass fiber content increased. Detomi et al. [6] studied the statistical effects of using ceramic particles in glass fiber-reinforced composites. The study identified that the addition of ceramic particles at the upper side of the samples provided an increase in the flexural strength and specific strength up to 110 and 112%, respectively, against the unreinforced samples. Park et al. [7] studied the effects of short glass fibers on the mechanical properties of glass fiber fabric/PVC composites, and they found that at a high fiber content, the tensile strength decreases because a thick chopped fiber layer was formed between glass fiber layers, resulting in a gradual increase in thickness and decrease in the fiber volume fraction.
Several studies and researchers have used all available methods, such as numerical, analytical, and experimental, on the problem of a single circular hole in the center of a wide plate under tensile force. The stress near the circular notch under tensile load was calculated by Pilkey [8]. He presented an empirical formula for assessing the stress concentration factor (SCF) around a circular hole in the center of an isotropic plate. Tan [9] studied finite-width correction factors for anisotropic plates containing a central opening and developed analytical equations for infinite-length and finite-width composite plates with both elliptical and circular shapes. His results showed that the normal stress distribution of a finite-width plate with a central hole predicted using his theory agrees very well with a typical finite element (FE) solution. Jones [10] listed approximate values of stress concentration around circular holes in various composites. He concluded that the effect of holes on the behavior of the laminate was much more complex than the behavior of the layer or plate. Wu and Mu [11] carried out numerical and analytical approaches about stress concentrations for isotropic plates and cylinders with a circular hole, and the computation method was verified by the finite element method (FEM) simulations. They found that the SCFs only depend on the dimension ratio defined as the hole diameter to plate width for plates, or the hole diameter to cylinder diameter for cylinders. Jain and Mittal [12] studied stress concentration in composite plates with central circular holes under transverse static loading using ANSYS software. SCF for all stresses decreases with the increase of diameter/width ratio for almost all cases. Darwish et al. [13] studied stress concentration analysis for countersunk rivet holes in orthotropic plates. Finite element analysis (FEA) using ANSYS software was used to build and mesh the geometry of a plate containing a countersunk hole. On the basis of the results, they found that the values of the SCF obtained using the formulated equation are within 7% of the FE results for 96% of the runs and that the maximum overall error was less than 14%.
Pavan Kishore et al. [14] studied stress analysis of rectangular and square plates with various cutouts using ANSYS 19.1 software. This study presented a numerical solution for various stresses including rectangular and square plates with specially shaped cutouts. The results showed that the effect of cutout shape for static analysis of plates can significantly change by varying the cutout parameters. Joshi [15] studied the SCF converted into a stress intensity factor using ANSYS for different values of aspect ratio in a plate with a central-elliptical hole and subjected to pressure at the ends. The stress intensity factor was determined using analytical and numerical solutions by using ANSYS. He found that the ANSYS results were not very accurate compared to the analytical results, with a maximum of 10% error. Pawar et al. [16] studied FEM analysis of rectangular plates with circular holes using ANSYS. Two different materials were used for this analysis, i.e., magnesium alloy and polyethylene. For both materials, it was observed that as the thickness/hole diameter ratio increased, the SCF increased. The SCF values obtained from FEA showed a maximum error of 0.33% for magnesium alloy and 0.30% for polyethylene. They concluded that FEA is a very effective tool to determine stresses induced in various materials. Kadam and Kulkarni [17] studied the effect of the geometry of the opening on the SCF for a plate. A specimen was selected as a plate having a centrally located opening, the shape of which changes, keeping the area of the cross-section the same. Two cases were considered for analysis: the first one where the tensile load was applied at one side of the plate keeping the other end fixed and the second one where the tensile load was applied at both sides of a plate. It was recommended that analytical and FEAs are suitable by giving errors of around 10% between both cases.
Toubal et al. [18] studied stress concentration due to a circular hole in a composite plate using experimental, theoretical, and FE studies. An electronic speckle pattern interferometer was used for experimental results, and they explained the difference between the results found in experiments and analytical methods. Near the hole, the stress obtained in experiments was lower compared to the analytical and numerical models. Shaik and Mirzana [19] studied stress analysis of a rectangular plate with a circular hole. FEA using ANSYS was employed for stress analysis around the circular hole, made up of different materials. The materials considered are composite materials, i.e., carbon/epoxy and also mild steel. Five different fiber angles were studied. From the results, it was concluded that 30° fiber is the optimum fiber angle where SCF was less than the other fiber angles. Mohamed Makki and Chokri [20] made an experimental, analytical, and FE study of the SCF for composite materials with varying hole diameters. They used the digital image correlation method for measuring the stress concentration around a hole. The analytical solutions and the finite-element analysis for both composite and steel materials were done. Seven different hole diameters were used. The obtained results indicated that the stress concentration due to the presence of a geometrical discontinuity has a significant effect on composite and steel materials. Moreover, it was seen that the evolution of the net and gross SCFs has the same trends for steel and composite materials, but the transition length in composite materials was higher than that for steel materials.
Zitoune et al. [21] examined the behavior of composite plates with drilled and molded holes under tensile load. The results showed that the fracture strength for molded hole specimens was higher than that obtained for drilled hole specimens. This difference was higher than or equal to 30%. Although the fiber content around the molded hole was higher than that of the drilled hole, it was noted from strain gauge data that the local rigidity in tension for drilled specimens was higher than that of molded specimens. Moreover, the digital images obtained by the charge-coupled device camera showed different damage mechanisms between drilled holes and molded holes specimens. For the plate with a drilled hole, a sudden fracture was noticed, and for the plate with a molded hole, a progressive fracture was observed.
Mekalke et al. [22] investigated the comparison between analytical and FE solutions on a plate with a circular hole, and the results showed that the maximum error was 2%. They concluded that the fine mesh with a smaller element size had the most accurate results. Parle et al. [23] studied SCF using the ANSYS program and compared it with analytical solutions. The results indicated that the FEA-based ANSYS approach was an effective way for the computation of SCF, and the approach could compute accurate results for a wide variety of practical cases of geometry and loading conditions.
The present study is divided into two parts, the first part is concerned with the evaluation of the tensile behaviors of PVC with different types of fibers with three sample holes of different diameters in specimens. The samples were prepared in seven different percentages of composites. On the other hand, the second part of this work involves the comparison between analytical and FEA solutions using Solidworks and ANSYS software. In addition, pure samples of PVC were prepared and tested for comparison.
In the present study, the material investigated was a molding sheet of PVC as a matrix material reinforced by different types of randomly oriented short fibers with different weight percentages. Five different types of fibers were selected: E6-CR glass fiber, YGT 101 glass fiber, GW fiber, rock wool (RW) fiber, and cotton wool (CW) fiber. Figure 1 shows the different types of fibers, and the properties of the used material are presented in Table 1.

Different types of fibers: (a) E6-CR glass fiber, (b) YGT-101 glass fiber, (c) GW fiber, (d) RW fiber, and (e) CW fiber.
Properties of the used materials [24].
| Tensile strength (MPa) | Density (kg/m3) | Fiber diameter (mm) | Modulus of elasticity (MPa) | Poisson’s ratio | |
|---|---|---|---|---|---|
| PVC www.egy-petrochem.com | 40.7 | 1,300 | — | 2,366 | 0.38 |
| Glass fiber type E6-CR | 2,400 | 22 | 0.013 | 3,230 | 0.5 |
| Glass fiber type YGT10 | 2,100 | 20 | 0.011 | 1919 | 0.31 |
| GW | 3,500 | 16 | 0.01 | 2,211 | 0.35 |
| RW | — | 40 | 0.15 | 2,523 | 0.4 |
| CW | — | 25 | 0.005 | 1,024 | 0.16 |
Seven different weight percentages of short fibers – 5, 10, 15, 20, 30, 40, and 50% – with a fiber length of 5 mm were used to fabricate the composite samples, as detailed in Table 2.
Parameters of the prepared samples.
| Fiber content (wt%) | Fiber length (mm) | PVC content (wt%) | Weight of fiber (g) | Weight of PVC (g) |
|---|---|---|---|---|
| 0 | — | 100 | 0 | 250 |
| 5 | 5 | 95 | 12.5 | 237.5 |
| 10 | 5 | 90 | 25 | 225 |
| 15 | 5 | 85 | 37.5 | 212.5 |
| 20 | 5 | 80 | 50 | 200 |
| 30 | 5 | 70 | 75 | 175 |
| 40 | 5 | 60 | 100 | 150 |
| 50 | 5 | 50 | 125 | 125 |
The short fibers were thoroughly mixed with PVC using a roll milling machine equipped with rotating rollers. This process was carried out to ensure a homogeneous distribution of the fibers throughout the PVC matrix. Achieving uniform dispersion is critical to obtaining consistent mechanical properties in the final composite material.
After mixing, the fiber-reinforced PVC compound was shaped into flat composite sheets with dimensions of 200 × 200 mm2 and a thickness of 4 mm. This was accomplished using a hydraulic press, where the mixture was subjected to a pressure of 100 bar and a temperature of 150°C. These conditions facilitated the fusion and consolidation of the material, allowing it to form into a solid, well-bonded sheet. The applied heat softened the PVC matrix, promoting better adhesion between the fibers and the polymer, while the pressure ensured proper compaction and shape retention.
Once the composite sheets had cooled and solidified, they were cut into standardized test specimens using a mold cutting machine. The cutting process followed the specifications of ASTM D638, which is the standard method for preparing samples for tensile testing of plastic materials.
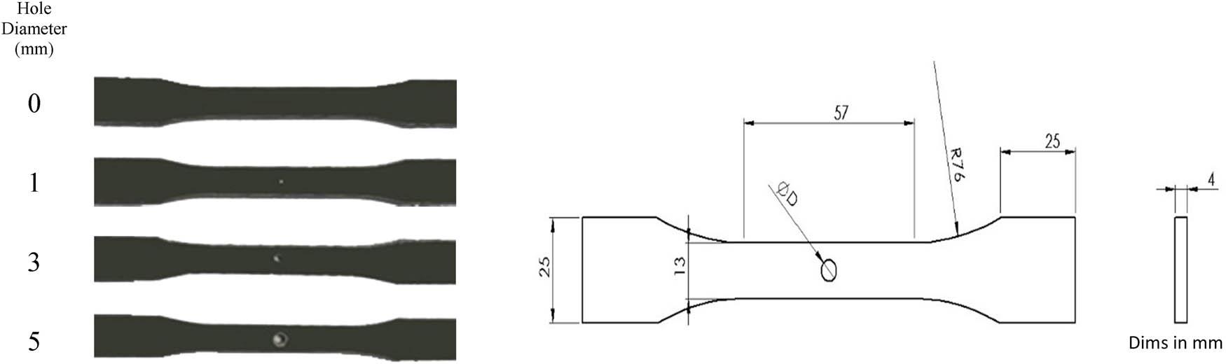
In the final step, circular holes were precisely drilled at the mid-length of each test specimen. The holes were made with three different diameters: 1, 3, and 5 mm.
The tensile test was carried out according to the ASTM D638-14 [25] using a universal testing machine (Multitest5 – XT, Load Cell: 5 kN) with a cross head speed of 5 mm/min. For verification of results, as per ASTM standard for tensile testing of polymeric composite material, five tensile samples were tested for each test condition, and the average values obtained were recorded.
The FEM is a widely used numerical technique for analyzing complex engineering problems like structural deformation and heat transfer. It is applied through software such as ANSYS, SolidWorks, and ABAQUS, which simplify the process by automating calculations and providing visual results. These tools reduce human error, save time, and are now standard in both research and industry due to their efficiency and user-friendly interfaces. In this study, the analysis was carried out using ANSYS 18.1 and SolidWorks 2023 to evaluate the tensile behavior of PVC reinforced with various types of fibers. The investigation was conducted in two main phases. The first phase focused on assessing the mechanical performance of composite specimens with three different hole diameters, prepared in seven varying fiber content percentages. Pure PVC samples were also tested to serve as a reference for comparison. The second phase involved a comparative analysis between the analytical and FEA solutions obtained from both SolidWorks and ANSYS software. This comparison aimed to identify the most accurate and reliable simulation approach for predicting the material behavior.
Scanning electron microscopy (SEM) images of fractured tensile test samples were investigated and analyzed to understand the failure in the fiber–matrix interaction zone. The SEM images were taken for all samples with different fiber contents. It is observed for the pure PVC sample that there were many air bubbles formed inside the sample, which resulted in discontinuity of the PVC matrix and led to a weak sample, Figure 2a. However, when a small percentage of fiber content, i.e., 5 wt%, was used, the formation of air bubbles inside the sample was found, in addition to the fiber agglomeration as a result of the inhomogeneous distribution of the fiber in the PVC matrix. Fiber delamination and fiber pull-out were also observed for a small fiber content, and Figure 2b, e, h, k, and n illustrates various fiber failure mechanisms observed in the tested samples. Specifically, Figure 2b shows fiber breakage and fiber–matrix debonding, Figure 2e highlights fiber pull-out and matrix debonding, Figure 2h confirms fiber–matrix debonding, Figure 2k reveals pronounced fiber breakage, and Figure 2n demonstrates fiber pull-out. Similar failure mechanisms were also observed in Figure 2i–l and o for samples with 15% fiber content, where Figure 2i indicates fiber pull-out and fiber–matrix debonding, Figure 2l shows clear fiber breakage, and Figure 2o displays both fiber pull-out and matrix debonding. For a fiber content of 30 wt%, the optimum fiber content, the homogeneous mixture was obtained. Fiber breakage, fiber matrix debonding, and fiber pull-out were the main failure modes noticed, Figure 2c. On the other hand, Figure 2c shows that PVC was sticking to the surface of the fiber, which indicates the presence of good bonding between the glass fiber and PVC. Strong bonding at the interface mitigated the initiation and propagation of microcracks and reduced the likelihood of interfacial debonding under mechanical or environmental loading. This contributed to improved fatigue resistance and dimensional stability, particularly in applications exposed to thermal cycling. Furthermore, a well-bonded interface suppressed internal void formation and enhanced the integrity of the composite under impact or dynamic conditions. Overall, good fiber–matrix adhesion ensured uniform stress distribution, delayed failure onset, and improved the overall durability and reliability of the composite material. Good bonding shown for this fiber content leads to enhancing the tensile strength. At the highest fiber content of 50 wt%, the accumulation of fibers in localized regions caused a nonuniform mixture, leading to weak interfacial bonding and reduced cohesion between the fibers and the PVC matrix, as illustrated in Figure 2d, g, j, m, and p. This phenomenon was consistently observed across all fiber types, as demonstrated by the mentioned figures.

Typical SEM micrograph of longitudinal distribution of fibers in the PVC sample. (a) SEM micrograph of tensile fracture surface for pure PVC. (b) SEM micrograph of tensile fracture surface for PVC/5% E6-CR composite. (c) SEM micrograph of tensile fracture surface for PVC/30% E6-CR composite. (d) SEM micrograph of tensile fracture surface for PVC/50% E6-CR composite. (e) SEM micrograph of tensile fracture surface for PVC/5% YGT101 composite. (f) SEM micrograph of tensile fracture surface for PVC/20% YGT101 composite. (g) SEM micrograph of tensile fracture surface for PVC/50% YGT101 composite. (h) SEM micrograph of tensile fracture surface for PVC/5% GW composite. (i) SEM micrograph of tensile fracture surface for PVC/15% GW composite. (j) SEM micrograph of tensile fracture surface for PVC/50% GW composite. (k) SEM micrograph of tensile fracture surface for PVC/5% RW composite. (l) SEM micrograph of tensile fracture surface for PVC/15% RW composite. (m) SEM micrograph of tensile fracture surface for PVC/50% RW composite. (n) SEM micrograph of tensile fracture surface for PVC/5% CW composite. (o) SEM micrograph of tensile fracture surface for PVC/15% CW composite. (p) SEM micrograph of tensile fracture surface for PVC/50% CW composite.
Tables 3–7 present the tensile test results of the prepared samples for pure PVC and PVC reinforced by five different types of fibers with different weight percentages. Two types of samples were used, unnotched samples and notched samples with a central hole of 1, 3, or 5 mm in diameters. Figure 4 shows the tensile test results of E6-CR glass fiber with all fiber contents as an example of the tensile test results. Tables 3–7 and Figure 3 show that for E6-CR fiber, when the fiber content increased, the tensile strength increased until the fiber percentage of 30 wt% and then the tensile strength decreased due to a large accumulation of fibers, which leads to a poor mixture between fiber and matrix.
Tensile strength results for PVC/E6-CR.
| Hole diameter (mm) | Fiber content (%) | ||||||||
|---|---|---|---|---|---|---|---|---|---|
| 0 | 5 | 10 | 15 | 20 | 30 | 40 | 50 | ||
| 0 | Elastic modulus (MPa) | 2221.15 | 1438.34 | 2061.64 | 2340.14 | 2392.50 | 2312.54 | 1794.90 | 1657.21 |
| Poison ratio | 0.38 | 0.31 | 0.28 | 0.45 | 0.48 | 0.37 | 0.38 | 0.50 | |
| Tensile strength | 37.69 | 26.81 | 56.44 | 28.42 | 55.94 | 63.01 | 29.78 | 28.15 | |
| 1 | Elastic modulus (MPa) | 2184.72 | 1785.70 | 1607.13 | 2571.41 | 2769.58 | 2122.30 | 2153.47 | 2983.66 |
| Poison ratio | 0.38 | 0.31 | 0.28 | 0.45 | 0.48 | 0.37 | 0.38 | 0.50 | |
| Tensile strength | 38.40 | 25.97 | 38.96 | 46.75 | 50.36 | 52.74 | 26.10 | 19.89 | |
| 3 | Elastic modulus (MPa) | 2619.21 | 1833.96 | 1765.99 | 3178.79 | 3103.12 | 1764.90 | 3141.66 | 3223.58 |
| Poison ratio | 0.38 | 0.27 | 0.26 | 0.46 | 0.45 | 0.26 | 0.46 | 0.47 | |
| Tensile strength | 31.75 | 20.01 | 32.11 | 38.53 | 39.49 | 41.72 | 22.85 | 17.58 | |
| 5 | Elastic modulus (MPa) | 2487.94 | 2419.91 | 1975.44 | 3111.31 | 3144.07 | 2333.51 | 3015.99 | 2948.20 |
| Poison ratio | 0.38 | 0.37 | 0.30 | 0.48 | 3144.07 | 0.36 | 0.46 | 0.45 | |
| Tensile strength | 22.62 | 17.60 | 25.14 | 30.17 | 36.20 | 39.60 | 18.28 | 14.29 | |
Tensile strength results for PVC/YGT-101.
| Hole diameter (mm) | Fiber content (%) | ||||||||
|---|---|---|---|---|---|---|---|---|---|
| 0 | 5 | 10 | 15 | 20 | 30 | 40 | 50 | ||
| 0 | Elastic modulus (MPa) | 2221.15 | 1135.00 | 1019.01 | 1199.69 | 941.77 | 644.13 | 2272.72 | 1489.23 |
| Poison ratio | 0.38 | 0.33 | 0.35 | 0.26 | 0.18 | 0.13 | 0.41 | 0.31 | |
| Tensile strength | 37.69 | 30.13 | 30.13 | 36.68 | 29.91 | 16.01 | 34.08 | 13.82 | |
| 1 | Elastic modulus (MPa) | 2184.72 | 1871.17 | 2022.46 | 1477.01 | 1037.14 | 760.77 | 2330.94 | 1771.81 |
| Poison ratio | 0.38 | 0.33 | 0.35 | 0.26 | 0.18 | 0.13 | 0.41 | 0.31 | |
| Tensile strength | 38.40 | 23.81 | 26.97 | 30.44 | 23.26 | 13.37 | 22.60 | 9.66 | |
| 3 | Elastic modulus (MPa) | 2619.21 | 3251.90 | 2637.39 | 1591.77 | 1115.98 | 1673.97 | 3117.80 | 2537.01 |
| Poison ratio | 0.38 | 0.48 | 0.38 | 0.23 | 0.16 | 0.24 | 0.46 | 0.37 | |
| Tensile strength | 31.75 | 21.68 | 25.57 | 24.12 | 18.26 | 18.26 | 18.90 | 7.69 | |
| 5 | Elastic modulus (MPa) | 2487.94 | 3161.13 | 3203.51 | 1792.96 | 1302.23 | 1443.15 | 3221.9 | 2705.20 |
| Poison ratio | 0.38 | 0.49 | 0.49 | 0.28 | 0.20 | 0.22 | 0.50 | 0.42 | |
| Tensile strength | 22.62 | 21.07 | 19.42 | 19.56 | 16.57 | 9.62 | 15.62 | 4.92 | |
Tensile strength results for PVC/GW.
| Hole diameter (mm) | Fiber content (%) | ||||||||
|---|---|---|---|---|---|---|---|---|---|
| 0 | 5 | 10 | 15 | 20 | 30 | 40 | 50 | ||
| 0 | Elastic modulus (MPa) | 2221.15 | 1425.04 | 1050.53 | 1073.41 | 711.40 | 695.70 | 1804.52 | 977.31 |
| Poison ratio | 0.38 | 0.45 | 0.18 | 0.24 | 0.15 | 0.16 | 0.42 | 0.36 | |
| Tensile strength | 37.69 | 37.52 | 30.74 | 23.82 | 26.00 | 26.00 | 25.58 | 8.96 | |
| 1 | Elastic modulus (MPa) | 2184.72 | 2542.70 | 1039.26 | 1351.93 | 877.04 | 899.31 | 2426.06 | 2041.00 |
| Poison ratio | 0.38 | 0.45 | 0.18 | 0.24 | 0.15 | 0.16 | 0.42 | 0.36 | |
| Tensile strength | 38.40 | 30.82 | 26.45 | 22.12 | 20.20 | 16.35 | 22.06 | 8.66 | |
| 3 | Elastic modulus (MPa) | 2619.21 | 3368.56 | 1209.73 | 1706.12 | 1095.09 | 1206.18 | 3025.06 | 2127.91 |
| Poison ratio | 0.38 | 0.49 | 0.18 | 0.25 | 0.16 | 0.18 | 0.42 | 0.31 | |
| Tensile strength | 31.75 | 30.62 | 25.66 | 19.65 | 19.25 | 14.62 | 20.17 | 7.74 | |
| 5 | Elastic modulus (MPa) | 2487.94 | 3219.01 | 1211.84 | 2299.99 | 1438.69 | 1630.33 | 2559.87 | 2514.90 |
| Poison ratio | 0.38 | 0.49 | 0.19 | 0.35 | 0.22 | 0.25 | 0.39 | 0.39 | |
| Tensile strength | 22.62 | 23.41 | 17.63 | 15.33 | 17.44 | 11.86 | 13.96 | 6.86 | |
Tensile strength results for PVC/RW.
| Hole diameter (mm) | Fiber content (%) | ||||||||
|---|---|---|---|---|---|---|---|---|---|
| 0 | 5 | 10 | 15 | 20 | 30 | 40 | 50 | ||
| 0 | Elastic modulus (MPa) | 2221.15 | 911.08 | 1215.41 | 906.87 | 651.38 | 575.77 | 1017.71 | 1652.12 |
| Poison ratio | 0.38 | 0.20 | 0.38 | 0.23 | 0.14 | 0.13 | 0.29 | 0.41 | |
| Tensile strength | 37.69 | 29.16 | 23.89 | 29.45 | 27.19 | 19.97 | 16.26 | 14.69 | |
| 1 | Elastic modulus (MPa) | 2184.72 | 1157.31 | 2142.16 | 1331.86 | 811.55 | 726.29 | 1681.13 | 2328.97 |
| Poison ratio | 0.38 | 0.20 | 0.38 | 0.23 | 0.14 | 0.13 | 0.29 | 0.41 | |
| Tensile strength | 38.40 | 25.95 | 20.77 | 25.83 | 19.67 | 18.05 | 14.26 | 14.11 | |
| 3 | Elastic modulus (MPa) | 2619.21 | 1411.28 | 2776.67 | 1602.87 | 1012.67 | 845.66 | 2546.65 | 2376.87 |
| Poison ratio | 0.38 | 0.21 | 0.41 | 0.23 | 0.15 | 0.12 | 0.37 | 0.35 | |
| Tensile strength | 31.75 | 23.09 | 20.19 | 25.26 | 19.03 | 16.40 | 10.80 | 8.64 | |
| 5 | Elastic modulus (MPa) | 2487.94 | 1485.15 | 2985.64 | 2093.17 | 1336.57 | 731.58 | 2114.27 | 2861.98 |
| Poison ratio | 0.38 | 0.23 | 0.46 | 0.33 | 0.21 | 0.11 | 0.32 | 0.44 | |
| Tensile strength | 22.62 | 18.00 | 16.29 | 24.10 | 15.39 | 10.20 | 7.69 | 6.94 | |
Tensile strength results for PVC/CW.
| Hole diameter (mm) | Fiber content (%) | ||||||||
|---|---|---|---|---|---|---|---|---|---|
| 0 | 5 | 10 | 15 | 20 | 30 | 40 | 50 | ||
| 0 | Elastic modulus (MPa) | 2221.15 | 910.67 | 1291.15 | 1241.47 | 801.52 | 547.04 | 714.74 | 508.75 |
| Poison ratio | 0.38 | 0.25 | 0.25 | 0.25 | 0.16 | 0.11 | 0.17 | 0.17 | |
| Tensile strength | 37.69 | 36.47 | 33.68 | 33.05 | 24.41 | 17.74 | 19.09 | 9.85 | |
| 1 | Elastic modulus (MPa) | 2184.72 | 1403.77 | 1455.48 | 1443.56 | 909.13 | 652.11 | 949.58 | 945.86 |
| Poison ratio | 0.38 | 0.25 | 0.25 | 0.25 | 0.16 | 0.11 | 0.17 | 0.17 | |
| Tensile strength | 38.40 | 32.33 | 29.11 | 28.00 | 22.59 | 15.41 | 16.11 | 8.60 | |
| 3 | Elastic modulus (MPa) | 2619.21 | 1655.48 | 1801.16 | 1889.76 | 1048.34 | 817.47 | 1495.58 | 1596.14 |
| Poison ratio | 0.38 | 0.24 | 0.26 | 0.28 | 0.15 | 0.12 | 0.22 | 0.23 | |
| Tensile strength | 31.75 | 29.10 | 26.20 | 25.20 | 20.33 | 13.87 | 14.50 | 7.74 | |
| 5 | Elastic modulus (MPa) | 2487.94 | 2267.09 | 2041.32 | 2524.17 | 1140.59 | 1023.99 | 2259.99 | 2713.45 |
| Poison ratio | 0.38 | 0.35 | 0.31 | 0.39 | 0.18 | 0.16 | 0.35 | 0.42 | |
| Tensile strength | 22.62 | 24.73 | 22.27 | 21.42 | 17.28 | 11.79 | 12.33 | 6.58 | |

Tensile test results for E6-CR fiber.
On the other hand, for all other types of fibers when increasing the fiber content, the strength decreased. This observation may be attributed to the existence of air voids, the nature of fiber with large accumulation provided by SEM results also the tensile strength depends on the weakest part of the composites and the interfacial interaction between PVC and fiber is weak [4].
Figures 4–8 show the results obtained from the tension tests for composite specimens with different hole diameters. Based on experimental results, the value of failure stress S
UN is obtained from the tensile test at the maximum load of the unnotched samples, while the value of the open hole tensile test (OHE) stress S
OHT is obtained from the notched samples through dividing the maximum load required to failure F
max by the net cross section area of the notched test samples. As shown in equations (1) and (2), the strength ratio of the OHT samples (S
OHT) to that of an unnotched samples S
UN is termed as normalized strength (S
nor) and calculated from equation (3) [26,27]. For the same hole diameter, the material did not show any significant effect on the ratio between tensile strength (without and with a hole). The same results were reported on Howland’s analytical formula [8] that describes the relation between SCF and the diameter of the hole for all types of materials. From Figures 4–8, it can be advocated that as a hole diameter increases, the normalized strength decreases, which is attributed to the decrease in maximum force that leads to a decrease in S
OHT.

Normalized strength for PVC/E6-CR fiber.

Normalized strength for PVC/YGT-101 fiber.

Normalized strength for PVC/GW fiber.

Normalized strength for PVC/RW fiber.

Normalized strength for PVC/CW fiber.
Stress concentrations occur as a result of irregularities in the geometry or within the material of a component structure that cause an interruption of the stress flow. These interruptions typically arise from discontinuities such as holes, grooves, notches, and fillets. Stress concentrations may also be caused by accidental damages such as nicks and scratches.
The SCF (K tn) is defined as “the ratio of the peak stress σ max of the body to a reference stress σ ref, typically, nominal (net) stress,” which is calculated based on the net cross-sectional area.
Analytical stress concentration solution with different hole diameters.
| Hole diameter (mm) | K t Hywood | K t Howland |
|---|---|---|
| 0 | 3.000 | 3.004 |
| 1 | 2.852 | 2.789 |
| 3 | 2.591 | 2.464 |
| 5 | 2.378 | 2.255 |
According to Heywood in Pilkey [8], the SCF, K
t can be calculated from the following equation:
Howland in Pilkey [8] conducted an extensive analytical study of the problem to determine the effect of one or even more circular holes near each other in an infinitely long bar.
The expression for the case of the central circular hole in an infinitely long bar with the correct coefficients determined is as follows:
The present investigation deals with the study of a plate having a circular hole subjected to uniform stress. The plate has a length l = 165 mm, a thickness t = 4 mm, and a width w = 13 mm, with a hole of diameter that varies from d = 1, 3, 5 mm. The SCF is calculated according to Howland’s analytical formula [8] (Table 8).
FEA was conducted using ANSYS software. The detailed specimen geometries, material properties, meshing, loading, and boundary conditions are described in the following subsections.
In this study, the FE models are dumbbell-shaped models with dimensions mentioned in Figure 9 containing a central circular hole (1, 3, and 5 mm in diameter) and are presented in Figure 10a and b.

Geometry of test sample.

FEA using Solidworks and ANSYS for hole 1 mm diameter. (a) Solidworks model. (b) ANSYS model. (c) Fixed face for Solidworks model. (d) Fixed face ANSYS model. (e) Tension force for Solidworks. (f) Tension force for ANSYS model. (g) Mesh on Solidworks. (h) Mesh on ANSYS. (i) Maximum stress using Solidworks model. (j) Maximum stress using ANSYS model.
The properties of the used material are listed in Table 1 for PVC and different types of fibers. Tables 3–7 list the properties of prepared composites with different fiber contents and hole diameter.
The loading and boundary conditions are found in Figure 10c to f. All test samples were fixed at one end, and a load of 1000 N was applied at the other end. Figure 10c and d illustrates the fixed end of the samples, while Figure 10e and f shows the location where the load was applied.
Consequently, the reference stress σ
ref is given by the following equation:
A mesh convergence test was performed to determine the optimal mesh size to achieve the best test results accuracy. Accordingly, the mesh size was selected as 0.5 mm. The model was composed of 67,901 elements, as shown in Figure 10g and h. Figure 10g illustrates the generated mesh using SolidWorks Simulation, while Figure 10h presents the mesh created in ANSYS.
Maximum Von Mises stress was evaluated using SolidWorks and ANSYS software in the models of unnotched and notched samples, as shown in Figure 10i and j. Figure 10i shows the stress distribution obtained using SolidWorks Simulation, while Figure 10j presents the results obtained using ANSYS. A chart is included in both figures, illustrating the maximum stress the material can withstand based on the applied input conditions. This graphical representation helps in visualizing critical stress locations and validating the structural performance under the given loading conditions.
To evaluate the error between SCFs obtained by different methods, analytical and FEA, Pawar et al. [16] formula, equation (7), is used. All the results of SCF calculations for each model are given in Table 9.
Comparison between the analytical method and FEA analysis with different hole diameters.
| Material | Hole diameter (mm) | Stress concentration factor | Error based on Howland equation | ||||
|---|---|---|---|---|---|---|---|
| Heywood | Howland | SolidWorks | ANSYS | Solidworks (%) | ANSYS (%) | ||
| PVC | 1 | 2.852 | 2.789 | 2.611 | 2.661 | 6 | 5 |
| 3 | 2.592 | 2.464 | 2.252 | 2.380 | 9 | 3 | |
| 5 | 2.379 | 2.255 | 2.199 | 2.230 | 2 | 1 | |
| E6-CR | 1 | 2.852 | 2.789 | 2.573 | 2.665 | 8 | 4 |
| 3 | 2.592 | 2.464 | 2.266 | 2.383 | 8 | 3 | |
| 5 | 2.379 | 2.255 | 2.206 | 2.235 | 2 | 1 | |
| YGT-101 | 1 | 2.852 | 2.789 | 2.632 | 2.675 | 6 | 4 |
| 3 | 2.592 | 2.464 | 2.270 | 2.382 | 8 | 3 | |
| 5 | 2.379 | 2.255 | 2.190 | 2.229 | 3 | 1 | |
| GW | 1 | 2.852 | 2.789 | 2.631 | 2.680 | 6 | 4 |
| 3 | 2.592 | 2.464 | 2.277 | 2.383 | 8 | 3 | |
| 5 | 2.379 | 2.255 | 2.188 | 2.223 | 3 | 1 | |
| RW | 1 | 2.852 | 2.789 | 2.639 | 2.681 | 5 | 4 |
| 3 | 2.592 | 2.464 | 2.282 | 2.380 | 7 | 3 | |
| 5 | 2.379 | 2.255 | 2.193 | 2.223 | 3 | 1 | |
| CW | 1 | 2.852 | 2.789 | 2.651 | 2.689 | 5 | 4 |
| 3 | 2.592 | 2.464 | 2.288 | 2.376 | 7 | 4 | |
| 5 | 2.379 | 2.255 | 2.190 | 2.222 | 3 | 1 | |
There are small deviations between Howland formula compared with Solidworks and ANSYS simulation; therefore, in SolidWorks, the error ranges from 3 to 9% and the average error is 6%, while the ANSYS error is almost below 4%. These results were in high agreement with the results of Mekalke et al. [22] and Misbah et al. [28]. The value of SCF at 0.1 d/w is around 2.7–2.8, the value at 0.3 d/w is narrow to 2.4, and the value at 0.5 d/w is very close to 2.2. It is also observed that when the diameter of the hole increases, the obtained error is 1%. that the results obtained from ANSYS are more acceptable than those from Solidworks. Table 9 and Figures 11–14 provide a comparison between the analytical method and the FEA analysis with different hole diameters.

Comparison between the analytical method and FEA analysis at hole 1 mm.

Comparison between the analytical method and FEA analysis at hole 3 mm.

Comparison between the analytical method and FEA analysis at hole 5 mm.

Comparison between analytical method and FEA analysis for all hole diameters.
The results indicated that SolidWorks error between its results and analytical results is small at a large hole diameter. On the other hand, the ANSYS error is acceptable for all hole diameters, and for large holes, it is almost the same as the analytical results (Table 10).
Comparison between analytical method and FEA analysis for all hole diameters.
| Comparison between analytical and FEA for all hole diameters | |||
|---|---|---|---|
| Hole diameter (mm) | Analytical | Solidworks analysis | ANSYS analysis |
| 1 | 2.789 | 2.623 | 2.675 |
| 3 | 2.464 | 2.273 | 2.381 |
| 5 | 2.255 | 2.194 | 2.227 |
In this work, the tensile behavior of PVC composites was examined, and SCFs were evaluated using analytical and FEA methods using two different software. The results provide the following conclusions:
-
The tensile behavior of PVC composites was strongly influenced by the fiber content. For PVC composites reinforced with E6-CR glass fibers, the maximum tensile strength of 41.72 MPa was achieved at a fiber content of 30 wt% and a hole diameter of 3 mm. This condition represents the optimum value, attributed to the improved fiber–matrix interaction.
-
In contrast, other fiber types exhibited a reduction in tensile strength with increasing fiber content, primarily due to fiber agglomeration, the formation of air voids, and weak interfacial bonding, as confirmed by SEM analysis. For instance, in PVC composites reinforced with GW fibers at a hole diameter of 3 mm, the tensile strength decreased from 30.62 MPa at 5 wt% fiber content to 7.74 MPa at 50 wt% fiber content.
-
For all fiber types, increasing the hole diameter led to a reduction in the maximum tensile strength. In PVC composites reinforced with 30 wt% E6-CR glass fiber, the tensile strength decreased from 52.74 MPa to 39.60 MPa – a reduction of approximately 25% – as the hole diameter increased from 1 to 5 mm.
-
For all fiber types and across different SCF calculation techniques, increasing the hole diameter from 1 to 5 mm resulted in a reduction in the SCF. For PVC composites reinforced with E6-CR fiber, the Howland SCF decreased from 2.789 to 2.255, corresponding to an approximate reduction of 20%. Similarly, the SCF obtained using SolidWorks decreased from 2.573 to 2.206 (about 14.2%), while the ANSYS-predicted SCF decreased from 2.665 to 2.235 (approximately 16.1%).
-
A close agreement was observed between the Howland analytical solution and the numerical results. Among the numerical approaches, ANSYS exhibited higher accuracy, with errors below 4%, compared to SolidWorks, which showed an average error of approximately 6%. Moreover, the SCF was found to decrease with the increasing d/w ratio, and the improved agreement at larger hole diameters further confirms the superior reliability of ANSYS in predicting SCF values.
-
In contrast to analytical methods, which are limited to providing numerical stress values at specific critical locations, ANSYS offers a more intuitive and comprehensive understanding of stress behavior through the visualization of stress contour distributions over the entire plate. Consequently, based on the findings of the present study, FEA – particularly when implemented using ANSYS – can be considered a highly effective and reliable tool for evaluating induced stresses in a wide range of materials and structural configurations.
Authors state no funding involved.
This work is a collaborative effort among the authors. Yasser came up with the idea of the study. Yasser and Hesham collected the data, designed the experiments, and performed the data analysis. Hesham wrote the first draft of the manuscript. Yasser and Wael contributed to the development of the manuscript and approved the final version for publication.
Authors state no conflict of interest.