Figure 1

Figure 2

Figure 3

Figure 4

Figure 5

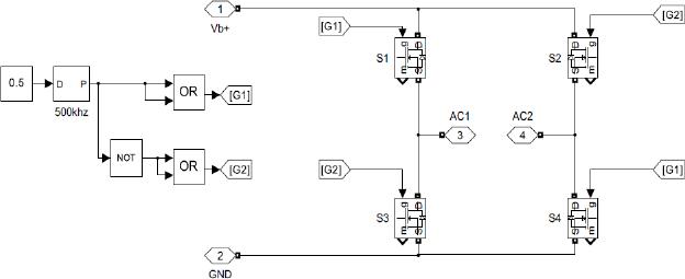
Figure 6:

Figure 7

Figure 8

Figure 9

Figure 10

Figure 11

Figure 12

Figure 13

Figure 14

Figure 15

Figure 16

Figure 17

Figure 18

Figure 19

Figure 20

Figure 21

Figure 22

Figure 23

Figure 24

Figure 26

Figure 27

Figure 28

Performance comparison between proposed and previous work for increasing load_
| Performance criteria | Previous work | EK-PCMC |
|---|---|---|
| Step Response at 50W power at Impedance=90 ohm at time 0s | ||
| Power overshoot | 4.20% | 0.188% |
| Rise time of Power | 0.89 ms | 0.0047 ms |
| Settling time of power | 2.1 ms | 0.017 ms |
| Load step from Z1 to Z2(90 ohm to 120 ohm) at time 0.01s | ||
| Power overshoot | 9% | 3.2% |
| Load step from Z2 to Z3(120 ohm to 150 ohm) at time 0.02s | ||
| Power overshoot | 10% | 2.6% |
Parameters of buck converter_
| Parameter | Value | Unit |
|---|---|---|
| Input voltage (Vg) | 50 | Volt |
| Maximum output voltage (Vb) | 45 | Volt |
| Maximum average current (Iavg) | 3 | Ampere |
| Duty cycle (D) | 46 | Percent |
| Switching frequency (fs) | 1 x 106 | Hz |
| Inductance (L) | 100 x 10−6 | Henry |
Parameters of inverter_
| Parameter | Value | Unit |
|---|---|---|
| Maximum Input DC voltage (yfc) | 45 | Volt |
| Maximum output voltage (VRMS) | 120 | Volt |
| Maximum output current (IRMS) | 1 | Ampere |
| Switching frequency (fs) | 500 x 103 | Hz |
| Transformer turn ratio | 1:3 | - |
| Impedance range | 10-340 | Ohms |
| Reference power command | 50 | Watt |
Performance comparison between proposed and previous work for decreasing load_
| Performance criteria | Previous work | EK-PCMC |
|---|---|---|
| Step Response at 50W power at Impedance=90 ohm | ||
| Power overshoot | 4.20% | 0.188% |
| Rise time of Power | 0.89 ms | 0.0047 ms |
| Settling time of power | 2.1 ms | 0.017 ms |
| Load step from Z1 to Z2(90 ohm to 60 ohm) at time 0.01s | ||
| Power Undershoot | NA | 3.2% |
| Load step from Z2 to Z3(120 ohm to 30 ohm) at time 0.02s | ||
| Power Undershoot | NA | (In constant current mode) |
Performance comparison between proposed and PCMC_
| Controller | Integral square error (ISE) | Integral absolute error (IAE) |
|---|---|---|
| PCMC | 0.3190 | 0.0175 |
| EK-PCMC | 0.0822 | 0.0036 |