Have a personal or library account? Click to login
A Circuit Principle and Simulation Test for Negative Group Delay Cover
By: Han Shen and  Zhongsheng Wang  
Open Access
|May 2023

Full Article

I.
Introduction

In the mid-twentieth century, Brillouin and Sommerfeld showed that in irregular dispersion regions, group velocities can exceed the speed of light in a vacuum, and can even be negative [1]. For superluminal group velocities, the envelope takes less time to travel through the medium than it does for light to travel the same length in a vacuum. For the negative group velocity, what appears on the time axis is that the envelope as you leave the medium appears before you enter the medium.

T. Nakanishi, K. Sugiyama and M. Kitano [4] proposed a model to realize this phenomenon by using common electronic components, which mainly include pulse generator, bandpass amplifier, resistor, capacitor and LED. The circuits structure constituted by them is shown in Figure 1. From the perspective of pulse analysis, the time generator mainly generates a voltage signal, namely rectangular pulse, the LPF part of the low-pass filter will conduct pulse modulation to Gaussian pulse, and the ND part of the negative group delay will produce the phenomenon of phase advance and group velocity advance. On the time axis, the pulses at the C end appear before the pulses at the B end, but neither exceeds the actual pulse generator, the rectangular pulse at the A end, and thus does not violate causality. In addition, when the LEDs are connected at B and C, the light on the C terminal is bright earlier than that on the B terminal.

Figure 1.

Experimental schematic diagram of negative group delay and the pulse relationship on the time axis

II.
Mathematical Principles
A.
Principle of Negative Group Delay in Signal Transmission

Group velocity refers to the overall propagation velocity of wave train or the envelope propagation velocity of wave. In dispersive media, it is defined as: (1) vg1=dkdω|ω0 {\rm{v}}_{\rm{g}}^{- 1} = {{{\rm{dk}}} \over {{\rm{d}}\omega}}|_{\omega _0}

Where k=k(ω) is the wave function related to frequency ω. In a dispersive medium, the phase shift ϕ(ω) is related to the wave function as follows: (2) ϕ(ω)=k(ω)L \phi \left(\omega \right) = - {\rm{k}}\left(\omega \right){\rm{L}}

Where L represents the channel length of wave train signal transmission, and the delay of group velocity is defined as: (3) td=dϕdω|ω0 {{\rm t_d}} = - {{{\rm d}\phi} \over {{\rm d}\omega}}|_{\omega _0}

After substitution, it will be as: (4) td=d(kL)dω=dkdωL=vg1L {{\rm t_d}} = - {{{\rm d}\left({- {\rm kL}} \right)} \over {{\rm d}\omega}} = {{{\rm dk}} \over {{\rm d}\omega}}{\rm L} = {\rm v}_{\rm g}^{- 1}{\rm L}

Combined with signal propagation in vacuum, the total time of signal transmission is: (5) ttotal=Lc+td {{\rm t_{total}}} = {{\rm L} \over {\rm c}} + {{\rm t_d}}

Combined with the definition of speed, it can be concluded that the actual speed of signal transmission in the channel is: (6) vg=Lttotal {{\rm v_g}} = {{\rm L} \over {{{\rm t_{total}}}}}

Then, the relationship between group velocity, light speed and propagation time can be as follows: (7) 1vg=1c+tdL {1 \over {{{\rm v_g}}}} = {1 \over {\rm c}} + {{{{\rm t_d}}} \over {\rm L}}

For the normal positive group delay state, td > 0, then vg<c, the speed is less than the speed of light.

In an unconventional state, the output wave is required to arrive earlier than the input wave, that is, the group delay is required to be negative, that is, td < 0. Here we can also analyze two situations:

If (−td) < L / c, then vg>c, which is superluminal in the narrow sense.

If (−td) > L / c, then vg < 0. At this time, negative group velocity is realized, which is the main research objects of this paper.

B.
Group Delay Principle in Electronic Circuits

The relationship between input and output waves in an electronic circuit is as follows: (8) vout(t)=(h*vin)(t)=vin(ttd) {{\rm v_{out}}}\left({\rm t} \right) = \left({{\rm h}*{{\rm v_{in}}}} \right)\left({\rm t} \right) = {{\rm v_{in}}}\left({{\rm t} - {\rm {t_d}}} \right)

Where h(t)= δ(t–td), is the impulse response, and td is the delay time of the output signal envelope.

Fourier expansion is used to obtain the following relations: (9) Vout(ω)=H(ω)Vin(ω) {{\rm V_{out}}}\left(\omega \right) = {\rm H}\left(\omega \right){{\rm V_{in}}}\left(\omega \right) (10) H(ω)=h(t)eiωtDdt=exp(iωtD) {\rm H}\left(\omega \right) = {\int_{- \infty}^\infty {{\rm h}\left({\rm t} \right){\rm e}} ^{- {\rm i} \omega {{\rm t_D}}}}{\rm dt} = \exp \left({- {\rm i}\omega {{\rm t_D}}} \right)

When negative group delay (group velocity faster than light speed) is realized in electronic circuit, the fidelity of the original input signal should be as low as possible, and the phase shift should be easy to analyze. Therefore, the ideal amplitude should be equal to 1 and the phase shift should be linear. According to the characteristics of the electronic circuit, the amplitude and phase shift of the transfer function H(ω) of the circuit are defined respectively [5]: (11) A(ω)H(ω)=1 {\rm A}\left(\omega \right) \equiv \left\| {{\rm H}\left(\omega \right)} \right\| = 1 (12) ϕ(ω)argH(ω)=ωtD \phi \left(\omega \right) \equiv \arg {\rm H}\left(\omega \right) = - \omega {{\rm t_D}}

Combined with the definition of group delay, the group delay is: (13) td=dϕdω|ω0=tD {{\rm t_d}} = - {{{\rm d}\phi} \over {{\rm d}\omega}}|_{\omega _0} = {{\rm t_D}}

C.
Processing of Transfer Functions

In practical circuits, complex numbers are directly used to express circuit characteristics. Here, the mathematical relationship between transfer function, amplitude function, phase shift function and group delay is explained. Since the response function is an imaginary number, incombination with the way of deriving the transfer function in the actual electronic circuit, the expression can be transformed, then other parameters can also be transformed accordingly: (14) H(ω)=a+ib {\rm H}\left(\omega \right) = {\rm a} + {\rm ib} (15) A(ω)=|H(ω)|=a2+ω2b2 {\rm A}\left(\omega \right) = \left| {{\rm H}\left(\omega \right)} \right| = {{\rm a}^2} + {\omega ^2}{{\rm b}^2} (16) ϕ(ω)=argH(ω)=arctan(bωa) \phi \left(\omega \right) = \arg {\rm H}\left(\omega \right) = \arctan \left({{{{\rm b}\omega} \over {\rm a}}} \right)

Under certain conditions, an approximation can be made as follows: (17) limbω/a0ϕ(ω)=limbω/a0arctan(bωa)=bωa \mathop {\lim}\limits_{{\rm b}\omega /{\rm a} \to 0} \phi \left(\omega \right) = \mathop {\lim}\limits_{{\rm b}\omega /{\rm a} \to 0} \arctan \left({{{{\rm b}\omega} \over {\rm a}}} \right) = {{{\rm b}\omega} \over {\rm a}} (18) td=dϕdω|ω0=ba {{\rm t_d}} = - {{{\rm d}\phi} \over {{\rm d}\omega}}|_{\omega _0} = - {{\rm b} \over {\rm a}}

When both a and b are positive or negative, the case of negative group delay is realized.

III.
Three typical amplifier circuits

In order to design the electronic circuit for low frequency negative group delay phenomenon, the RC amplifier electronic circuit is mainly used, where the impedance function of capacitor C is related to imaginary number and frequency, and there is a relatively simple and suitable transfer function. This section describes the three simplest RC amplifier electronic circuits, and analyzes in detail how to calculate the circuit's transfer function, the associated amplitude and phase shift, and the effects of simulation tests. It should be noted that, in order to explain the mathematical principle of amplifier circuit, this section introduces the simplest circuit model, the simulation effect is not ideal, but there are obvious phenomena, the actual used circuit is expanded and applied on this basis.

A.
A First-order Low-pass Filter Which Can Only Achieve Positive Group Delay

The simplest RC amplifier circuits, shown in Figure 3, is a first-order low-pass filter, but can only achieve the function of positive delay.

The bandpass amplifier itself has three interfaces, which are positive interface, negative interface and output connection interface. Amplifiers with five interfaces can also be found in practical applications. In analog software for electronic circuits and in practical use of electronic components, the amplifier has five interfaces, and two additional interfaces are used to connect the amplifier's driving power supply. In the actual experiment, the driving power of the amplifier needs to consider how to set up and how to set up in the test platform, but it does not affect the analysis of the circuit effect in the theoretical stage, and this part will not be discussed in the subsequent analysis. Generally, the positive interface of the amplifier is mainly connected with the input end and its related electronic components, and the negative interface is mainly connected with the output end and its related electronic components.

The transfer function of the electronic circuits shown in Figure 2 is: (12) H(ω)=VoutVin=11+iωRC=11+iωT {\rm H}\left(\omega \right) = {{{{\rm V_{out}}}} \over {{{\rm V_{in}}}}} = {1 \over {1 + {\rm i}\omega {\rm RC}}} = {1 \over {1 + {\rm i}\omega {\rm T}}}

Figure 2.

A first-order RC circuits with positive group delay

As can be seen from the above analysis, the parameters related to frequency ω will finally be presented in the calculation results of group delay. Considering the characteristics of the circuit itself, let T = RC be called the time constant of the circuit, that is, the relation between the transfer function and frequency and time constant is as follows: (13) H(ω)=11+iωT=1iωT1+ω2T2 {\rm H}\left(\omega \right) = {1 \over {1 + {\rm i}\omega {\rm T}}} = {{1 - {\rm i}\omega {\rm T}} \over {1 + {\omega ^2}{{\rm T}^2}}}

The amplitude and phase shift are: (14) A(ω)=|H(ω)|=11+ω2T2 {\rm A}\left(\omega \right) = \left| {{\rm H}\left(\omega \right)} \right| = \sqrt {{1 \over {1 + {\omega ^2}{{\rm T}^2}}}} (15) ϕ(ω)=arctan(ωT) \phi \left(\omega \right) = \arctan \left({- \omega {\rm T}} \right)

For convenience of estimation, the amplitude response when ωT~0 is approximately 1 (slightly less than 1), that is, the shape of the input pulse does not undergo much deformation, and the approximate group delay thus obtained is: (16) td=dϕdω|ω0~T {{\rm t_d}} = - {{{\rm d}\phi} \over {{\rm d}\omega}}{|_{{\omega _0}}} \sim {\rm T}

Because T = RC > 0, it is positive group delay. Even without any restriction on frequency, the phase shift is always positive. Therefore, the circuit design can only get positive group delay in the whole frequency band. With the increase of input pulse frequency, the phase shift function can no longer be approximated as a linear function, and the delay time becomes smaller and smaller and approaches 0, but will not be negative.

The simulation effect of the circuit is shown in Figure 3. Red is the input pulse and blue is the output pulse. It can be seen that the output signal does delay on the time axis.

Figure 3.

Simulation effect of first-order RC circuits with positive group delay

B.
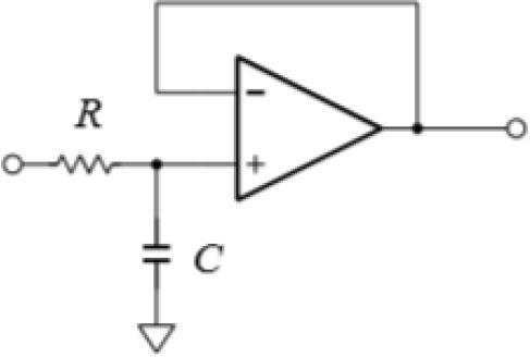
A First-order Low-pass Filter with Negative Group Delay

Figure 4 shows another simple first-order low-pass filter, which can realize the negative group delay phenomenon. The circuit characteristics and transfer function characteristics are analyzed in detail below.

Figure 4.

A first-order RC circuits with negative group delay

The transfer function, amplitude and phase shift of the circuit are: (17) H(ω)=VoutVin=1+iωT {\rm H}\left(\omega \right) = {{{{\rm V_{out}}}} \over {{{\rm V_{in}}}}} = 1 + {\rm i}\omega {\rm T} (18) A(ω)=|H(ω)|=1+(ωT)2 {\rm A}\left(\omega \right) = \left| {{\rm H}\left(\omega \right)} \right| = \sqrt {1 + {{\left({\omega {\rm T}} \right)}^2}} (19) ϕ(ω)=arctan(ωT) \phi \left(\omega \right) = \arctan \left({\omega {\rm T}} \right)

According to the calculation method of group delay, the group delay is negative, that is, the negative group delay is realized, ω ≪1/ T, amplitude response approximately 1, no large deformation of the input signal is generated, and the phase shift can be approximated as follows: (20) ϕ(ω)~ωT \phi \left(\omega \right) \sim \omega {\rm T} (21) td~T {{\rm t_d}} \sim - {\rm T}

After taking the first derivative of frequency, the group delay is:

This is the simplest kind of negative group delay circuits. As the frequency of the input signal increases, the effect of negative group delay becomes smaller and smaller, and finally approaches 0.

Figure 5 shows its simulation effect under sine. Red is the input pulse, blue is the output pulse, from the time axis, the output pulse does arrive earlier than the input pulse effect. However, it should also be noted that the first-order filter has a large distortion problem, and it is found in the test that the distortion of the first-order circuit at high frequency is almost destructive. Therefore, in practical application, this circuit cannot be directly used, and further modification is needed.

Figure 5.

Simulation effect of first-order RC circuits with negative group delay

C.
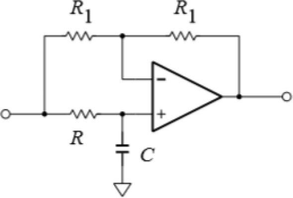
A First-order All-pass Filter that can be used to Modulate An Input Pulse Signal

As shown in Figure 6, the simplest all-pass filter that can filter rectangular signals is introduced to generate input signals with different requirements in the circuit. It can only achieve positive group delay by itself, but the input pulse generated thereby will play a certain role in future exploration and analysis of group favela phenomenon.

Figure 6.

A first-order filter for modulating the input pulse

This circuit is a little more complicated than the first two, in that the input is connected not only to the ground terminal and the amplifier positive, but also to the amplifier negative, so the current direction in the circuit needs to be carefully analyzed in order to analyze the voltage situation. The signal entering from the input terminal is divided into two parts at the first node, one goes right to the resistor R, capacitor C and ground terminal, and the other goes up to the two series resistors R1 and the output terminal.

As shown in Figure 6, is the first-order all-pass filter, and its transfer function is: (22) H(ω)=VoutVin=1iωT1+iωT=1ω2T22iωT1+ω2T2 {\rm H}\left(\omega \right) = {{{{\rm V_{out}}}} \over {{{\rm V_{in}}}}} = {{1 - {\rm i}\omega {\rm T}} \over {1 + {\rm i}\omega {\rm T}}} = {{1 - {\omega ^2}{{\rm T}^2} - 2{\rm i}\omega {\rm T}} \over {1 + {\omega ^2}{{\rm T}^2}}}

Its amplitude response is exactly 1, which requires no approximation, but the phase shift is complicated: (23) A(ω)=1 {\rm A}\left(\omega \right) = 1 (24) ϕ(ω)=arctan(2ωT1ω2T2) \phi \left(\omega \right) = \arctan \left({{{- 2\omega {\rm T}} \over {1 - {\omega ^2}{{\rm T}^2}}}} \right)

Computes the group delay is always greater than zero, so this is a positive group delay circuit, mainly used for filtering, can be simple to use stable voltage signal of rectangular pulse, pulse signal is converted to a certain, as shown in Figure 7, red for the input of rectangular pulse, blue for the output pulse, visible had made a certain processing of signal, on the basis of optimizing circuit, Capable of generating a Gaussian pulse that can be used for subsequent testing.

Figure 7.

Simulation results of first-order filter modulating rectangular pulse

IV.
Design and analysis of electronic circuits

Referring to the model proposed by T. Nakanishi, K. Sugiyama and M. Kitano [4], as shown in Figure 8, a pulse generator, two second-order Bessel low-pass filters and two negative group delay circuits are successively connected in the circuit. Two LEDS are connected before and after the two negative group delay circuits to display the phenomenon that the output end is brighter than the input end. In order to analyze the signal condition, two LED parts are connected to the same oscilloscope in software simulation [3].

Figure 8.

The electronic circuit realizing the negative group delay phenomenon

A.
Pulse Generator

The function of the first part of the pulse generator is to generate a suitable Gaussian pulse, which is mainly composed of a rectangular pulse generator and two second-order Bessel filters.

After the switch is closed, a rectangular pulse is generated, and then a Gaussian pulse is generated by filtering through the filter.

The analysis focuses on the parts of two second-order Bessel filters, which filter the rectangular pulse into approximate Gaussian pulse in the circuit, which can carry the signal in application. As shown in Figure 9, similar to the all-pass filter analysis method introduced in the previous section, its transfer function is: (25) HB(2)=11+iωαT+13(iωαT)2 {\rm H}_{\rm B}^{\left(2 \right)} = {1 \over {1 + {\rm i}\omega \alpha {\rm T} + {1 \over 3}{{\left({{\rm i}\omega \alpha {\rm T}} \right)}^2}}}

Figure 9.

Second-order Bessel filter

Particularly, T = 1.272R1C1, α=R3R2=0.268 \alpha = {{{{\rm{R}}_3}} \over {{{\rm{R}}_2}}} = 0.268

B.
Negative Group Delay Circuits

Based on the second circuit in the previous section, C′ and R′ are added to optimize, suppress amplitude gain in the transfer function and, more importantly, suppress the large distortion of the signal caused by fast gain at high frequencies. The negative group delay circuit used in this design method is shown in Figure 10 [2]. According to the above calculation method, the transfer function can be obtained as follows: (26) H(ω)=VoutVin=1+iωT(1+iωaT)(1+iωbT) {\rm H}\left(\omega \right) = {{{{\rm V_{out}}}} \over {{{\rm V_{in}}}}} = 1 + {{{\rm i}\omega {\rm T}} \over {\left({1 + {\rm i}\omega {\rm aT}} \right)\left({1 + {\rm i}\omega {\rm bT}} \right)}}

Figure 10.

Negative group delay electronic circuit

Particularly, T=RC, a ≡ C′/C, b=R′/R, note C′ ≪ C, R′ ≪ R when selecting component parameters to facilitate approximate calculation. (27) H(ω)~1+iωT {\rm H}\left(\omega \right) \sim 1 + {\rm i}\omega {\rm T} (28) A(ω)=|H(ω)|~1 {\rm A}\left(\omega \right) = \left| {{\rm H}\left(\omega \right)} \right| \sim 1 (29) ϕ(ω)=argH(ω)~ωT \phi \left(\omega \right) = \arg {\rm H}\left(\omega \right) \sim \omega {\rm T}

In the lower frequency band, the amplitude response is close to 1, the input pulse basically does not produce deformation, and the negative group delay is close to T. In order to facilitate estimation, the approximate response function is equal to the simple circuit before modification, but in fact, due to the existence of a and b, the high-frequency part of the input pulse can be better suppressed, which makes the pulse fidelity better, and the phenomenon of negative group delay more stable.

V.
Simulation

According to the above analysis results, choose the appropriate electronic simulation software, build the circuit in the simulation software, test its pulse advance phenomenon, and do a preliminary comparative experiment. Theoretically, a negative group delay circuits can get about 220 ms ahead, and two circuits in series can get about 440 ms ahead.

A.
Circuit Structures

In accordance with the way of circuit construction, the effect of circuit is simulated in the circuit simulation software, and the input and output of the negative group velocity delay part are connected to the same oscilloscope, so as to analyze the sequence of input pulse and output pulse on the same time axis. Figure 11 shows the electronic circuit built in the software simulation. All the electronic components are set in the ideal state. Two second-order Bessel filters are connected in series in part of the low-pass filter, and two negative group delay circuits are also connected in series. Figure 12 shows the oscilloscope display, in which the red pulse is the rectangle pulse initially generated; The green pulse is the Gaussian pulse generated after the filter, that is, the input pulse of the negative group delay circuits. The blue pulse is the output pulse.

Figure 11.

Electronic route built in simulation software

Figure 12.

Simulation results of negative group delay phenomenon

As can be seen by naked eyes, on the time axis, the output pulse arrives earlier than the input pulse. Using the ruler to test, it can be found that the peak value comparison between the input pulse and output pulse does produce about 0.5 seconds earlier, which is more consistent with the theoretical value. It can also be noted that neither the input pulse nor the output pulse precedes the rectangular pulse that originally generated the signal, so there is no violation of causality.

B.
Change the Number of Filter Ratio Test

On the basis of the above circuits, the number of Bessel filters and negative group delay electronic circuits were simply adjusted to simulate the experimental effect of the circuit, and the changes in advance and pulse peak values were compared. The experimental results are shown in Table 1. Where BF represents the number of Bessel filters, NGD represents the number of negative group delay circuits, NDT represents the time of negative delay, IPP represents the peak value of output pulse, OPP represents the peak value of output pulse, and AMP represents the amplitude response of the transfer function [7].

TABLE I.

Simulation results of adjusting the ratio of the number of bessel filters and negative group delay circuits

BFNGDNDT/msIPP/VOPP/VAMP
212142.5772.6851.042
224272.5772.811.090
236152.5773.0071.167
248032.5773.2151.248
312052.6772.7541.029
324792.6772.8371.060
336152.6772.9461.101
348212.6773.0531.140
351027
361164
412562.9032.9681.022
424622.9033.0361.046
437012.9033.1161.073
448892.0933.1871.098
451068
461099
471294
512053.2293.2881.018
524623.2293.3511.038
537523.2293.4321.063
549063.2293.481.078
551050
561205
571378
612223.6523.7091.016
624273.6523.7671.031
637013.6523.8291.048
649403.6523.9021.068
651022
661265
671425
712394.1794.2361.014
724444.1794.2951.028
737184.1794.3581.043
748894.1794.461.067
75933
761134
771283
812054.8274.8861.012
824444.8274.9461.027
836844.8275.0081.037
848554.8275.0641.049
851004
861199
871283
912395.6185.6781.011
924445.6185.741.022
936155.6185.8031.033
948895.6185.8721.045
951060
961186
971345
1012516.5036.5651.010
1024746.5036.631.020
1036696.5036.6971.030
1048656.5036.7621.040
1051088
1061199
1071381

The number of Bessel filters changed from 2 to 10, and the number of negative group delay circuits changed from 1 to 7. When there are more than 4 negative group delay circuits, pulse deformation and resonance interference are very serious, and it is difficult to measure the peak value of output pulse. Therefore, amplitude changes are only measured to 4 negative group delay circuits. In addition, when the Bessel filter is small, too many negative group delay circuits will also make it impossible to measure, so the data is not completely complete, but it does not affect the observation and analysis of the general trend.

The lead time and amplitude of the experiment were plotted to analyze the initial effect of the two parts of the circuit [6].

Figure 13 and Figure 14 show the changes of negative delay and amplitude response as the number of negative group delay circuits increases under different number of Bessel filters.

Figure 13.

The variation of delay time with the number of circuits under different Bessel filters numbers

Figure 14.

Amplitude response varies with the number of circuits under different Bessel filters numbers

Figure 13 presents the result of analysis, with the increase of number of negative group delay circuit, negative time delay value is higher and higher, and its value will not because of the change in the number of Bessel filter showed significant difference between the two, that is, under the condition of the input pulse conform to the requirements of the circuit, the more negative group delay circuit, the negative effect of time delay, the better, The main variable of the specific delay value is the number of negative group delay circuits, and the relevant value of input pulse is not the main influencing factor.

Analysis of the relationship presented in Figure 14 clearly shows that the amplitude response relationship has different performance. The number of negative group delay circuits and the number of Bessel filters are very important. With the increase of the number of negative group delay circuits, the impulse response increases obviously, but with the increase of the number of Bessel filters, the increase of impulse response will be inhibited. It can be seen that both the parameter characteristics of the negative group delay circuits and the important parameters of the input pulse have a great influence on the amplitude response of the circuit. In the specific simulation process, with the increase of negative group delay circuits, the distortion of the output pulse becomes more and more obvious. When there are more than four negative group delay circuits, the pulse has shown a large deformation, and more than seven circuits are connected in series, and the shape of the pulse can not be identified.

Figure 15 and 16 show the changes of negative delay time and amplitude response as the number of Bessel filters increases in the case of different number of negative group delay circuits. The results presented match those of the first two figures. The number of Bessel filters reflects the difference of input pulse. Under the condition of the circuit, it has no direct influence on the negative delay time, but has a more obvious influence on the amplitude response. The number of negative group delay circuits represents the characteristics of negative group delay electronic circuits (namely the transfer function), which has a very obvious effect on the negative delay time and amplitude response.

Figure 15.

The change of negative delay time with the number of Bessel filters under different number of negative group delay circuits

Figure 16.

The amplitude response varies with the number of Bessel filters under different number of negative group delay circuits

The Bessel filter part is equivalent to the actual process of modulating a signal, generating an input pulse; The subsequent negative group delay circuits is the main research part of negative group delay and faster-than-light phenomenon. It is worthy of further analysis in subsequent experimental exploration and practical application, especially the effect of parameters and number of negative group delay circuits, which is the most important influencing factor.

C.
LED Effect Simulation

The input and output ends of the analog circuit are respectively connected with LED, and the sequence of lighting is recorded by recording the screen time axis. The results are shown in Figure 17. The input lamp represents the input end of the negative group delay circuits, the output1 lamp represents the output end of one negative group delay circuits, and the output2 lamp represents the output end of two negative group delay circuits. The four-digit time axis is hour, minute, second, and sixtieth of a second respectively. When converted into milliseconds, the data in Table 2 can be obtained. It can be seen that the simulation effect of LED has a relatively obvious advance, and it matches the theoretical calculation and oscilloscope measurement results.

Figure 17.

LED simulation results

TABLE II.

LED simulation results conversion

PortTime CodeUnit Conversion/msTime Delay/ms
Input06:036050.000
Output105:495816.667-233.333
Output205:315516.667-533.333
VI.
Conclusion

Faster-than-light or negative group velocity pulse propagation is contrary to conventional wisdom and can be misleading [8]. Einstein's theory of relativity states that nothing can travel faster than light in a vacuum. But negative group velocities are the result of interference between waves of different frequencies, consistent with relativistic causality. Using the negative group delay circuits, the rising part of the input Gaussian pulse is increased, while the falling part of the Gaussian pulse is suppressed. The pulse shape can be maintained, but the output wave arrives earlier than the input wave in terms of time.

This paper mainly introduces the principle and simulation test of a RC negative group delay circuits with good demonstration effect, which can realize the phenomenon of signal advance of second magnitude in low frequency band. Among them, the first order positive delay, the first order negative delay and the transfer function calculation of the first order filter are analyzed in detail, in order to facilitate the actual use of more complex circuit analysis. Finally, the electronic circuit is tested by software simulation, and a good phenomenon is obtained. This paper mainly focuses on the analysis of the circuit principle. After simulating the signal modulation under the actual situation, negative group delay is used to modulate the phase advance effect, etc. For other principles contained in it, further research and testing will be carried out in the future.

The phenomenon of negative group delay can be understood as superluminal in a broad sense, but its main principle is the advance of signal phase and the advance of group velocity of envelop signal. Because envelop can carry certain information, this research is of great significance to the compensation of time delay in signal transmission.

Language: English
Page range: 46 - 57
Published on: May 26, 2023
Published by: Xi’an Technological University
In partnership with: Paradigm Publishing Services
Publication frequency: 4 issues per year

© 2023 Han Shen, Zhongsheng Wang, published by Xi’an Technological University
This work is licensed under the Creative Commons Attribution-NonCommercial-NoDerivatives 4.0 License.