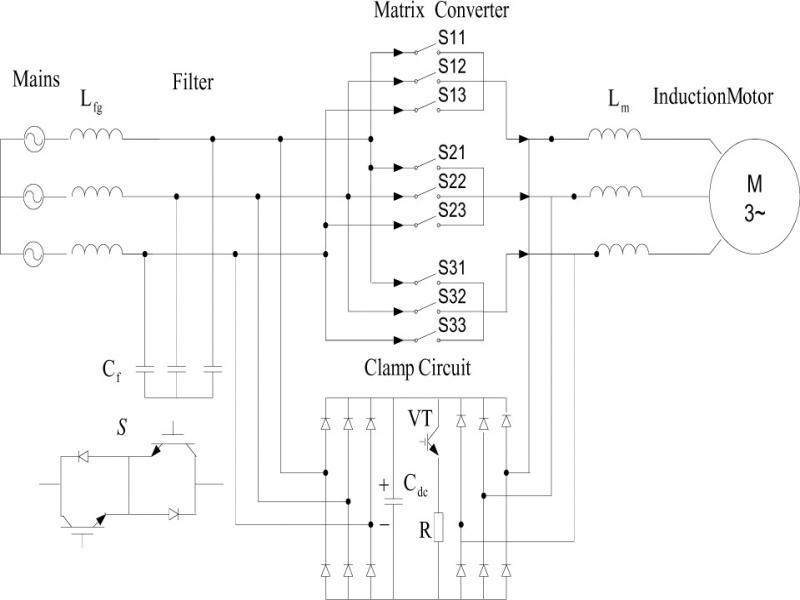
Figure 1.

Figure 2.

Figure 3.

Figure 4.

Figure 5.

Figure 6.

Figure 7.

Figure 8.

Figure 9.










© 2022 Shuping Xu, Yichen Chang, Xiaohui Su, Yu Guo, published by Xi’an Technological University
This work is licensed under the Creative Commons Attribution 4.0 License.