Matrix converter output frequency is independent of input frequency limits, no DC link, small size, compact structure, good quality of input / output current, input power factor adjustable, and can be achieved two-way flow of energy. It is in line with the ideal standard of electric drive and expected to become the mainstream technology of future Electric transmission[1-3]. The biggest obstacle of hinder matrix converter access to industrial application is low voltage transfer. In the line shape modulation, the maximum of voltage transfer ratio of matrix converter is 0.866[4-5].
Therefore, scholars have proposed various solutions. Matrix converter motor system is a combination of both matrix converter and motor, so control strategy is also a combination of matrix converter and motor control method. This paper proposed the concept of matrix converter motor system aimed at the problems of matrix converter enter into industrial applications, and researched the control strategy of matrix converter motor system combined with matrix converter control method and the motor speed method.
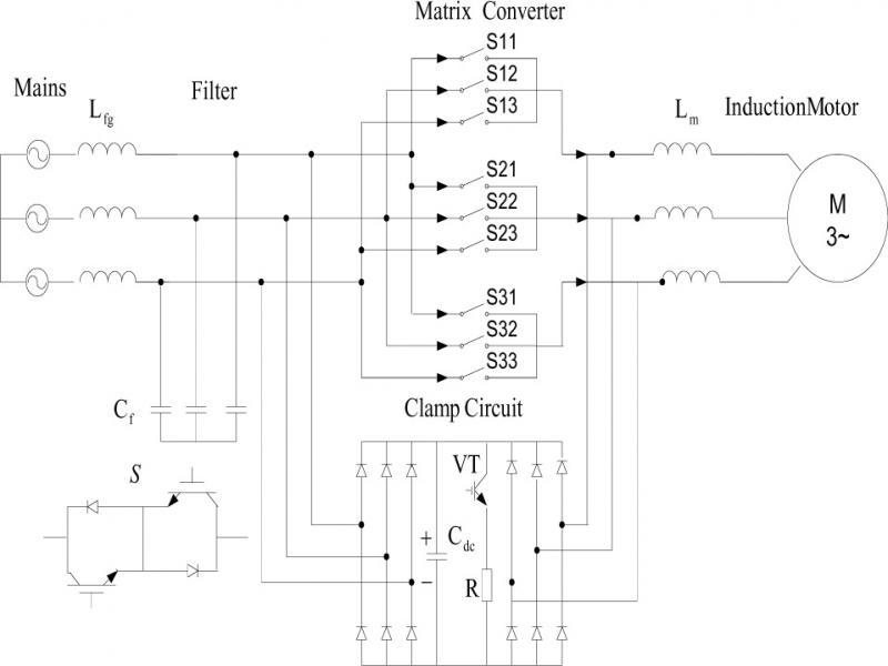
Matrix converter motor system is composed of matrix converter, matrix converter motor, input filter, clamp circuit and other components shown in Figure 1.
Figure 1.
The topology of the matrix converter motor system

In which, the rated magnetic flux of Matrix converter motor design based on the maximum voltage transfer ratio of 0.866 of matrix converter to meet the requirements of matrix converter voltage transfer ratio and take into account the integration issues with the matrix converter.
In order to filter the high harmonic in input current caused by the switch frequency, matrix converter motor system needs to set the input filter. View from the power side of the matrix converter is a current source, so a LC second order filter circuit adopted, the design criteria of LC input filter as follows: cutoff frequency of input filter should be lower than the switch frequency; the power factor angle offset caused by the filter should be minimum under the minimum output power set; A certain voltage and electric resistance, minimize size or weight of the input filter by selecting capacitors with different power density; At rated current, the voltage caused by filter inductor should be drop the minimum to reduce adverse effects to voltage transfer ratio.
Three-phase / three phase matrix converter consists of 9 two-way switches. Two basic principles of Matrix Converter Control Strategies as follows: Two input phase can not be connected meanwhile to an output phases to prevent short circuits; any output phase must ensure that an input is linked in order to prevent inductive load open circuit. Constraints in the above principles, matrix converter has a total of 27 switch states.
Matrix converter control strategy has switch function method, dual-voltage vector method, space vector modulation method and hysteresis current tracking method. Switching function method is calculated the duty cycle of 9 switches by the relationship between the actual inputs of inverter and the input requirements[6]. Dual voltage synthesis method is in each switching cycle, used linear combinations of the two input lines voltage to synthesize output line voltage of two phase law[7]. Space vector modulation method is based on the virtual DC link ideas, the matrix converter is equivalent to the dual PWM converter of abolition DC link, and used space vector modulation to both rectifier link and inverter link which equivalent AC - DC - AC structure, and then back to matrix converter[8]. Hysteresis current tracking method use hysteresis track on the output current to track the reference current[9].
Motor control strategy has VVVF control, vector control and direct torque control. Through the speed regulator, VVVF control can achieve closed loop of speed; Vector control to achieve double closed loop of rotate speed and torque component of stator current, in which rotate spend loop is the outer ring, torque component of stator current for the inner ring; Direct torque control achieve double-loop of speed and torque; where speed loop for the outer ring, the torque for the inner ring.
For the vectors relationship between flux voltage and current in permanent magnet synchronous motor, d, q coordinate system fixed in the rotor coordinate system; x, y coordinate system fixed to the stator rotating coordinate system, stator flux φ ={φd,φq}T as state vector, stator current i = {id, iq}T as output vector U = {ud, uq, φf }T as the input vector. So the motor properties model can be rewritten in matrix form as follows:
φd, φq are the axis flux; ud,uq are the axis voltage.
In practice, there is not all state variables can be measured directly, so we can reconstruct state variables by variables can be measure in system to construct a system identical to the original artificially system. The system is constructed artificially, so its state variables can be measured completely.
Construction System:
Known by the above equation: When
changes that made the deviations of ψs and
The state estimation error of observer can be obtained from Figure 1 is
The pole of observer is the eigenvalues of(A-GC) which is important to observer performance. Usually pole placement of observer should make the response speed of observer faster than the system model. That can make the observation error fast convergence. To get the eigenvalues of (A - GC), this paper used induction motor pole configuration method in documents, that is the method of pole placement of observer configured direct proportional to motor model.
Consider the poles of motor, that is, the eigenvalues of |sI - A| = 0 that eigenvalues of the following formula:
Two poles can be got:
Set observer poles is k times than motor poles, that is, OS1 = kS1 OS2 = k-S2
The position of the motor poles and observer’s poles k =1.2 in the article.
Using the powerful scientific computing advantages of Matlab and control system toolbox, according to the robust pole assignment algorithm and equation, the gain matrix of the observer G can be solved. Among them, P is the desired observer pole vector.
G = place (A’,C’,P)’
Control Strategy of Matrix Converter Motor System is essentially a combination of matrix converter control and motor control.
The current study generally is matrix converter space vector and motor VVVF control. VVVF control obtained the amplitude and frequency of reference output voltage, matrix converter space vector modulation of matrix converter achieved input power factor correction and output voltage generation. This only on the speed closed-loop, it can not meet the speed requirements of high-performance motor system. Because in the space vector modulation, the duty cycle calculation is entirely based on ideal input and expectations output, it unrelated to the actual input and output and non-suppression to harmonic, robustness of the input, voltage space vector can be introduced as a negative feedback to closed loop control[10].
Hysteresis current comparison method can combine with vector control, namely use vector control to the motor and obtain the stator three-phase reference current to control matrix converter by using hysteresis current comparison method, which specific realization can be divided into indirect and direct method by whether to adopt the virtual DC link thought.
Concrete realization of the direct method as follows: When hysteresis current comparator requires to increase a phase current, at this time turn-on the input voltage maximum phase; when hysteresis current comparator requires to decrease a phase current, at this time turn-on the input voltage minimum phase [11].
Indirect method is the matrix converter equivalent to the AC - DC - AC structure of abolition of DC link, in which hysteresis current comparison method control inverter part, and output voltage of the rectifier linkUpn is the DC bus voltage of inverter link. DC bus voltage of equivalent AC - DC - AC structure is a three-phase input line voltage and fluctuate range from zero to the maximum of input line voltage. Therefore, the DC bus voltage of equivalent AC - DC - AC structure is present of high, middle and low range of options. The range of high voltage including [0.866U max, U max], the range of middle voltage including [0.5Umax, 0.866Umax], the range of low voltage including [0, 0.5 U max], U max is the maximum of input line voltage.
It can be seen that the direct method is essentially an indirect method of DC bus select the high voltage.
Hysteresis current comparison method set up the premise that the DC bus voltage is greater than the motor stator EMF. When the DC bus voltage of the matrix converter is equivalent to the AC - DC - AC structure is small, there may be turn up the situation of the DC bus voltage less than the stator EMF. At this point, hysteresis current comparison method to actual control on the current effect opposite to expectations and consequently exacerbated, this will increase current and torque ripple and reduce system performance. Therefore, the DC bus voltage chooses generally high voltage.
Simulate research to matrix converter motor system vector control of adopted hysteresis current comparison method using Matlab/Simulink. In which DC bus voltage use high voltage and motor use the three-phase four-pole squirrel-cage induction motor. Rs = 0.087Ω, Rr = 0.228Ω, Ls = Lr = 8mH, Lm = 34.7mH and current hysteresis width is 2A. Initialize torque as the value of 0N.m, 1.5S step to 200N.m; speed set 120rad / s. Speed controller adopt PID controller. Simulation waveform of vector Control of Matrix Converter Motor System is shown in Figure 2 to Figure 3.
Figure 2.
The rev and torque of motor

Figure 3.
The stator electrical current of A

The control of the rectifier part is only provided DC bus voltage to the inverter, actually we can through adopt space vector modulation to achieved power factor correction to the input the rectifier, but there is a problem that when the output voltage as middle voltage or zero voltage in the rectification part, hysteresis current comparative method in the inverter failure and thus effect the vector control. The waveform of rectifier link using space vector modulation simulation is shown in Figure 4 to Figure 5.
Figure 4.
The rev and torque of motor

Figure 5.
The stator electrical current of A

Space vector modulation can also be combined with vector control, stator reference current obtain by vector control convert into the stator reference voltage, using space vector modulation, input power factor get from rectification links and inverter part generated the requirements reference voltage[12].
The combination of direct torque control and matrix converter control can be interpreted using matrix converter output voltage space vector.
Three-phase / three phase matrix converter has a total of 27 switch states and corresponds to the 27 voltage vectors. They can be divided into three categories: ①zero voltage vector; ②amplitude changes, voltage vector of constant phase angle; ③ fixed amplitude, voltage vector of phase angle. Direct torque control to qualitative control of torque and stator flux amplitude by using hysteresis comparator. The phase angles of voltage vector determine its nature of the role of change stator flux and torque and amplitude determine the size. The fluctuation of voltage vector amplitude does not affect the feasibility of direct torque control. For the third type of voltage vector, system requires real-time information of voltage vector phase angle to determine its change role to torque and flux. In order to reduce the burden on the system, the matrix converter motor direct torque control system generally select only the first and second voltage vector. Therefore, there are three different voltage vector amplitude has the same phase angle any time, the presence of high, medium and low options. Following paper will analyses high, medium and low voltage vector effect on the system performance.
Because the same sampling time, the higher voltage vector magnitude, the greater torque ripple caused, dynamic performance is proportional to voltage vector amplitude.
The torque ripple of direct torque control system can be divided into two categories: First, in the constant sampling period, the torque ripple caused by discrete is proportional to the input line voltage amplitude. Second, torque ripple caused by the failure of the direct torque control. Direct torque control to select the forward voltage vector and increase rotor flux by increasing the angle between stator and torque. This requires the speed of stator flux rotate faster than the rotor flux. Stator flux rotation speed determined by the input line voltage, so when the input line voltage is small, it will apparent the situation of increases the torque by select a system voltage vector but the actual torque decline contrary. The size of the torque ripple and the frequency is inversely proportional to the input line voltage amplitude. Studies show that the high-voltage vector does not appear the failure situation of direct torque control, while medium and low voltage vectors both appearances. Thus, high-voltage vector generally be chosen. Simulate research to direct torque control by using the matrix converter motor system of high-voltage vector and the simulation results shown in Figure 6 to Figure 7.
Figure 6.
The torque and rev of motor

Figure 7.
The error of torque ATe

By selecting the high and medium voltage vector to reduce the torque ripple of direct torque control system, the specific is that select the input line voltage is high when the system is in dynamic; select the input line voltage is middle when the system is in stable, when in the case of failure of direct torque control, select the input line voltage is high and determine the system state according to the size of the torque ripple. Simulated research to the matrix converter motor direct torque control system using this strategy and the simulation results shown in Figure 8 to Figure 9.
Figure 8.
The torque and rev of motor

Figure 9.
The error of torque ATe

By comparison Figure 7 and Figure 9 shows that this improvement strategy can reduce the torque ripple effectively.
In the rectifier link space vector modulation similar to vector control indirect method. The matrix converter is equivalent to the AC - DC - AC structure, control rectifier link using direct torque control and use space vector modulation to inverter link.
This paper proposed the concept of matrix converter motor system aimed at the problems of the matrix converter enter into industrial applications and research the matrix converter motor system control strategy combined matrix converter control method and motor speed method, analyzed the impact of the size of the voltage vector to hysteresis current comparator and direct torque control, and proposed to the improved control strategies of reduce the torque ripple and consider the input power factor control.