Aviation objects are complex electromechanical systems that have many parameters varying in their physical nature and interacting with each other according to the relevant physical laws. In both dynamic and static operating conditions, their current technical condition is affected by these factors differing in their physical nature. The operation of these aviation objects is ensured by automatic control systems, which, in turn, are characterised by transients resulting from both the properties of the system itself and any other external factors [1–6]. The combination of such factors leads to a disturbance in the stability and balance of an automatic control system, resulting in the system coming into a state of stationary forced operation [4–11]. Since the automatic control system is one of the defining elements of aircraft, to ensure its optimal directive functioning, it is necessary to determine and eliminate the influence of external and internal factors that leads to the deviation of the forced mode from the directive (predetermined) one [3–8]. To ensure the optimal functioning of aircraft objects, specialised corrective elements with different frequencies and phase responses are used [4–11]. These elements provide a certain degree of system stability as a whole with certain permissible errors, the degree of which does not significantly affect the achievement of the directive assignment. However, their influence must be prevented and compensated, and in this way, the object stability must be ensured [1–11,12–14].
The mathematical condition for the stability of an automatic control system is a mathematical expression that describes the conditions of rotation and compensation of the disturbance components to a zero. Thus, important elements of the object’s functioning are the control system and its degree of stability [5,6].
The analysis of the physical and mathematical methods used for the optimal functioning of the automated control systems of electromechanical flying objects and the consideration of the corresponding criteria for stability, which comprise an actual scientific and technical task, is considered in this work. It is necessary to take into account the various factors depending on the operating conditions. The obtained solution allows one to ensure reliable operation of aircraft not only in normal conditions, but also in the presence of probable inconsistencies.
The scientific novelty of this work lies in the synthesis and development of new criteria of stability by determining the influence of various factors and ensuring the optimal functioning of automated control systems for aircraft with multiple parameters of a different physical nature.
Appropriate mathematical and computer models have been developed and based on the current analysis, their usage allows to determine the optimal criteria and the limits for ensuring the stability of control-steering systems with multiple parameters of a different physical nature and to ensure reliable operation of many actuators of general and special purpose aircraft, ensuring their operation in different regular and extreme cases of operation
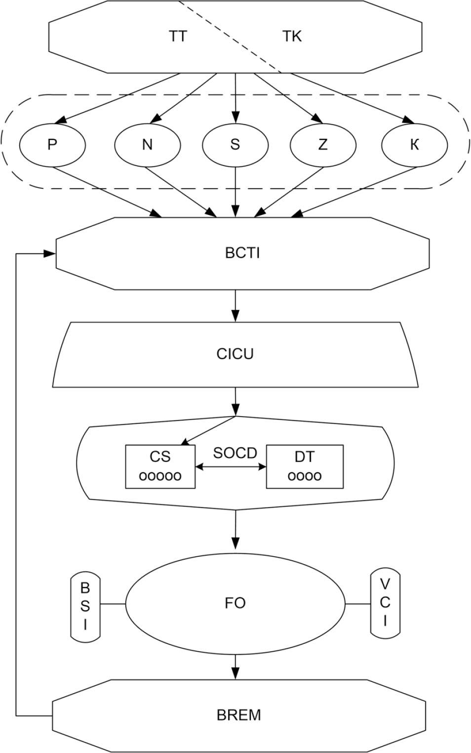
Let us consider the defining methodological approaches to the study and technical support of the stability of the aircraft’s automatic control system. They are multidimensional, stochastic and are featured with complex interrelations between governing, exciting and controlling parameters [5–8]. In addition to the above-mentioned aspects, in some cases, it is necessary to take into account the criteria of optimality that allow achieving the best possible relationship between the components of the object as a whole in normal and extreme situations [5–7,9,10]. It is obvious that to ensure efficient control, it is necessary to simultaneously analyse information about the state of individual sections and units of the entire system by obtaining current information about the equipment and the operating conditions of the actuating mechanisms of electric, hydraulic and thermal drives [5,6,10]. So, to create a full-scale math model of a flying object, firstly, we need to determine its current position in space. In other words, 3 free degrees. Also, it is possible to take into account the time to determine not just a position, but a free degree of a moment, as well. If we add to a model orientation, parameters such as angle, pitch, yaw and roll, the model will became abstract with corresponding properties of seven dimensionalities. Owing to the variability of these parameters, this method allows us to fully research the current state of an object. According to this method, all we need to do to fully describe a model of a flying object is to define the maximum quantity of a variable parameter that can freely change only in certain limits with a corresponding conditions. However, we need to note that in physical–mathematical sources, it is considered that the quantity of free degrees depends on the difference between the quantity of an independent equitation in the model (or system) and the quantity of unknown values. To make our calculations more accurate, we need to set the corresponding initial and final conditions. Therefore, the quantity of free degrees is a set of independent coordinates of changing position of an object with derivatives that define its technical state together with its current position. To make our research effective, we stick to the minimum number of variable values as long as the physical meaning of the process is respected. At the same time, we will solve this issue within the limits of defined connections between the parameters according to variations of five free degrees. The structural diagram of the supposed control system of a multiparametric aircraft object is shown in Fig. 1.

The structural diagram of the flying object’s control system with multiple parameters of a different physical nature. The following designations are accepted in Fig. 1: TT – technical requirements; TK – request for proposal; P – electromechanical actuating mechanisms; N – hydraulic and pneumatic actuating mechanisms; S – thermal and traction mechanisms; Z – mechanisms of attitude control; K – mechanisms of the current thermal state; BCTI – block of current technical information (in respect to the actuators condition); CICU – current information converting unit; SOCD – software-optimisation and control device; CS – corrected signal; DT – directive task of actuators nominal parameters; FO – flying object; VCI – visualisation of current information; BSI – block for saving all information; BREM – unit of recording changing parameters of the corresponding actuators.
Since the parameters to be inspected have a different physical nature, we will classify them according to three generalised characteristic features. Each of the generalised parameters consists of a set of control signals, and the current state inspection of the actuators. This enables us to consider the problem to be solved as a multicriteria one with complex probabilistic and nonlinear interrelationships between the corresponding parameters.
Multiparameter control algorithm represents a set of microprocessor-based and software facilities, which in combination with the controlling elements of actuators serves the purpose to ensure the logical sequence of the full cycle of the object operation. Depending on the control algorithms, the closed circuits of action to actuators with feedback are used in Refs [4–6,12–16]. Optimisational software-and-analytical search of the most effective control will be found according to five generalised parameters, as shown in Fig. 1. The optimal operation criterion of the flying object is ensured by the most optimal combination of a set of control signals, inspection and actuators. These parameters represent five software-and-logic channels that provide the best efficiency of flying object control. The optimality criterion must satisfy a certain integral functional. Since the current parameters of the aircraft object permanently change, the task of the software-and-analytical unit is to find and generate the appropriate signal, which ensures the transition of the entire multiparameter control system and actuators to a new optimal state. This is ensured using a feedback loop, which is formed in the actuators regarding nominal parameters. The control action signals for one process link can be used simultaneously as initial or reference ones to control subsequent links or stages of the control process. The totality of the control channels displays generalised logical information, which must meet the optimal condition at the analysed discrete time instant. Thus, the optimality criterion and its idealisation is a dynamic multicriteria automatic control system [6,10,16].
Efficiency research of the proposed solution was performed under laboratory conditions meeting the five free degrees described in Fig. 2.

Physical model of the flying object in one of its positions in space.
The following designations are accepted in the Fig. 2: 1 – remote control; 2 – microprocessor module; 3 – power block; 4 – booms; 5 – airplane flaps; 6 – airplane propeller; 7 – rudder; and 8 – elevators.
According to the analysis of the obtained results, this model is sufficient for the practice of control position in space. But pitch and yaw were not taken into account, which needs to be done in further researches of searching flying objects in limited space coordinates.
In our case, at each section of the flying object’s current state, the corresponding multiparameter subfunctions of the totality of electrical, mechanical, physical and information parameters at the current time are formed or prescribed. Generalised signals are deterministic functions of variable parameters and time. All parameters in the deterministic system indicate the corresponding control system’s state and the object in different nominal and extreme operating conditions. Support of the necessary criterion of optimality is provided by the adjusting system. Its principle is to find the extremum in accordance with the specified algorithm by the software- and-analytical unit on the basis of the current analysis of information signals. For this purpose, it is necessary for such conditions when the logical optimal state of the control system in the phase space of the selected parameters corresponds to the maximum of the functional (1). It should be noted that the method of constructing the optimal solution is graphically valid only for cases when the sufficiency of n intervals for the implementation of the optimal control process is proved.
Δt is the stabilisation and optimisation time of individual parameters of the actuators;
P(x, t) is the totality of control signals by electromechanical actuators of the object;
N(x, t) is the totality of signals of hydraulic and pneumatic mechanisms;
S(x, t) is the totality of information signals of the actuating thermal and traction mechanisms state;
Z(x, t) is the totality of signals of positioning; and K(x, t) is the totality of signals of the current technical condition of the aircraft object (diagnosis).
Stabilisation of the process of the aircraft object in each discrete interval Δt is determined by compliance with the optimisation functional when the following condition is fulfilled:
Since the control process depends on the totality of the parameters of the actuators and information devices, it can be theoretically considered as the one that follows in the phase coordinate system within the appropriate initial and boundary conditions. Extremal values of Eqs (2) and (3) can be obtained by solving the following set of equations:
and
The process of establishing the optimal state of the control system in each discrete interval Δt must satisfy the following phase coordinate system:
The correctness of the problem solution requires determining the physical essence, as well as the fact that the mathematical solution is within the initial and boundary conditions. The answer to this question is obtained by solving the following system of equations according to each of the defined parameters:
It is apparent that the solution of such a mathematical model requires a sufficiently large number of calculations, the results of which do not satisfy the practice, even when the defined derivative is respected. Therefore, it is advised to reduce theoretical research in this perspective and rather consider solutions that are more satisfactory in practice.
To ensure the optimal control of the flying object in the set of Eqs (6), the Lagrange condition must be provided under conditions when the derivatives (at certain variables) take positive values. Analytically, this means that the functional should have a maximum. Thus, in order to implement the optimal multicriteria automatic control system, it is necessary to ensure the conditions under which the (second) subtracted parameters must take the lowest values. Physically, this means that the time constants of the control system must be minimal compared to the time constants of certain actuators. Basing upon the physical nature of the actuators and control signals, a stable control mode is difficult to achieve in practice. Therefore, when solving the problem, it should be limited ourselves by the permissible error that would meet the needs of practice.
It should be noted that the solution of such a system, even with an average engineering error, takes a long time; its duration exceeds the required state of stabilisation of the aircraft. Therefore, it is advisable to consider the inverse problem, which consists in the analysis (or finding possible limits of optimal control) of the decisive stability criteria of automatic control systems for flying objects.
Usually, the construction of an optimal solution is achieved analytically and by obtaining an equation describing the surface of the obtained solutions. For example, for a third-order system, some optimal function F(x, y. z) = 0 shares the control signal U(t) in the following relations:
It should be kept in mind that in the set of equations above the second order, the trajectory of the optimal process is reflected by the spatial number of measurements n, which presents certain complications. This is explained by the fact that the trajectory in n-dimensional space can be predetermined as (n – 1) surfaces, which is equivalent to the system:
This leads to the fact that to monitor the deviation, it is necessary to use specialised devices of functional surfaces of all equations without exception.
If there is a problem to interpret the current deviations according to each of the equations at the indefinite process, it should be considered as inexpedient.
Thus, for high-order systems with a limited input coordinate that takes one of the two values, it is advisable to consider according to the block diagram, which is described in Fig. 1.
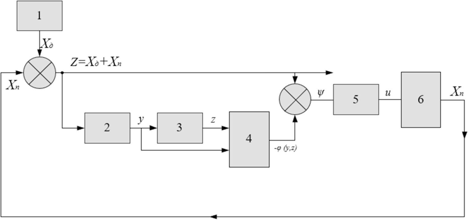
But we need to note that when it comes to the practice of accuracy of optimal control, limits of initial and border conditions, which meet the requirements of preserving and describing the physical meaning of the processes, were researched. As an example, Fig. 3 illustrates the structural diagram that enables to solve the third-order equation system.

Structural diagram of solving high-order systems with a limited input coordinate of the problem, which provides optimal stability of the control system of flying objects with multiple parameters of a different physical nature. The following designations are accepted in Fig. 3: 1 – directive task; 2 – the first level of the differentiator; 3 – the second level of the differentiator; 4 – nonlinear converter that produces a proportional signal φ(y, z); 5 – the resulting optimal signal; and 6 – actuating mechanism.
It should be noted that the method to construct the optimal solution is graphically valid only for cases when it is proved that the n intervals is sufficient to realise the optimal control process.
The operation principle is explained as follows. The control part input of the system is simultaneously applied by signals of the directive task and the current state of a certain actuator, which characterise the actual task of the adjustable coordinate. Their difference forms a certain deviation x. By double differentiation, we obtain deviations in the differentiators signals (y) and (z). These signals are applied to the corresponding nonlinear converters that generate a signal proportional to φ(y, z). Signal F(x, y, z), which determines the correction sign of the optimal control action, is obtained according to the equation by adding the deviation signal and input one. This operation is carried out in the device 4 (see Fig. 2). Then, this signal can be used to control certain actuators.
It should be noted that the solution of the optimisation problem described by the system of equations above the third order is significantly complicated due to limited speed, time constant of the system, etc.
Since they work in very complex conditions and are exposed by factors of a different physical nature, it is advisable to use the solution of system (4) by presenting the optimisation functional in the form as the following mathematical model:
According to such conditions, the transient x(t) in the automatic control system depends on both the properties of the system and the type of disturbance. The transient is always influenced by two components. The first is free oscillations in the system xc(t) determined by the initial conditions and properties of the system itself, and the second is proportional to the forced oscillations xe(t) generated by external factors. Thus, the stability of an automated system can be evaluated depending on the influence of external disturbances with no investigation of the influence of each one. Furthermore, such a study can be conducted for the purpose of finding a factor that prevents the system from reaching a stable state, as one of the main dynamic characteristics is its stability. The system is stable if it returns to the set state after the disturbance that brought it out of this state ceases. To perform practical tasks, the control system must, above all, be stable. An unstable system does not return to the state of equilibrium from which it came out for one reason or another, but continuously moves away from it or makes unacceptably large oscillations near it, which can lead the object to a state of emergency. The mathematical condition for stability is the following expression:
This means that with an unlimited increase in time since the beginning of the transition process, component xc(t) rotates to zero. Obviously, the duration of the transient process significantly depends on the parameters of the controlling microprocessor and software tools and actuators. Thus, the behaviour of the system-free movement determines the degree of its stability. A large number of researches are devoted to the study of the stability of dynamic systems. The first to provide a mathematically rigorous definition of stability and who developed general methods for studying the stability of motion is A.M. Lyapunov. These interpretations apply to different (linear and nonlinear) systems and are as follows:
- ➢
if the characteristic equation of the linearised system has all roots with negative real parts, then the real system, as well as linearised, will be stable;
- ➢
if the characteristic equation of a linearised system has at least one root with a positive real part, then the real system, as well as linearised, will be unstable;
- ➢
if the characteristic equation of a linearised system has at least one root with zero value of the real part or purely imaginary, then it is impossible to judge real systems by linearised equations.
Conditions of stability or instability of control systems will be considered using a graphical representation. Thus, if in coordinates, the real parts are plotted on the abscissa axis, while the imaginary parts of the characteristic equation roots are plotted on the ordinate axis, then in the plane, called the plane roots p, each root will be corresponded by point P. If all real roots and all real parts of complex roots are negative, then in the plane of the point roots, according to these roots, they will be located to the left of the imaginary axis. Thus, for system stability, it is necessary and sufficient that the points corresponding to the roots of the characteristic equation of the system are located in the plane of the roots to the left of the imaginary axis. Thus, to determine the stability of the system, there is no need to determine the values of the characteristic equation roots that is usually associated with time-consuming calculations. It is enough to have indirect indications that would allow judgement about the absence of roots in the characteristic equation of the system with a negative real part. Such signs are inherent in the criteria of stability.
In the practical implementation of such mathematical models, a necessary condition is to determine the semi-empirical coefficients that bring the model closer to the real technical object while maintaining patterns between the corresponding physical processes and parameters. Thus, the mathematical model must be featured by the characteristic equation coefficients of the multiparametric aviation object with multiple parameters of a different physical nature. It should be noted that in individual cases, when solving engineering problems, it is enough to use algebraic criteria. They are sufficient in the study of individual cases of the systems described by the equations of relatively low orders. However, beginning with the fifth-order mathematical models, even the use of Rauss–Hurwitz criteria becomes quite difficult.
This is explained by the consistency of such difficulties in growing influence of any single parameter on the stability of the system as a whole. In the process, the object’s physical properties are uniquely related between them given by the corresponding mathematical dependencies of the characteristic equation of the system as a whole. The equation systems of the mathematical model for the control system’s stability are interconnected by appropriate determinants that indicate the specific features of the functioning of the model as a whole that is close to the real object.
For the purpose of specifying the physical-and-mathematical interpretation of the problem, it should be taken into account the following conditions:
- ➢
for the characteristic system of equations of the first and second order, it is necessary and sufficient that all coefficients are positive;
- ➢
for systems that have a characteristic equation of the third and fourth order, it is necessary and sufficient that all the coefficients of the characteristic equation, as well as determinants are positive;
- ➢
algebraic criteria for systems above the third order must be constructed so that all determinants combined of the characteristic equation coefficients of the system correspond to a certain scheme that satisfies and reflects the physical essence of a particular process;
- ➢
an automatic control system, like any dynamic system, is characterised by transients that occur when its balance is disturbed under the influence of any disturbance in the object, system, adjustment circuits and external factors.
Several stability criteria of automatic control systems are used in scientific and experimental research. Algebraic criteria, such as Routh–Hurwitz stability criterion, are often used and are the most common. They are based on the analysis of the system of inequalities formed from the coefficients of the characteristic equation, as well as the frequency criteria, for example, Mikhailov and Nyquist. Algebraic criteria are quite simple and accessible in the study of systems described by equations of relatively low orders. For systems beginning with the fifth order, it is more difficult to apply the Routh–Hurwitz criterion because of the increase in the volume of calculations and uncertainties, which leads to unacceptable errors. Difficulties increase also in the cases when it is required to reveal the effect of any individual parameter or perturbation disturbance on the stability of the system and the object in general. It is known that the physical properties of any system are uniquely related to mathematical models and the properties of the characteristic equation of a given system. Therefore, let us consider briefly the possible conditions for the stability of automatic control systems, which are mathematical inequalities containing certain coefficients of the characteristic equation.
For first-order systems, which have a characteristic equation a0p + a1 = 0, it is necessary and sufficient that all the coefficients of the characteristic equation are positive, i.e. a0 > 0; a1 > 0. For second-order systems with characteristic equations a0p2 + a1p + a2 = 0, it is necessary and sufficient that all the coefficients of the characteristic equation are positive: a0 > 0; a1 > 0; a2 > 0. For third-order systems with characteristic equations a0p3 + a1p2 + a2p + a3 = 0, it is necessary and sufficient that all the coefficients of the characteristic equation, as well as determinants of the second order Δ2, are positive:
For fourth-order systems, which have a characteristic equation; a0p4 + a1p3 + a2p2 + a2p + a3p + a4 = 0, it is necessary and sufficient that all the coefficients of the characteristic equation, as well as determinants Δ2 and Δ3 are positive:
For systems above the third order, the algebraic criterion can be formulated as follows: the system will be stable if all determinants composed of the coefficients of the characteristic equation systems according to the following scheme are positive:
To solve practical problems, it is necessary first to check the sign of all coefficients of the equation, and then add determinants, starting with the smallest. If any of the determinants is less than zero, it is impractical to continue the search for the value of the following determinants because the final result will be negative.
According to the amplitude-phase stability criterion, to establish an analytical relationship between the behaviour of the transient process that occurs when the system balance is violated in relation to the amplitude and phase of the forced oscillations that is established in the system under the influence of sinusoidal influence, which disturbs this state. In some literary sources, they are called Mikhailov criteria.
As an example, consider some system that corresponds to the following characteristic equation:
The criterion of stability is determined by the Mikhailov hodograph, which represents the curve on the complex plane, which is delineated by the vertex of the vector
As the real part P(ω) is a pair one, and the imaginary part jQ(ω) is an odd function ω, then Mikhailov’s hodograph is symmetrically relative to the real axis. This enables us to consider only one of its parts, and not study the entire Mikhailov hodograph, which is deleted by the vector
So, if you plot the functions P(ω) and Q(ω), then the points of intersection of these graphs with the axis ω in a stable system must alternate. It should also be noted that the hodograph at ω = 0 converts into a point located on the positive part of the real axis.
The Bode (gain margin and phase margin) stability criterion is suitable for use in researching automatic control systems in the presence of extraneous or own disturbances, which take place in aviation systems. It should be noted that the use of this criterion contributes to achieving the solution of mathematical models and differential equations in the following cases.
Definitions of stability of the automatic control system are based on the transfer function of an open system, which consists of a number of relatively simple cofactors containing the system parameters as coefficients. This allows, in the case of complex multiparameter systems, to select device parameters so that the systems are stable.
The criterion allows using experimental frequency response curves instead of those found by solving differential equations of complex systems, when the addition of these equations is a rather complex mathematical model of a multiparametric system with parameters of different physical properties.
According to the operation of general and special purpose objects, the characteristic equation must satisfy the following condition:
In such cases, it is advisable to correct the stability of automatic control systems to find the most optimal solution to the goal. Quite often, there are cases of inconsistency of the obtained findings with expected ones. This leads to certain different interpretations and erroneous conclusions. Therefore, it is advisable to consider various possible cases and establish certain conditions for adjusting the system and their mathematical models.
As an example, consider the previous equation. The left-hand side of the characteristic equation must be divided into D(p):
Furthermore, denoting the roots of the numerator through p1; p2; p3; p4; pn, and the roots of the denominator – through
In the plane of the roots, which is the one of the complex variables, a corresponding vector drawn from the origin to the corresponding point Pi that determines the value of the root can represent each root pi of the equation. If the value of the independent variable is chosen at any point in the complex plane, such as point A, the complex number p – pi can be represented as a vector equal to the difference of the vectors p and pi. Let us assume that p = jω, while point A will be on the imaginary axis. Then the vector p – pi will have an origin at a point Pi and an end on the imaginary axis at point A. Assuming p = jω, we can write piPi – pip and pip = jωp – piPip = jω.
Upon changing the value ω from −∞ to +∞ the end of each vector-cofactor, sliding on an imaginary axis, will turn to an angle π. Rotation will be counter-clockwise, if the root value is to the left of the imaginary axis, and will be clockwise, if the root is to the right of this axis. The numerator of the resultant expression W(jω) can be represented as a resultant vector, the modulus of which is equal to the product of the absolute values of the vector-cofactors of the numerator. The rotational angle of the resultant vector is equal to the sum of the rotational angles of the same vectors. The denominator of the expression can be represented by the same way. The modulus and phase of the numerator and denominator are determined by the same relationships.
Vector W(jω) can be represented as a quotient of two vectors, i.e., as a vector whose modulus is equal to the quotient of the modules of the resultant vectors of the numerator and denominator, and the phase is equal to the difference of the total phases of the numerator and denominator. The turn angle of the total vector W(jω) upon changing the frequency from –∞ to +∞ is equal to the difference of the turn angles of the total vectors of the numerator and denominator.
If the system is stable, then the points corresponding to the characteristic equation roots must lie to the left of the imaginary axis, and the total turn angle of the numerator vector will be equal to +nπ, where n is the power of the numerator.
In an unstable system, part of the roots k lies to the right of the imaginary axis, and the total turn angle of the vector will be equal to:
In this case, the interconnection between the vectors of the transfer functions of open and closed control systems can be used in solving practical problems. Expression
According to the type of the characteristics K(jω) of the open system, it is possible to determine the stability of the closed automatic control system of a flying object. This results in the conclusion that a closed system is stable if the characteristic K(jω) does not envelope the point [−1, j0], and the system will be unstable if the characteristic envelopes a point with coordinates [−1, j0]. The Bode stability criterion allows for an unstable system of automatic control to determine the necessary changes resulting in the system if it becomes stable. If the amplitude-and-phase response of the open system envelopes the point [−1, j0], then the system will be unstable. In this case, it is necessary to include an additional link in the system, which contributes to the phase lag. As such an element, a correlating device, can be used.
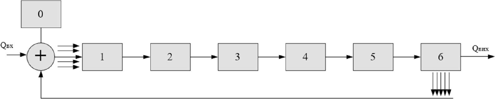
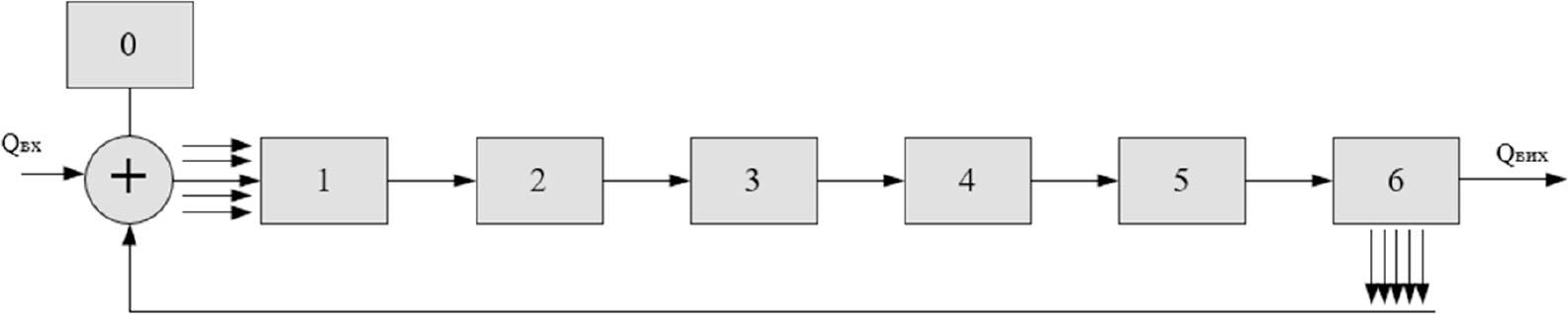
Let us consider a few engineering examples related to the determination of the stability criteria of automatic control systems of flying objects based on the represented theoretical analysis. The structural scheme of the study (modelling) is given in Fig. 4.

Structural diagram of modelling the stability of the control system by flying objects. The following designations are accepted in Fig. 4: 0 – library of the directive task and nominal data of actuating mechanisms; 1 – driver of the limits of accuracy and error; 2 – driver of digital information and coordination of information channels; 3 – amplifier and coordinator of microprocessor-based and software devices; 4 – correcting device or regulator; 5 – working out of executive mechanisms to a new level; 6 – monitoring of changes or deviations of actuators parameters and technical condition of the object being controlled.
As an example, let us evaluate the stability of the automatic control system (according to Routh–Hurwitz criterion) in engineering interpretation, which satisfies the following characteristic equation:
For this system, the stability condition consists in the coefficient of the equation being positive, and the validity of the following inequality: Δ2 = a2a1 – a3a0 < 0, a0 = 1; a1 = 1.5; a2 = 4; a3 = 4; Δ2 = 1.5 · 4 − 1 · 4 = 2 < 0. Therefore, the system will be stable.
Let us consider the stability criterion of the automatic control system according to the characteristic equation of the fourth order, which corresponds to the engineering interpretation: 0.0003p4 + 0.0337p3 + 0.43p2 + 51.2p + 24.8 = 0.
The coefficients of the characteristic equation will be as follows: a0 = 0.0003; a1 = 0.0337; a2 = 0.43; a3 = 51.2; a4 = 24.8. All coefficients are positive.
This enable us to find the expression of the determinant of the third order:
There is no need to calculate the final value of the determinant, as it is already clear that it is negative. Therefore, the system corresponding to this engineering interpretation is unstable.
Let us consider the stability of the automatic control system, which has the following characteristic equation of the fourth order:
It is obvious that the Mikhailov stability criterion should be used, as the specified transfer coefficient of the system will be at the boundary of stability if coefficients have the following values: a0 = 0.01; a1 = 0.2; a2 = 5; a3 = 10. Substituting in the equation instead of p the imaginary value jω we will have: p(ω) = 1 + K + a0ω4 − a2ω2; Q(ω) = a3ω − a1ω3. If the system is at the boundary of stability, then its characteristics will pass through the origin. The real and imaginary parts will be zero: 1 + K = a2ω2 – a0ω4 = 0; a3ω – a1ω3 = 0. From the second equation, we obtain:
Substituting this value in the first equation, we find the value:
Therefore, the system satisfies the engineering condition of stability.
As an example, let us construct a stability curve of the system according to the Mikhailov principle of determining the stability of the automatic control system, if the characteristic equation has the form: a0p3 + a1p2 + a2p + a3 = 0. a0 = 0.05; a1 = 0.8; a2 = 2; a3 = 10. Dividing the characteristic equation into real and imaginary parts, we obtain P(ω) = a3 – a1ω2; P(ω) = 10 – 0.8ω2; Q(ω) = a2ω – a0ω3; Q(ω) = 2ω – 0.05ω3. When meaningful ω0 = 0; P(ω) = 10; Q(ω) = 0. We have obtained the first point that characterises the state of the system. Value ω1, at which the characteristic intersects the imaginary axis, is determined by equating the real part to zero: P(ω1) = 0; 10–0.8ω12 = 0;
Modelling the state of the control system’s stability is associated with the introduction of a high-performance microprocessor-based and software, as well as scientifically sound technical solutions’ remote reception and processing of current information. Therefore, it is advisable to consider computer methods for assessing the stability of control systems. The work was performed on a personal computer in the MATLAB software package using the SIMULINK visual simulation toolkit and the plot () function [6,17].
Modelling of an asymptotically stable system is considered for the case when the transfer function of a closed automatic control system has the following form [17]:
In the MATLAB software product, using the pole () function, we obtain the values of the roots of the characteristic equation of a computer system:
Based on the analysis and review of the results, we see the following. Since all the roots of the characteristic equation are in the left half-plane of the coordinate system, the system is asymptotically stable.
Simulation of a Mikhailov curve hodograph according to a neutral criterion provided that at the corresponding frequency is not equal to zero, passes through the origin, the system is neutral. If at least one of the formulated conditions is not met, the system is unstable.
As an example, let us write the denominator of the transfer function WC(s) of the closed system in the following representation:
Let’s replace s = jω:
Divide the frequency response into real and imaginary parts:
Let us consider ways to solve a differential equation to determine the stability boundaries of automatic control. Taking into account the transfer coefficient, the general form of the differential equation can be expressed as follows:
To construct a structural diagram for solving the above-mentioned equation, it is convenient to rewrite it in the following form:
According to this representation of the differential equation, its solution is carried out in accordance with the following structural diagram shown in Fig. 5.

Structural diagram for solving a differential equation using the method of reducing the order of the derivative.
Using the built-in plot () function in MATLAB, let us construct a Mikhailov hodograph and determine the stability of the system. We obtain the graph shown in Fig. 6.

Simulated graph of the Mikhailov hodograph.
Based on the obtained Mikhailov hodograph, given in Fig. 6, it is seen that the system is stable because the hodograph starts on the real positive axis and follows counter-clockwise n quadrants, where n is the order of the system (in this case, n = 4).
Thus, according to the Mikhailov hodograph, the system stability depends on the frequency and under certain conditions, it can be brought to a neutral state. If even one of the conditions is violated, the system becomes unstable.
The AFCH hodograph in the case when it (hodograph) covers the point with coordinates [1; j0] in the positive direction by 0.5 times, the system in the closed state is stable.
As an example, it is advisable to consider another case. Let the transfer function of an open system be represented in the following form:
Using the built-in Nyquist () function in MATLAB, we model the Nyquist hodograph and determine the stability of the system. We obtain the graph shown in Fig. 7.

Nyquist hodograph.
Since the point with the coordinate (1; j0) is not visible in Fig. 5, to estimate the system stability is difficult. In order to estimate the stability, let us increase the hodograph scale so that a point with a coordinate (1; j0) becomes visible as that shown in Fig. 8.

Refined graph of the system stability according to the Nyquist hodograph.
As the Nyquist hodograph (Fig. 8) of an open system does not envelope a point with coordinate (1; j0), the closed system is stable. To ensure the stability of the system, it is necessary to use combined solutions with special devices. For this purpose, a combination of circuits is used in practice. Such circuits usually consist of capacitors, inductors and resistors, which are interconnected according to certain schemes that correspond to the problem to be solved.
Based on the study results, it is possible to distinguish the following conclusions:
Existing methods to determine stability criteria cannot be extended to any automatic control system of a flying objects because they depend on a number of fundamental design solutions, operating conditions and the impact of internal and external factors.
In the development process of new automatic control systems and in the reconstruction of existing ones, it is necessary to establish exactly the cause- and-effect factors influencing the observance of high accuracy and efficiency followed by taking into account their possible influences in mathematical models and appropriate circuits. At this stage, it is advisable to use a synthesis of algebraic stability criteria, such as the Routh–Hurwitz ones, as well as gain margin and phase margin criteria, such as the Mikhailov and Nyquist ones.
Synthesis of mathematical and computer models to determine the stability criteria of automatic control systems of flying objects with many parameters of a different physical nature with simultaneous visualisation of the boundaries of hodographs are proposed.
The modelling findings in MATLAB software with the use of the function pole () coincide with mathematical and engineering calculations. This indicates the consistency of all logical and executive elements of the system that should be tested using existing electromechanical systems or physical models.
The direction of further research to achieve the stability criteria of automatic systems of multiparametric flying objects, with parameters of various physical nature under the influence of internal and external factors, search of infringement of operating conditions and modernisation and operating to work in more rigid operating conditions are to be determined.