The problem of reducing the level of vibrations in various constructions has been considered for a very long time. The dynamic vibration absorber (DVA) and tuned mass damper (TMD) have a long history, as they were invented in the previous century. The concept was first applied by Frahm [1] as a spring-supported mass. The theory for DVA (the first concept involved a viscous damper added parallel to the linear spring) was presented by Ormondroyd and Den Hartog [2], with a detailed discussion later being developed by Den Hartog [3]. The first concept is considered as the standard model of DVA.
Construction objects are subjected to aging processes and other changes and influences during their life cycle, which, after some time, result in the occurrence of their technical, functional, and environmental wear. When analyzing the phases of the life cycle of a building object, it can be noticed that the operation and maintenance (O&M) phase is the longest phase [4], especially in the case of bridges. Moreover, the O&M phase is determined in various ways. The application of DVAs has a special role in civil engineering, which is due to the fact that they can be used not only during a construction’s design (the design and development phase), but also later to modify the structure (the O&M phase).
Bridge structures face challenges associated with their quality and design and are exposed to the occurrence of disaster risks such as earthquakes, typhoons, floods, landslides, corrosion deterioration, and overloading. Proper maintenance is required for the safety of bridges, as well as for them to remain in good condition [5]. Therefore, so many researchers are analyzing the problem of structures that may be vulnerable to excessive vibrations caused by dynamic loadings, that is wind [6], earthquakes [7], human action [8], and traffic [9], especially high-speed trains [10]. Moreover, absorbers can be used to prevent large vibration amplitudes that occasionally appear, for example, those caused by geotechnical works [11].
DVAs work on the principle of transferring the vibration energy from the primary structure to the auxiliary systems [12]. Passive TMD absorbers have been known as Voigt-type DVAs for more than a hundred years. In turn, DVAs are available in various physical forms. TMDs can be made of solid materials, but can also be based on liquids (tuned liquid damper) – [13], active mass damper [14], semi-active mass damper [15], and hybrid mass damper [16]. The essential limitation of TMD is that a large oscillating mass is required to achieve significant vibration reduction. This characteristic has limited the use of TMDs in, among other things, the automotive and aerospace sectors [17]. Some papers describe the nonlinear properties of main structures or the stiffness of the TMD system [18]. New varieties of absorbers have also been invented. For example, a TMD with a negative stiffness element – called the KDamper – is a novel passive vibration isolation and damping concept, based essentially on the optimal combination of appropriate stiffness elements, which include a negative stiffness element. Compared to the traditional TMD, the KDamper can achieve better isolation characteristics, without the need of additional heavy masses [17]. Another variation of the new type of absorber can be a three-element TMD (T-TMD), which can be used as an effective passive control device. According to [19], it can be an effective strategy to minimize the maximum structural responses of multi-story buildings under seismic excitations. Another type of absorber – the TMD inerter (TMDI) – can also be used for this purpose [20].
The main objective in the design of an absorber is to enable it to have optimum parameters. Due to the fact that the mass ratio of DVA to the primary structure is usually a few percent, the principal parameters of DVA are its tuning ratio (i.e., the ratio of the DVA’s eigenfrequency to the natural frequency of the primary structure) and damping ratio [3]. Most studies assume that the load process is deterministic, and that it is harmonic. There are more and more papers that analyze stochastic loading. Many researchers have focused on analysis of the effectiveness of DVAs applied to beams that are excited by moving loads. For example, Wang et al. [26] analyzed three basic modeling procedures of vehicles: moving force, moving mass, and moving suspension mass. The problem of optimization of absorbers connected with a bridge beam, and loaded by a moving force, has been considered in many papers [21,22,23,24,25,26]. The authors analyze nonlinear vibration absorbers [27], translational supports and rotational joints [28], or absorbers that are attached at equal intervals under a bridge [29].
The problem of choosing the optimal parameters for a set of damping absorbers that reduce the random vibrations of a beam subjected to a sequence of moving forces with a constant velocity is studied in this paper. Every force is regarded as a random variable. Moreover, the inter-arrival times of moving forces are also regarded as random variables. The stochastic properties of the load are modeled by means of a filtered Poisson process. The problem was solved using the idea of a dynamic influence function [30]. Several optimization criteria, based on the expected values and variance of the beam’s response, were considered. The authors analyzed solutions for a beam with one and two independently installed absorbers. However, the developed methodology allows the task to be solved with any number of absorbers.
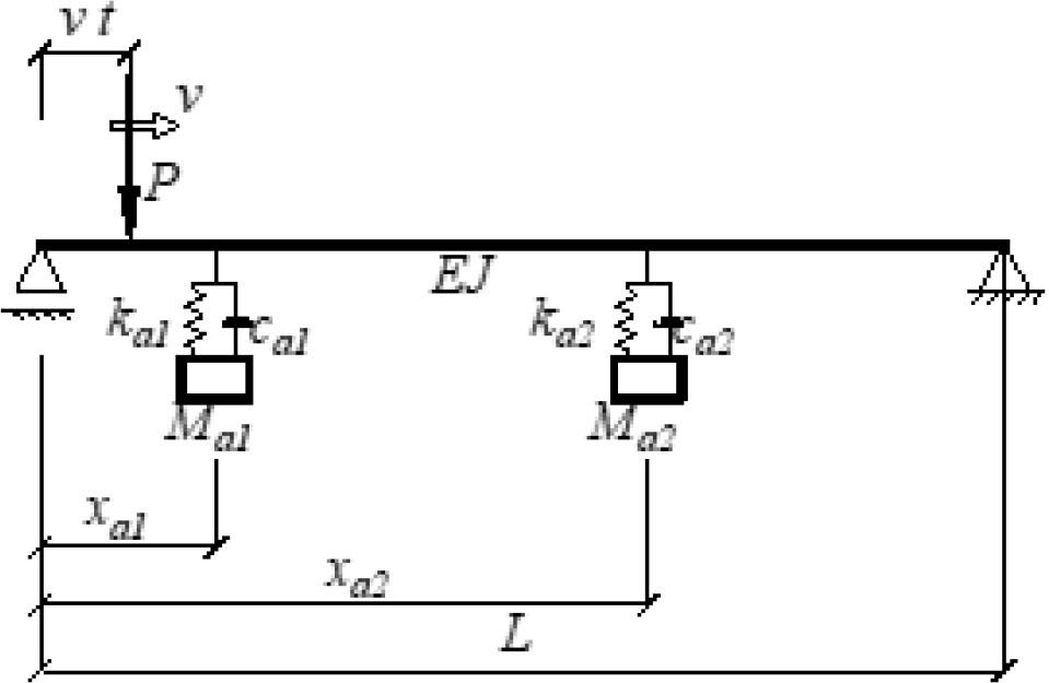
The damped vibrations of a simply supported Euler–Bernoulli beam of finite length L with na absorbers fitted at points xa1,xa2,…,xana) subjected to a sequence of moving forces with a constant velocity v is considered.
The vibrations of the beam are described by the equation:
For a finite, simply supported beam, the boundary conditions have the following forms:

The model of the load.
Let us introduce two dynamic influence functions – H1(x,t) and H2(x,t-L/v) [30]. Function H1(x,t) is the response of the beam at time t (0≤t≤L/v) to a moving force equal to unity (Ak=1), and function H2(x,t-L/v) is the response of the system without excitation, but with non-zero initial conditions (the force has already left the beam). These influence functions satisfy the following differential equations:
The deflection of the beam w(x,t) is counted at arbitrary time t, and none of the force locations are known. It can be written in the Stieltjes integral [30]:
In the case of a simply supported beam, one can look for dynamic influence functions in the form of sine series:
The vibrations of the single degree of freedom (SDOF) i-th absorber attached to the beam at point Xai are described by the following equation:
After taking into account (14) or (15) and the j first eigenforms, the vibrations have the form
In literature, various ways of installing a set of absorbers can be found, such as two absorbers connected in a parallel manner, two absorbers connected as a series and installed at one point to a bridge beam [31], or the same absorbers that are attached at equal intervals under a bridge beam [29]. This paper focuses on a bridge beam with two independently installed absorbers.
For the model consisting of two absorbers (see Fig. 2), three separate systems of ordinary differential equations are obtained (Eq. 20), for which solutions are achieved by numerical integration using Wolfram Mathematica [32]. As a standard, this software uses the Runge–Kutta method, in turn automatically selecting the integration step. In the calculations, the maximum integration step was limited to one-thousandth of the passing time:

The model of the analyzed system (na=2).
The authors of [33] confirm that natural computing methods are good at optimizing the properties of an absorber. They used the method that was previously presented by Storn and Price [34] and wrote the following conclusion: “Numerical results demonstrate that the TMD systems designed by the differential evolution (DE) algorithm are very effective in reducing the multi resonant peaks of continuous bridges under moving train loads.”
The algorithm used in the presented calculations combines elements of the genetic algorithm and evolutionary strategies. Both approaches belong to a large family of the so-called natural computing, which uses selection, reproduction, and mutation mechanisms inspired by the biological process of evolution. In the biological evolutionary process, environmental pressure acts on a given population of individuals, in turn causing natural selection, that is, survival and reproduction of the best adapted. In natural computing, the problem to be solved is placed in the environment in which the population of individuals lives. Everyone represents a potential (possible) solution to the problem. As in the biological process, the evolutionary algorithm creates progressively better solutions. Like with organisms living on earth, a certain population can be distinguished in computing, that is, the number of living individuals (in computing: the number of computing objects) or the successive generations (in computing: the successive iteration). The concepts of parents and children (computational objects of iteration/generation “g” and “g+1”), chromosomes (a set of parameters describing a computational object), genotypes, phenotypes, alleles, etc. are also transferred to the field of algorithms.
The basic structure of genetic algorithms is presented in Figure 3 [35, 36].

The basic structure of genetic algorithms.
Classical genetic algorithms use binary notation, whereas evolutionary programs use floating point notation. In evolutionary programs, a parent generation of dP members produces dO offspring. Afterward, dB best-fit individuals are selected from the dP + dO, population, dP = dB. In genetic algorithms, dB descendants are selected from a population of dB; the selection is a random selection with repetition, in which the better-matched individuals are more likely to reproduce. The procedure for selecting the best match is deterministic in evolutionary programs (objective function) and random in genetic algorithms, although better-matched individuals obviously have a higher probability of being selected. The evolutionary strategies (mutation and crossover probabilities) in genetic algorithms are fixed, and in evolutionary programs, they are variable.
The used algorithm belongs to the group of evolutionary programs, although some modifications that can be found in genetic algorithms were also applied. The scheme of this algorithm is shown in Fig. 4.

The scheme of the genetic algorithm.
Notes to Fig. 4:
- –
Generation P(g =0) was created purely at random;
- –
Best[P(g)] is the best adapted individual from the population P(g);
- –
The end condition was the number of iterations (total number of generations). Other variants of the end condition were also tested. The very frequently used condition in iterations – stop if | best[P(g)] − best[P(g −1)] | ≤ ε (ε adopted difference between successive solutions) – does not work for genetic or evolutionary algorithms because a change in the solution can occur after many generations of no change (Fig. 5, where stagnant solutions can be observed for more than 100 generations). The following numbers of changes were tested: 100, 300, 500, 1000, and 2000 generations, and in most cases, the value of 300 generations was used;
- –
The evaluation function was the minimum expected value or standard deviation;
- –
A descendant individual inherits every single parameter from parent Xα or parent Xβ with equal probability, and it is possible that a descendant inherits all parameters from only one parent;
- –
The probability of mutation was constant and equal to ξ=½. This is the most significant difference between the algorithm used here and the evolutionary algorithm. In evolutionary algorithms, there is always a mutation, that is, ξ = 1. The used approach is that of genetic algorithms, where the occurrence of mutations is random. Thanks to the used approach, a solution was obtained in fewer iterations. Compare, for example, book [36], where the author recommends using a low probability of mutation (inversely proportional to the population size);
- –
The size of the mutation was determined by the parameter N(0, σ), in which the value of σ was taken either as a constant in the calculations (e.g., 0.2, 0.5, 0.75) or as a variable that was decreasing with the next generation;
- –
The value_of_the_penalty increases the value of P(g) to such a significant degree that the penalized individual is bound to come last in the order described in Step 3.

The Δ plot in the case of: a) E[w(0.5L,t)], b) σ[(0.5L,t)]
An immanent feature of natural computing is that only an approximate solution is obtained. The algorithm may get “stuck” in some “local” solution, thus the “global” solution remains unachieved. Taking advantage of the fact that the structure under consideration is symmetrical, analyzing the passage of the force from the left to right support (“→”) should produce a symmetrical solution with respect to when the force passes from the right to the left side (“←”). The parameters of the absorbers obtained from the two solutions (“→” and “←”) can, therefore, be matched in pairs (ξ-th solution from “→” and η-th solution from “←”), so that the parameters of the absorbers are identical and the attachment points to the primary structure are symmetrical with respect to the center of the beam:
The model of the structure refers to a road bridge with a suspended platform equipped with municipal technical infrastructure [37]. It is a reinforced concrete beam bridge with a span of L=30 m, in which the first eigenfrequency ωs=4 rad/s. In the numerical calculation, j = 7 was assumed. In the study, two indicators were analyzed: different positions of the absorbers xai∈〈0.25L;0.75L〉 and one parameter of the absorber – the tuning ratio κai=ωai/ωs (0 ≤ κai ≤ 5). E[A], E[A2], and λ have constant values for the homogeneous Poisson process. It was assumed that the vehicle traffic moves at a constant velocity v which was compared to the critical speed adopted according to the well-known formula (vcr=π√(EI/mL2)). The conclusions of [37] show that the critical speed does not cause the greatest deviations – a structure behaves least favorably when vehicles travel at speeds in the range of vϵ〈0.6vcr;0.9vcr〉. After a broader analysis [38] of the measures of variability, it was noted that the responses are not symmetrical, that is, on the side where vehicles enter the bridge, all measures of variability are slightly smaller, especially the variance. Previous research did not consider the direction of travel, as the authors assumed symmetrical responses. Paper [38] proved that this assumption was wrong. In this regard, previous papers [30, 37, 38] are the reason for the search for an optimal position, regardless of the direction of travel. Therefore, the position of two absorbers was studied and the bridge was crossed in two directions. In previous papers [30, 37, 38], several optimization criteria, based on the expected values and variance of the beam’s response determined in the study, were considered. The current study shows the possibility of optimization by means of evolutionary algorithms.
It is obvious that higher vibration control efficiency can be achieved when the mass of an absorber increases. However, as the enhancement of the TMD mass causes more static deflection, and can also change the dynamic properties of the main system, the value of the TMD mass ratio should be chosen while considering all the aspects of the structural design. It should not be greater than 10% [39]. Therefore, in this paper, the constant mass parameter μai was assumed to be equal to 0.1.
The simply supported beam of length L and flexural stiffness EI is loaded with force P1. Force P1 moves with the constant velocity v. The starting point for the force is the extreme supporting point of the beam (right support or left support), which corresponds to the direction of the force’s movement (left direction or right direction, respectively).
The dynamic problem was solved using the Galerkin method, and therefore, the first step was to analyze the size of the approximation base. The effect of the size of the approximation base (the number of eigenforms considered in the solution) on the expected value E(w) and standard deviation σ(w) of the displacements in ¼, ½, and ¾ of the span was studied.
The effect of the size of the approximation base was analyzed for base sizes ranging from 1 to 21. For further evaluations, it was assumed that the solutions obtained for a base size equal to 21 (r21) are exact solutions. The relative precision for solutions obtained in the case of the base size of k (rk) was defined as:
Figure 6 demonstrates the optimal position of two absorbers for two different directions of traffic moving with the constant velocity v=0.8 vcr. Similarly, Figure 7 shows the optimal value of the tuning ratio κai for each absorber. The adjustment function is meant to minimize the expected value of deflection functions in the middle span of the bridge’s beam (see Fig. 8). Similar results were obtained for forces moving at speeds v=0.9 vcr and v=vcr=137.5 km/h.

The optimal position of two absorbers xai∈〈0.25L;0.75L〉 for two different directions of traffic moving with the constant velocity v=0.8 vcr for the adjustment function – the minimum of the expected value of deflection functions in the middle span of the bridge’s beam E[w].

The optimal parameter κai=ωai/ωs of two absorbers for two different directions of traffic moving with the constant velocity v=0.8 vcr for the adjustment function – the minimum of the expected value of deflection functions in the middle span of the bridge’s beam E[w].

The adjustment function – the minimum of the expected value of deflection functions in the middle span of the bridge’s beam E[w].
Figures 9 and 10 present the optimal position of two absorbers for two different directions of traffic moving with the constant velocity v=0.8 vcr and the optimal value of parameter κai for each absorber. The adjustment function is meant to minimize the standard deviation value of the deflection functions in the middle span of the bridge’s beam (see Fig. 11). It is clear from the diagrams that the positions of the two absorbers overlap, and that this optimum position of the double absorber is asymmetrical. This is an important premise for analyzing the feasibility of absorbers with two oscillating masses.

The optimal position of two absorbers xai∈〈0.25L;0.75L〉 for two different directions of traffic moving with the constant velocity v=0.8 vcr for the adjustment function – the minimum of the standard deviation of deflection functions in the middle span of the bridge’s beam σ[w].

The optimal parameter κai=ωai/ωs of two absorbers for two different directions of traffic moving with the constant velocity v=0.8 vcr for the adjustment function – the minimum of the standard deviation of deflection functions in the middle span of the bridge’s beam σ[w].

The adjustment function – the minimum of standard deviation of the deflection functions in the middle span of the bridge’s beam σ[w].
Similar results were obtained for forces moving at a constant velocity equal to the critical speed for this bridge.
Figures 6–13 show the results for 300 generations. It was determined that there is too poor convergence for the adjustment functions with regards to the expected value of deflection functions in the middle span of the bridge beam, but this convergence was sufficient for the standard deviation. Three hundred generations are also sufficient for analyzing results for a single absorber, regardless of the adjustment function.
The effectiveness of using two absorbers instead of one absorber while maintaining the same active mass in the absorbers was analyzed (ΣMai=const). When one absorber was analyzed, its mass was 10% of the total mass, and in the case of two absorbers, each had a mass equal to 5% of the total mass. The velocity was expressed by the critical speed of the passage of the force, and it ranged from 70% to 240% of the critical speed. The results are shown in Figure 12, where the ratio of the response (standard deviation of the mid-beam deflection) obtained for two absorbers (σ2) to the response obtained when using one absorber (σ1) is shown. It can be seen that the use of two absorbers (when compared to one) reduces the magnitude of the standard deviation by more than 30%.

Comparison of the system’s response when applying one and two absorbers for different velocity v=0.7 ÷2.4 vcr for the adjustment function – the minimum of the standard deviation.
Figure 13 shows the location of a single absorber (green line) or two absorbers (blue and red lines) with regards to the speed of the passage of the force through the beam. The asymmetry of the attachment of the absorbers can be seen – in the case of a single absorber, the minimum value of the attachment ordinate is 15.18 m, the maximum value is 15.25 m, and the average value is 15.20 m. For two absorbers, the minimum values are 15.22 and 15.23 m, the maximum values are 15.48 and 15.88 m, and the average values are 15.36 and 15.50 m. The results obtained for one absorber are less variable. The standard deviation for the data shown in Figure 13 is 0.016 m and for two absorbers, the values are 0.147 and 0.080 m, respectively.

The optimal position of one or two absorbers xai∈〈0.25L;0.75L〉 for different velocity v=0.7 ÷2.4 vcr for the adjustment function – the minimum of the standard deviation of deflection functions in the middle span of the bridge’s beam σ[w].
It should be noted that there is a qualitative change in the solution for one absorber when compared to the use of two absorbers. If two absorbers are used, the asymmetry of the solution and the degree of tuning of the absorbers increases. The mounting points of the absorbers are shifted behind half of the beam in the direction of the force’s movement. For one absorber, the average kappa tuning parameter (κai=ωai/ωs) is 0.78, and for two absorbers, the values are 0.82 and 0.90.
The method of verifying calculations, which is described in Section 3, allows for the assessment of the results shown in Figures 9 and 10 as being close to optimal (when using heuristic methods, e.g., evolutionary methods, we are never sure about the optimality of the results). In turn, the results shown in Figures 6 and 7 can be evaluated as being unsatisfactory and require further calculations (e.g., by increasing the number of generations). It is worth noting that the adjustment function in Figures 9 and 10 aims to minimize the value of the standard deviation of the deflection function in the middle span of the bridge’s beam σ[w]. In Figures 6 and 7, the adjustment function aims to minimize the expected value of the deflection function in the middle span of the bridge’s beam E[w]. The conducted analysis confirms the previous conclusion [37] that for optimizing the absorber, the variance is better than the expected value of deflection functions in the middle span of the bridge’s beam.
Weber & Feltrin [40] presented the following disadvantages of TMDs: (a) the mass requirements are significant when compared to the total mass of the structure and (b) environmental factors and uncertainty in material behavior can lead to gradual upsetting of the system, resulting in a loss of its damping properties and effectiveness.
Based on the optimization criteria presented in previous papers [30, 37, 38] (minimization of the expected value and variance), the optimal parameters of one absorber with regards to its use are: μa=Ma/mL∈〈5%;15%〉 and κa=ωa/ωs∈〈0.5;2.5〉, whereas the optimal place of installing the absorber is xaiϵ〈0.4L;0.6L〉. For this reason, attention was focused on two absorbers that are characterized by having a constant parameter μa1=μa2=0.05 and a variable parameter κa1=κa1∈〈0.5;2.5〉, as well as a different location along the length of the beam (within xaiϵ〈0.25L;0.75L〉). It was determined that the variance of deflection of the center of the bridge’s beam should be taken into account when optimizing the absorber – the smaller the variance, the better the tuned absorber.
The analyzed absorbers’ location along the length of the bridge’s beam has confirmed earlier findings. It was found that the optimal location for each of the two absorbers is slightly asymmetric and within the range of xaiϵ〈0.45L,0.58L〉. However, in the case of a single absorber, its optimal location is also asymmetric and within the range of xaϵ〈0.49L,0.59L〉. A result consistent with the study of Samani & Pellicano [25] was obtained: the optimal location for the nonlinear damper is at the location of the absolute maximum deflection of the beam (d=0.53L), and for the linear damper, it is at d=0.55L.
In practice, an absorber with a frequency similar to the structure’s frequency (κ≈1) is most often used. The performed analysis shows that the optimal parameter κai is equal to 0.95 for both absorbers. The optimal range is κaiϵ〈0.74;1.02〉 for a set of two absorbers and κaiϵ〈0.87;1.13〉 for a single device.
The obtained results confirm the validity of the use of natural calculation when solving optimization problems in civil engineering. Moreover, the idea of checking the correctness of calculations by using the symmetry of the system was confirmed by the achieved results.
The attenuation efficiency of two absorbers is higher than that of a single absorber. Moreover, the parameters (κai, xai) of each of the two absorbers are significantly different from those of a single absorber. This result indicates the need for further research, especially if one takes into account the presence of two force streams (forces coming from the right and left).
The results presented in this paper confirm a certain asymmetry in the optimal positioning of absorbers. The next stage of the study will involve the optimization of absorbers loaded with a force stream that travels simultaneously from the left to the right and from the right to the left side of a bridge beam. The possibility of using “double” or “multiple” absorbers, that is, absorbers with two or more degrees of freedom, is also an issue that requires further research.