Figure 1

Figure 2

Figure 3

Figure 4

Figure 5

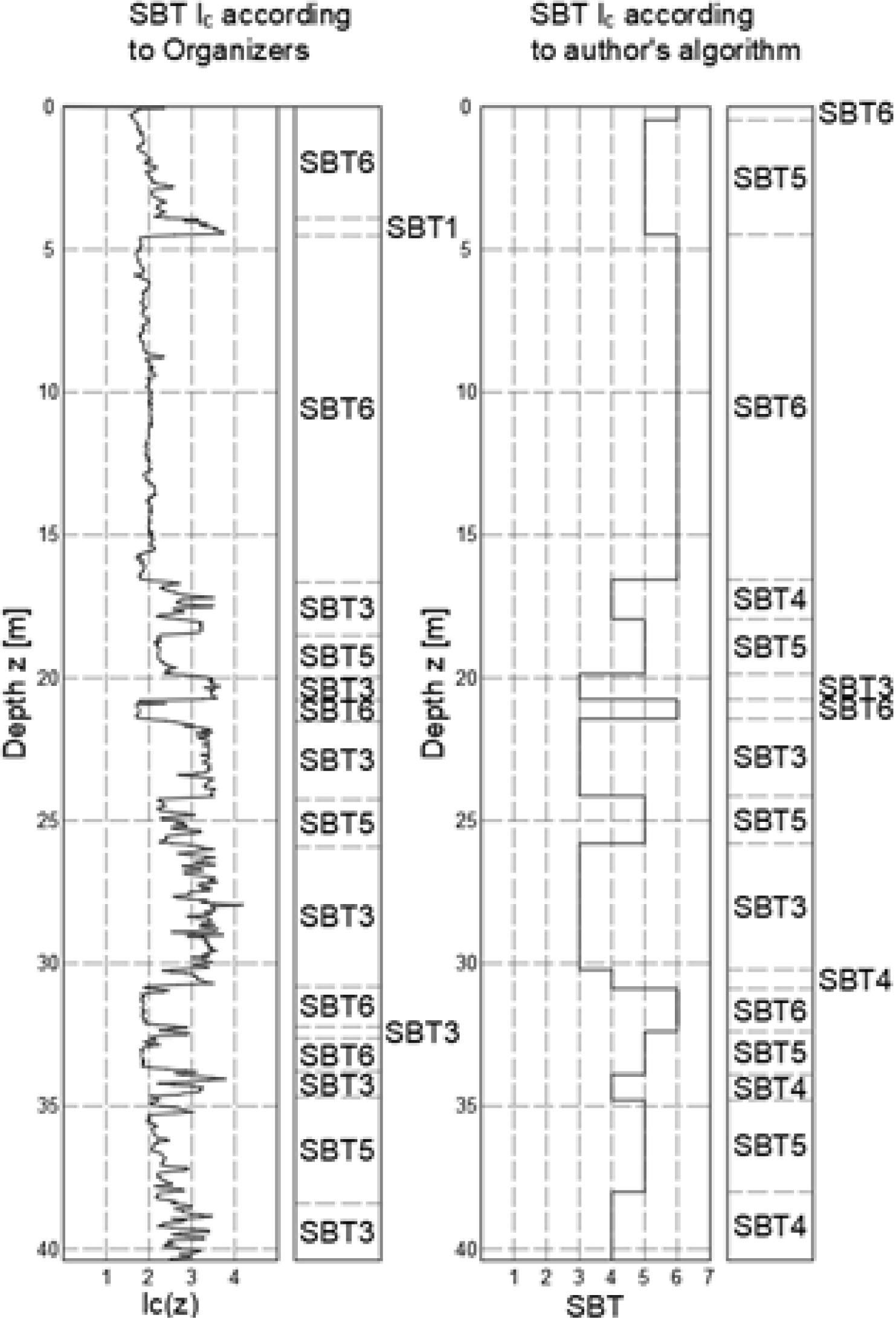
Figure 6

Figure 7

Figure 8

Figure 9

Figure 10

Figure 11

Numbers of subdivisions and corresponding Soil Behaviour Types[11]
| SBT | Soil behaviour type |
|---|---|
| 1 | Sensitive, fine grained |
| 2 | Organic soils: peats |
| 3 | Clays: silty clay to clay |
| 4 | Silt mixtures: clayey silt to silty clay |
| 5 | Sand mixtures: silty sand to sandy silt |
| 6 | Sand: clean sand to silty sand |
| 7 | Gravelly sand to dense sand |
| 8 | Very stiff sand to clayey sand |
| 9 | Very stiff, fine grained |
SBT index classification proposed by Robertson and Wride[8]
| Classification | Soil behaviour type | Soil behaviour type index Ic |
|---|---|---|
| SBT2 | Organic soils: peats | Ic > 3.60 |
| SBT3 | Clays: silty clay to clay | 2.95 ≤ Ic < 3.60 |
| SBT4 | Silt mixtures: clayey silt to silty clay | 2.60 ≤ Ic < 2.95 |
| SBT5 | Sand mixtures: silty sand to sandy silt | 2.05 ≤ Ic < =2.60 |
| SBT6 | Sand: clean sand to silty sand | 1.31 ≤ Ic < =2.05 |
| SBT7 | Gravelly sand to dense sand | Ic < 1.31 |
Numbers of subdivisions and corresponding Soil Behaviour Types[7]
| SBT | Soil Behaviour Type |
|---|---|
| 1 | Sensitive fine grained |
| 2 | Organic material |
| 3 | Clay |
| 4 | Silty clay to clay |
| 5 | Clayey silt to silty clay |
| 6 | Sandy silt to clayey silt |
| 7 | Silty sand to sandy silt |
| 8 | Sand to silty sand |
| 9 | Sand |
| 10 | Gravelly sand to sand |
| 11 | Very stiff fine grained |
| 12 | Sand to clayey sand |