When humans try to grasp an object, they do not need to know the parameters (like mass) of the object. They just control the force of the hand which ensures the object will not fall by human ‘feeling’. For the robot hand, the slip sensors which fix on the fingertips could give the feedback (it is like human’s feeling) to the CPU which could control the force of the robot hand [1]. In a sense, the slip sensor is a kind of the force sensor, because the feedback of the slip sensor is related to the force which puts on the surface of slip sensor. Only different is the slip sensor focuses on the force changing between the object slipping and not slipping.
There are many kinds of methods to build a slip sensor or a force sensor, which bases different theories. At the beginning, Luo used piezoresistive strain gauge on the robot links to detect the force and this was used in this field for a long time. However, this structure was a little complex comparing the new ways [2]. Cristina Cristalli and Michael R Neuman designed a kind of force sensor by changing the capacitance in dielectric structure[3].They used this sensor to measure the blood pressure and gain a good ratio between the input and output. However, in the experiment, they also found that the ratio between the input and output would change a little when they used the same way to build a same standard sensor. The reason is the different stray capacitances in the environment. Piezoresistive is very popular in industry and research field because of low cost, small and light-weight. However, piezoresistive exists low repeatability and large hysteresis, which will cause the low accuracy. L.Paredes-Madrid group improved the accuracy of piezoresistive by modeling the capacitance. Nevertheless, they still needed to consider how to reduce the force estimation errors [4]. Lorenzo Jamone and his group designed a kind of tactile sensor that based on the hall-effect theory. This sensor detected the changing of the magnetic field when the force pushed on the sensor to give a feedback to control. After the experiment, they found this kind of sensor had high sensitivity, low hysteresis, and good repeatability, but the experiment just tested the force on normal component [5].
Samir Boukhenous and Mokhtar Attari also used the Hall-effect theory to produce a pinch grip sensor, which had a good response to input and output. However, the experiment also focused on the normal direction [6]. Darko Belavic and his group completed an experiment about the low energy consumption of different types of pressure sensors which included the piezoelectric sensor. This piezoelectric sensor was based on the performances of the ferroelectric thick films, which could transform the pressure into shifted resonant frequency of diaphragm which could be regarded as an output signal. They concluded that the piezoelectric resonant sensor was suitable for low energy consumption and the energy consumption was mainly dependent on materials and structures, but it was not sample work to reduce consumption because of complete relationships between every component in sensor [7]. Shouhei Shirafuji and Koh Hosoda developed a robot hand which combined the strain gauge sensor and piezoelectric polyvingylidenefluoride (PVDF) sensor to measure stresses and detect slipping. The PVDF sensor could detect the variations of the force which was caused by the slipping of the object. However, the PVDF sensor needed the high reactive ability and high resolution to detect the slipping [8]. A. Persichetti, F. Vecchi and M. C. Carrozza, presented a contact sensor using optical theory, which based on detecting the changes of the light beams intensity. Figure 1 showed the structure of this kind of sensor, which included a soft silicone cover, a receiver (a phototransistor) and a transmitter (an infrared photodiode). When the force pressured on the cover, the intensity of the light which reflects the receiver will change. Therefore, this sensor has high sensitivity, fast response and could enhance the immunity to noise by adjusting the light intensity from the transmitter [9].

The structure of the optical sensor
For this paper, the participant will utilize the optical theory to build a cheap, simple and low consumption slip sensor. Because the photodiode needs to emit high intensity light, the optical sensor will cost high consumption compared with other sensors [10]. Therefore, the participant tried to find a good material which could reduce the loss during reflecting, which could reduce the requirement of the light intensity which is emitted by the photodiode. This could reduce the consumption. For obtaining a good response, the participant also chooses suitable resistors to get large amplifier gain. Comparing with an optical sensor which is built by A. Persichetti and his friends [9], the most different in this paper is the participant use cast Perspex acrylic sheet to replace silicone (showing figure 1) as the cover. Because the cast Perspex acrylic sheet is harder than silicone, this replacement could increase the robustness of the sensor. However, this also means the slip sensor may sacrifice some sensitivity.
The purpose of the experiment is to produce a cheap, simple and low consumption slip sensor. Therefore, the experiment could be divided into two parts, the first part is to build the slip sensor and the second part is to test the slip sensor as figure 2.

The slip sensor with resistors
The slip sensor includes three parts, cover, optical sensor and adapter board. Figure 3 shows the slip sensor. Therefore, first step, the participant needs to choose a suitable optical sensor.

The slip sensor
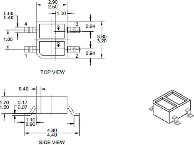
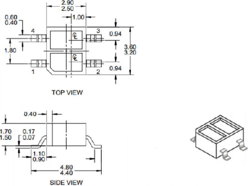
The QRE1113RG-Minature Reflective Object Sensor is used as the optical sensor because it is mini. As Figure 4 showing, the photodiode (transmitter) which is between the pin 1 and pin 2 emits the light and the phototransistor (receiver) which will receive the reflected light from the cover is fixed between pin 3 and pin 4 [11].

The structure of the QRE1113RG sensor
Second step, the participant needs to produce a suitable cover. The cover is made by the 1mm thickness clear cast Perspex acrylic sheet. There are some advantages to using this material. Firstly, the weight is light. Secondly, the cost of the material is low. Thirdly, it is easy to build which just needs a laser cutter. Fourthly, the cast Perspex acrylic sheet has high tensile strength and rigidity, so it could protect the optical sensor which is under the cover. Fifthly, the clear Perspex acrylic could transmit 92% of the visible light, which is simple to the participant to change the color of the cover and detect the influence of the color of the cover [12]. Figure 5 shows the blueprint of the cover. Figure 6 shows the cover after gluing.

The cover’s blueprint

Cover
Third step, solder the optical sensor on the adapter board as the figure 7.

The optical sensor with adaptor

The circuit’s schematic structure
Fourth step, choose the suitable resistors to build the circuit. Figure 8 shows the equivalent circuit diagram. RF is used to keep the photodiode (transmitter) working in the ideal voltage range. RC is to amplify the voltage signal. According to the specification of the QRE1113RG, the participant assumes IF =0.028A, which could ensure the photodiode work well at room temperature.

Forward current VS Forward Voltage
From figure 9, the forward voltage (VF ) should be about 1.33V. According equation 1,RF=168Ω.
Because the participant wants to get the largest reflection light from the cover, the participant puts a white thin paper on the top of the cover during the test. The distance between the top surface of the cover and the top surface of the optical sensor is about 2mm. According to the figure 10, it could easy find that the real collector current IC is 0.45 which is half of collector current at distance 1mm.

Normalized Collector Current VS Distance between
When IF =0.028A and distance is 1mm, the collector current is around 1.08mA in according specification, so the real collector current IC is0.54mA. Assume the collector-emitter voltage (VCE) is 3.3V which could get larger gain. Using the equation 2 gets the collector resistor (RC= 5000Ω).
These devices were applied in the experiment. EL 155R Power Supply (6V and 0.028A);Amprobe 30XR-A multimeter; Compression testing machine;MDO4054B-3 Mixed Domain Oscilloscope;HMC 8012 digital Multimeter. Figure 11 shows the schematic during testing.

The assembly schematic
First step, the participant put a white paper on the cover to detect the relationship between the force and voltage. Because the output voltage was more than 2V which is exceed the range of the Amprobe 30XR-A multimeter, the second power supply gave 1V reverse voltage as the offset voltage. Second step, the participant put a weight (1 N) on Compression testing machine and recorded the voltage. Third step, repeated step 2 until there were six weights (6N) on the machine. Fourth step, took the weight (1N) one by one from the machine and recorded the voltage after each operation. After these steps, one group of data was completed. To obtain stable data, the participant repeated five times of these steps and got five groups of data.
Next, the participant changed the color of the cover into gray, which just put nothing between the probe and cover, because the probe is in gray. Then, used the same way to get five groups of data. The output voltage is not more than 2V, so the offset voltage does not need. The second power supply is 0V.
Figure 12 and figure 13, show the relationship between the output voltage and force using white cover. The trend line in each figure could quantize the relationship between the output and input. The R-square shows on each figure mean the reliability of the trend line. When the value is more near the 1, the points should more near the trend line. Usually, when the value is larger than 0.75, the trend line could predict the relationship between the input and output. In each of figure 12 and figure 13, the R-square is larger than 0.98, which means the trend line has high predictability. From these two figures, it is easy to find that the coefficients of these two trend lines are close. Therefore, the sensor has low hysteresis and high repeatability in white color. The offset voltage is around 2.77V, which is a little high. The reason is that the white color reflects almost light which enhances the power that phototransistor received.

Meaning of Voltage Vs Force when force is increasing

Meaning of Voltage Vs Force when force is reducing
Figure 14 and figure 15 show the relationship between the output voltage and force using gray cover. However, it is easy to find that the R-square in these two figures is much lower than figure 12 and figure 13. The reason is that the features of the optical sensor between collector current and distance getting from the specification are based on the white paper. All assumes are also based on that condition, using white paper (90% reflective). Therefore, the accuracy of the trend line is low during using gray cover. However, the gain using gray cover (around 0.01) is two times than the gain using white cover (around 0.005). The participant speculates one of group data in figure 14 and 15 is not reliable. From the figure 14 and figure 15, the max output points are much higher than average output points, because one group of the value is much higher than others. This may be caused by hysteresis. Nevertheless, to ensure the authenticity of the experiment. The participant still recorded this group of value.

Meaning of Voltage Vs Force when force is increasing

Meaning of Voltage Vs Force when force is reducing
During the experiment, the participant used a cheap and simple way to build a slip sensor. The participant also found that white cover of the sensor has high repeatability, low hysteresis, and high predictability. However, the gray cover of the sensor has low repeatability and low accuracy. Comparing with other slip sensors which use the optical theory, this slip sensor has high robustness.
In the test, the participant used static state way to test the feature of the slip sensor, which could obtain the quantized function information between input and output. However, in the future work, the participant could improve the experiment from these two aspects. First one, the participant should try to detect the response of slip sensor in the dynamic state which means the object is slipping on the sensor. Second one, the participant should design a black box to control the external light. This could help the participant understand the influence of the light in the environment to the sensor cover and find a high resistance of cover to the external light.