With the depletion of traditional energy sources, the new energy power generation system with microgrid as the carrier has been developed rapidly because of its flexible, decentralized, small, close to users and the use of clean energy. Due to the energy structure of the micro grid mainly clean energy such as wind power, photovoltaic power generation, the distributed energy will generally need electricity to the grid through power electronic converter device to realize grid connected. Therefore, a lot of power electronic devices access to power grid harmonics, caused the converter power factor lower and parallel resonant circuit or series resonance, decrease active reactive power measurement accuracy, reduce the quality of power supply a series of problems, give the user the safe and security, economic operation of power system brings great harm. so harmonic suppression is very important.
Current research of harmonic suppression methods, mainly has: the harmonic suppression method based on active filter [1] [2] [3]; the micro-grid harmonic suppression based on virtual impedance [4]; LCL type Grid-connected inverter harmonic suppression [5] [6] [7] [8] and so on. Compared to L-filter, LCL-type filter has a third-order low-pass filter characteristics, (LCL filter with third order low pass filter properties), so for the same harmonic standard and lower switching frequency, we can use a relatively small filter inductor design, effectively reduce the system size(volume) and reduce losses, but the same will bring resonance problems. In this paper, a harmonic control strategy of micro-grid inverter based on PI control, multi-resonance control and LCL constant power control is proposed, which is used in the process of grid-connected control of micro-grid inverter to further reduce and net voltage of the total harmonic distortion rate, get better power of the grid.
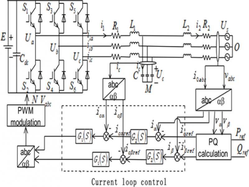
Figure 1 is LCL multi-resonant constant power grid control system block diagram. Where Pref Qref are the actual active and reactive power reference values, vabc, iabc are the actual values of the grid voltage and current, vd, vq and iqref are the voltage components of the dq axis, idref and iqref are the capacitor current reference Value, icd, icq, icdref, icqref are the capacitance current detection value on the dq axis components and capacitance current reference value.
The figure includes PQ control module, current loop multi-resonance control module, and PWM modulation module etc. Micro-network inverter grid output voltage Vabc and current detection values ioabc, after αβ coordinate transformation to get vα, vβ and iα, iβ, will be sent to the PQ controller; PQ controller according the active and reactive setpoint Pref and Qref to calculate the current reference valuesiαref andiβref and then compare with the current detection value of the αβ components iα and iβ. And after the ratio multi-resonant regulator G2(S) in the current loop control module, the reference values icαref, icβref of the capacitive current are obtained, then compared with the capacitance current detection value αβ component icα and icβ. And then adjusted by the proportional regulator G_1 (S), the control PWM circuit drives the inverter, so that the inverter output active power and reactive power constant. In order to meet the requirements of system stability, the current loop control module in Figure 1 solves the resonance problem caused by LCL, and achieves the purpose of suppressing low frequency harmonics and improves the system accuracy.

Principle block diagram of multi resonance LCL harmonic suppression strategy
Figure 1 constitutes a third-order LCL-type filter, where L1 is the inductance, R1 is its internal resistance and the equivalent resistance between the upper and lower legs of each phase, R2 is the internal resistance of L2. In the case of three-phase grid voltage symmetry, the mathematical model is as follows:
Where Sk is the switching function of the power switching device, when Sk = 0, the upper arm is turned on and the lower arm is turned off; When Sk = 1, the upper arm off, the lower arm conduction. Corresponding to the relationship between α and β stationary coordinate system is as follows:
i1α, i1β, i2α, i2β are the α and β components of the input and output currents in the αβ coordinate system; icα, icβ, ucα, ucβ are the α and β components of the capacitive current and voltage in the αβ coordinate system; eα and eβ are the α and β components of the grid voltage in the αβ coordinate system.
LCL-type filter in the better suppression of high-frequency harmonics at the same time, because of its own structure for a third-order system, easy to produce resonance, the frequency near the narrow band and too high gain, will lead to the system and the load Parameter changes are very sensitive, affecting the stability of the system to bring a series of impact and harm to the grid. In order to reduce its sensitivity and high gain characteristics, to achieve the AC signal without static tracking, this paper on the basis of the use of active damping introduced into the capacitor current loop regulation to suppress high frequency interference, and the external loop current using proportional resonance control, Constructs a transfer function that performs AC compensation on the reference input signal. So that in a specific bandwidth in the same frequency response characteristics, to meet the system stability requirements, so that the output at the resonant frequency at high gain, the other frequency segment attenuation. Thus reducing the resonance, improve the stability of the system and control accuracy.
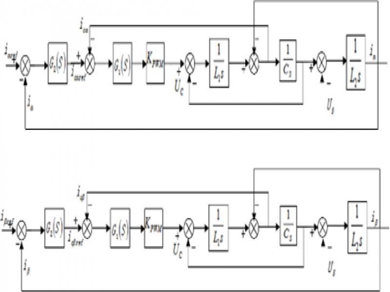
The control block diagram is showas follows:

Block diagram of current loop control
As shown in Figure 2 where G2(S) selected proportional resonance regulator, G1(S) selected proportional regulator. After the current is transformed by the coordinate, the voltage and current vα, vβ and iα, iβ in the two stationary coordinates are obtained and sent to the PQ calculation module to obtain the reference current iαref, iβref, and then compared with iα and iβ obtained the deviation by the proportionmulti-resonant regulator G1(S) in the current loop control module, get the capacitor current reference value icαref and icβref, And it is compared with the capacitance current detection value αβ component icα and icβ, after adjusting the proportional regulator G2(S), then control PWM circuit drives the inverter, so that the inverter output active power and reactive power constant.
Since the PR regulator is equivalent to the PI modulator in the stationary coordinate system under the αβ coordinate, the PR regulator can also be used to design the PI regulator parameter. Figure 2 in the parallel current and reference current deviation, through the multi-resonant control get the capacitor current reference value icref, icref and the actual capacitance of the current deviation, and then through the proportional control, the resulting signal through the PWM modulation to achieve active damping control. The use of a proportional feedback control of the capacitor current, stabilize the capacitor voltage, and enhance the stability of the system. The parallel current and capacitive current transfer functions are as follows:
The corresponding characteristic equation is:
According to the Rouse stability criterion, the system stability condition is calculated as:
According to the stability criterion (formula 9) to set the parameters, so that when the grid to reach a stable state.
A single PR regulator generates an infinite gain at a specific frequency. In order to ensure its stability and easy to achieve, using the approximate structure; its transfer function is as follows:The transfer function is as follows:
Where Kp is the scale factor, wc is the frequency adjustment coefficient, Khis the resonance coefficient, and wh is the resonant frequency.
In order to achieve the 5,7,11 harmonic current compensation need to re-connect three resonant controller.
The transfer function of the current inner loop multi-resonance controller is:
The minimum value of the resonant frequency in the LCL grid-connected inverter is:
Then the minimum value of K is:
In order to ensure the stability of the control system, the cutoff frequency should be chosen to be less than so the KP in the multi-resonance PR control can be approximated by the cutoff frequency fc:
According to the scope of K and the specific control requirements, through the control system open-loop baud diagram for parameter adjustment.
Based on the detailed analysis of the principle of multi-resonance constant power control, the simulation results of the mathematical model are as follows

DC side voltage control after active, no power waveform
As shown above, the active and reactive power of the output after LCL multi-resonant constant power control is constant, which ensures the stable operation of the system.

By LCL multi-resonant constant power control before and after the voltage waveform
From Fig. 4, we can find that the voltage and current waveforms before the LCL multi-resonant constant power control are unstable and distorted. After the control of the voltage and current waveform is improved, harmonic suppression effect is obvious.

By LCL multi-resonant constant power control before and after the current waveform
From the above figure can be found by the LCL multi-resonant constant power control after the current waveform has improved.
In order to analyze the filtering effect by LCL multiresolution constant power control, the voltage distortion rate, the total voltage distortion rate and the current distortion rate of the respective voltage waveforms before and after the control are summarized as shown in Table 1 and 2 respectively.
LCL MULTI-RESONANT CONSTANT POWER GRID-CONNECTED CONTROL BEFORE AND AFTER THE VOLTAGE HARMONIC CONTENT
| Voltage distortion rate | current distortion rate | |
|---|---|---|
| Before filtering | 76.03% | 15.23% |
| After filtering | 0.12% | 0.02% |
LCL MULTI-RESONANT CONSTANT POWER CONTROL BEFORE AND AFTER THE VOLTAGE AND CURRENT DISTORTION
| Number of harmonics | 5 | 7 | 11 |
| Before filtering | 2.86% | 0.93% | 0.98% |
| After filtering | 0.08% | 0.04% | 0.01% |
From Table 1, it can be found that the contents of the harmonics before the filtering are reduced and have an inhibitory effect.
Table 2 can be seen by LCL multi-resonant constant power control filter before the voltage distortion rate of 76.03%, a phase current distortion rate of 15.23%, filtered voltage distortion rate reduced to 0.12%, the corresponding phase current distortion Small to 0.02 inhibitory effect is obvious.
In this paper, a harmonic suppression strategy for micro-grid inverter combined with LCL constant power control and multi-resonant PI control is proposed for the resonant problem of LCL filter microgrid inverters. It is found that the scheme stabilizes the output power LCL and reduces the total harmonic distortion rate of the grid inverter to 0.12% and the corresponding phase current distortion rate is reduced to 0.02%. The harmonic suppression effect is obvious.