In order to improve the adhesion of the surface paint, it is necessary to sand-blast on the workpiece. During the sand-blasting process, pellet need to be recycled for the purpose of cost reduction [1-2]. At present, pneumatic recycling system [3] and mechanical recycling system [4-5] are widely used in our country for pellet recycle. However, problems such as high cost, vulnerability and maintenance difficulty still exist. Therefore, it is overwhelming important to design a recycle system for pellet of low cost, resistance to breakdown and easy maintenance.
Scraper-typed pellet recycle system [6] designed by this design is mainly composed of 2 rod, 3 scraper, 5 cylinder, 6 pellet-collect container and so on. As shown in Figure 1, 1 is trench, 4 is air rod and 7 is pellet material. The air rod is fixedly connected with the pull rod. Numerous scrapers with the same structure are fixedly connected with the pull rod. The scraper has the function of one-way reversing. When the air rod is retracted, the scraper will move the pellet material to the material collecting container. When the air rod is stretched out, the scraper will flip without pushing pellet, so that pellet will achieve a cycle of directional movement. By installing pneumatic valve on the cylinder, air rod speed can be adjusted.
Figure 1.
Scraper pellet recycle system

The core component of the material recycle system is the scraper. For the scraper system designed in this design as shown in Fig. 2, Fig. 3, Fig. 4, Fig. 5, 1 is trench, 7 is the pellet material. The physical map is shown in Figure 3-4. Scraper system is mainly composed of 2 bearing mounting plates, 3 scraper frame, 4 vertical bearing, 5 lateral bearing, 6 scraper, 8 baffle, 9 bayonet and 10 scraper cylinder as shown in Figure 3-1 and Figure 3-2. Scraper and scraper cylinder are in dynamic connection, with functions such as one-way flip and reverse scraping. The basic scraper structure is trapezoidal. The role of bayonet is to constrain the freedom for scraper up and down. The surface of the scraper frame is fixedly connected with the scraper cylinder and the baffle. Lateral bearing and vertical bearing are cross-typed with functions of guiding and undertaking weight respectively as shown in Figure 3-3. Lateral bearing and vertical bearing are mounted on the bearing mounting plate. Bearing mounting plate is fixedly installed on the inner wall of the trench. One end of the scraper frame is fixedly connected with the air rod. The pneumatic control valves and proximity switch are mounted onto the air cylinder.
Figure 2.
Scraper system

Figure 3.
A-A directional view

Figure 4.
I partial view

Figure 5.
Physical map of trapezoidal scraper

Once the scraper-typed pellet recycle is started, the scraper frame will move the trapezoid scraper forward and backward by scraper cylinder. When the scraper moves forward, the scraper will push the pellet forward due to the pulling force of the air cylinder and the blocking effect of the baffle up on the scraper. When the scraper moves backward, the baffle won’t have blocking effect on the scraper, the scraper rotates around the scraper cylinder under the reaction force of the pellet on the ground, it won’t push the pellet material. With such a reciprocating rhyme, directional movement of pellet material can be completed as well as pellet will be collected. Pneumatic valve can adjust the air rod running speed according to the current situation, hence adjust the scraping pellet speed by scraper.
The scraper major components are cylinder, scraper, scraper frame, bearing and so on. It has advantages such as simple structure, low cost, easy dismantlement.
This design uses trapezoidal scraper and make full use of the trench surface to supervise the height of pellet piled in case it affects scraper flip. Its influence is most obvious when the width of trench is small.
The bearings are distant from the ground, which can prevent the accumulation of pellet from damaging the bearings to reduce the maintenance times.
The pneumatic speed control valve is installed onto the cylinder so the scraper speed can be reduced when there are fewer pellet, which can reduce scraper loss.
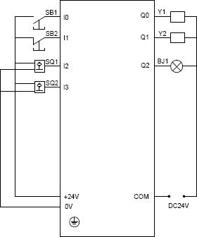
According to requirements of the system, this design uses Siemens S7-200 PLC to control the scraper. This product is cheap, powerful with great practicality. PLC I/O allocation table is shown in Table 1. Its external wiring diagram is shown in Fig 6. Proximate to the switch, PLC detects the position of the air rod and controls direction change of the cylinder through solenoid valve. When the air rod fails to change direction, the PLC will stop and give alarms [7-8].
TABLE I.
PLC I/O ALLOCATION

Figure 6.
Schema of electrical control

In this design, trapezoidal scraper and the original mechanical screw conveyor pellet recycling efficiencies are compared. The same amount of pellet are placed in two ditches. With both systems under the best operating efficiency, statistics of recycle time will be collected according to 5 kg, 10 kg and 15 kg pellet. The result is shown in Table 2.
TABLE II.
PELLET RECOVERY TIME

Data show that under the same condition, the time required to complete the 5 kg, 10 kg, 15 kg recycle by trapezoidal scraper is significantly less than that of the mechanical screw conveyor thus prove that the trapezoidal scraper pellet recycle system efficiency is much higher.
Scraped pellet recycle system is proposed in this design. It uses Siemens S7-200 PLC as the controller and it’s core component is the trapezoidal scraper whose advantages are simple structure, resistance to breakdown and easy dismantlement. With comparison of experiments, it shows high efficiency in recycling pellet. Hence it is worthwhile of popularization.