II – VI based semiconductors are found to be excellent materials for electronics, photonics and spintronics applications. Zinc oxide has large direct band gap (3.37 eV) and exciton binding energies (60 meV) at room temperature. It is cost effective and environmentally safe also [1–5]. Possible applications of ZnO films are in UV lasers and blue luminescent devices, photo detectors, photoelectronic devices, etc. ZnO is also considered as a host material for diluted magnetic semiconductors obtained by doping transition metals. Fe doped ZnO films are a subject of continuous study as their optical as well as magnetic properties may take a sudden turn depending heavily on the method of deposition [6–9]. Wang et al. [8] reported a decrease of 86 meV in optical band gap in Fe doped films prepared by magnetron sputtering. Kim et al. [9] reported a decrease in optical band gap of Zn1-xFexO films grown on Al2O3 (0 0 1) by radiofrequency sputtering. Chen et al., Rambu et al. and Alver et al. [10–12] also reported a decrease in optical band gap, of 500 meV, 190 meV and 340 meV, in the films prepared by RF sputtering, spin coating and spray pyrolysis, respectively. An increase of 18 meV in optical band gap of Fe doped films prepared by sol-gel spin coating method was reported by Xu et al. [13]. Parra-Polomino et al. [14] also reported an increase, of 340 meV, in optical band gap of iron doped nanocrystals prepared by chemical route. n-type semiconducting metal oxides can also be used for gas sensing as they were able to exhibit variation in some electrical parameters, viz. resistance and capacitance of the film upon adsorption of gases. Also, metal oxides are stable at elevated temperatures in air [15]. There are several methods for producing ZnO based films e.g. chemical vapor deposition, thermal evaporation, successive ionic layer absorption and reaction, magnetron sputtering, pulsed laser deposition, laser chemical vapor deposition, sol-gel, spray pyrolysis, screen printing, etc. [1, 3, 16–22]. Spray pyrolysis is a non-vacuum process that produces good quality films. In this paper structural, optical and morphological properties of undoped and Fe doped ZnO thin films prepared by spray pyrolysis along with CO2 sensing have been presented.
The precursor for undoped films was prepared from 0.10 M and 0.15 M solutions of zinc nitrate (99.9 % purity, S D Fine-Chem, Ltd.) in deionized water. The mixture was magnetically stirred at 60 °C for 30 min to get a homogeneous solution. 1 at.%, 2 at.% and 3 at.% iron doping was achieved by dissolving 5.5 mg, 11.0 mg and 16.5 mg of ferric chloride each in 10 mL of 0.1 M and 0.15 M zinc nitrate-deionized water solution. These solutions were again stirred for 30 minutes and then aged for 15 days to achieve stability. For deposition of thin film 10 mL of the precursor solution of each sample, one at a time, was transferred to a container. The distance between the nozzle and the substrate was set at 20 cm and the flow rate at 1.0 mL/min. The substrate temperature was maintained at 400 °C to facilitate thermal decomposition of zinc nitrate and good quality of the films [20]. Post deposition annealing of the films was done at 400 °C for 30 minutes. The eight samples: undoped ZnO, ZnO:1 at.% Fe , ZnO:2 at.% Fe and ZnO:3 at.% Fe obtained using 0.1 M and 0.15 M precursor solutions were named as samples Z1, Z1F1, Z1F2 and Z1F3 as well as Z2, Z2F1, Z2F2 and Z2F3, respectively.
The crystal phase and crystallinity of the samples has been investigated using an X-ray diffractometer (Bruker D8 Advance X-ray diffractometer) for 2θ values ranging from 20° to 80° using CuKα radiation (λ = 0.154 nm). Transmittance spectra have been recorded using a UV-Vis spectrophotometer (Model No. 108 Systronics). Surface morphology was obtained using FE-SEM (Model-ZEISS). Thickness of the films was measured by XP-1 stylus profiler (Ambios Technology). CO2 gas sensing was done using indigenously built set-up described in the literature [20].
XRD patterns of undoped and iron doped ZnO thin films o btained u sing p recursor s olution of the molarities of 0.1 M and 0.15 M deposited on duly cleaned glass substrates indicate polycrystalline nature as shown in Fig. 1 and Fig. 2. All the films have a hexagonal wurtzite structure with major diffraction peaks along (1 0 0), (0 0 2) and (1 0 1) planes [1, 3, 16, 21]. No impurity peak relating to iron is found. The peak along c-axis, i.e. (0 0 2) plane, occurs at 2θ = 34.50°, 34.40°, 34.50°and 34.50°for samples Z1, Z1F1, Z1F2 and Z1F3, respectively (Fig. 1). For sample Z1F1, 2θ values have shifted towards lower angles. For sample Z1F2 and Z1F3 the 2θ values have increased and became equal to that of the undoped ZnO. The XRD intensity along (0 0 2) plane decreased for sample Z1F1 then increased for sample Z1F2 and again decreased for sample Z1F3. Generally, the intensity of Z1 is higher than that of Z1F1, Z1F2 and Z1F3.

XRD patterns of undoped and Fe doped ZnO thin film samples. Here, (a), (b), (c) and (d) correspond to samples Z1, Z1F1, Z1F2 and Z1F3, respectively.

XRD patterns of undoped and Fe doped ZnO thin film samples. Here, (a), (b), (c) and (d) correspond to samples Z2, Z2F1, Z2F2 and Z2F3, respectively.
For samples Z2, Z2F1, Z2F2 and Z2F3 the peaks along (0 0 2) plane occur at 2θ = 34.50°, 34.52°, 34.52°and 34.52°. The 2θ value shifts toward slightly higher angle in sample Z2F1 (Fig. 2).
Huge increment in the intensity of (0 0 2) plane is obtained for sample Z2F1 as compared to sample Z2 but then the intensity decreases monotonically for samples Z2F2 and Z2F3, however, it is still higher than that of undoped sample Z2. Crystallite size along (0 0 2) crystallographic plane as obtained by Debye Scherer formula for all the samples lies between 10 nm to 22 nm and in general, decreases with increasing Fe concentration in ZnO films. Orientation along c-axis, i.e. (0 0 2) plane, is dominant.
The transmission spectra of all samples prepared using precursor solutions of molarity 0.1 M and 0.15 M are shown in Fig. 3 and Fig. 4, respectively. The transmittance of samples Z1, Z1F1, Z1F2 and Z1F3 (Fig. 3) increases gradually up to 85 % over the range of 450 nm to 850 nm. The Z1F1, Z1F2 and Z1F3 samples are more transparent as compared to the undoped sample Z1.

Transmission spectra of undoped and Fe doped ZnO thin film samples. Here, (a), (b), (c) and (d) correspond to samples Z1, Z1F1, Z1F2 and Z1F3, respectively.

Transmission spectra of undoped and Fe doped ZnO thin film samples. Here, (a), (b), (c) and (d) correspond to samples Z2, Z2F1, Z2F2 and Z2F3, respectively.
The transmission spectra of samples Z2, Z2F1, Z2F2 and Z2F3 show similar trend. However, the transmission is found to decrease with an increase in molarity of the precursor solution.
The thickness of all the samples is approximately 1000 nm. The optical band gap of the films, determined from the Tauc plot, was found to be 3.28 eV, 3.20 eV, 3.18 eV and 3.17 eV for the samples Z1, Z1F1, Z1F2 and Z1F3, respectively, (Table 1, Fig. 5).
Variation of optical band gap with Fe dopant concentration.
| Sample | Composition | Optical band gap [eV] |
|---|---|---|
| Z1 | 0.1MZnO | 3.28 |
| Z1F1 | 0.1 M ZnO + 1 % FeCl3 | 3.20 |
| Z1F2 | 0.1 M ZnO + 2 % FeCl3 | 3.18 |
| Z1F2 | 0.1 M ZnO + 3 % FeCl3 | 3.17 |
| Z2 | 0.15M ZnO | 3.20 |
| Z2F1 | 0.15 M ZnO + 1 % FeCl3 | 3.24 |
| Z2F2 | 0.15 M ZnO + 2 % FeCl3 | 3.22 |
| Z2F3 | 0.15 M ZnO + 3 % FeCl3 | 3.21 |
Thus, the optical band gap decreases mono-tonically in Fe doped ZnO samples prepared using precursor solutions of molarity 0.1 M.
The optical band gap for samples Z2, Z2F1, Z2F2 and Z2F3 was found to be 3.20 eV, 3.24 eV, 3.22 eV and 3.21 eV, respectively. For the doped samples the optical band gap first increases for sample Z2F1 and then decreases monotonically for samples Z2F2 and Z2F3 but remains higher than in the undoped sample (Table 1).
The doped films deposited using the precursor solutions of higher molarity (0.15 M) exhibit higher band gaps as compared to those of the films deposited using lower molarity (0.10 M) precursor solutions (Fig. 5). In the literature, a decrease in band gap with an increase in dopant concentration has been reported [8–12] for the films prepared by different methods. In [12], the films were deposited by spray pyrolysis and the decrease in optical band gap was attributed to s-d and p-d hybridization. Previously, Srivastava et al. [1] reported an increment in optical band gap in Fe doped ZnO films of a thickness 500 nm obtained by sol-gel spin coating using precursor solutions of the molarity of 0.1 M. It was concluded that sp hybridization is responsible for this behavior. Other reports in the literature regarding the increase in the band gap of Fe doped ZnO with an increase in dopant concentration, explained it by Burstein Moss effect [13] and quantum confinement [14].

The variation in band gap of undoped and Fe doped ZnO. Here, the black and red lines correspond to the samples prepared using precursor solution of molarity 0.1 M and 0.15 M, respectively.
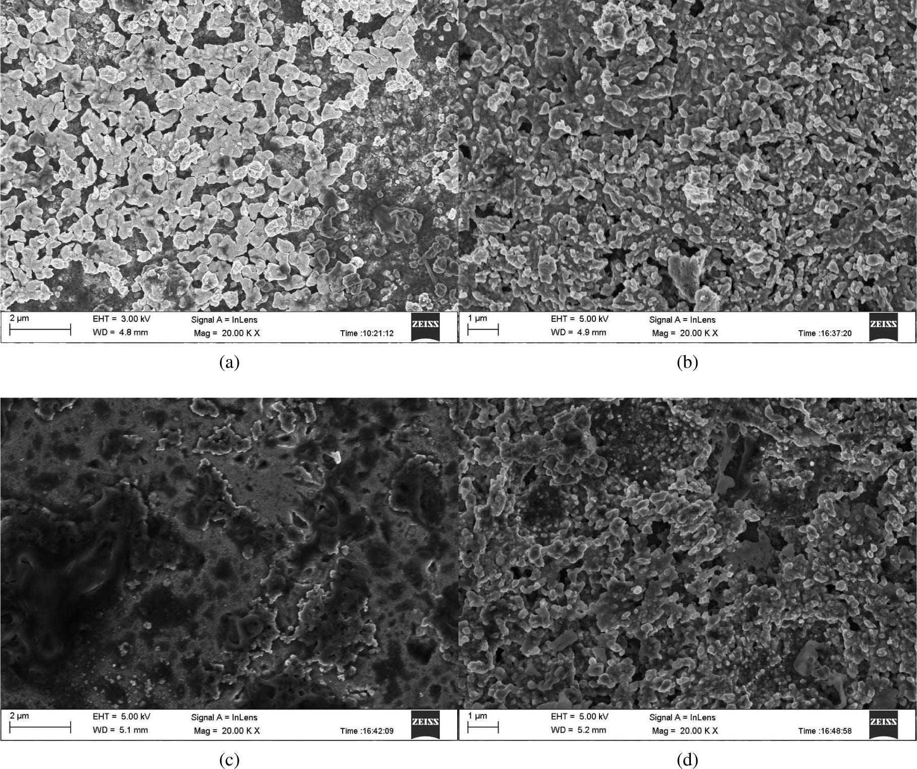
The scanning electron micrographs (SEM) of the four samples corresponding to 0.1 M molarity are shown in Fig. 6. Sample Z1, i.e. undoped ZnO of molarity of 0.1 M, is composed of loose irregular shapes, number of which increases sharply and tends to form flake-like structures as the dopant Fe is introduced in the amount of 1 at.% into ZnO (sample Z1F1). For the sample Z1F2 these flakes almost coalesce and for still higher dopant concentration, i.e. 3 at.% (sample Z1F3) several layers of flake-like structure appear.

SEM of undoped and Fe doped ZnO thin films. Here, (a), (b), (c) and (d) correspond to samples Z1, Z1F1, Z1F2 and Z1F3, respectively.
The sensitivity S of a semiconductor film to a gas is defined as a percentage ratio of the resistance of the sensing film in air (Rair) to the resistance in the presence of the gas (Rgas) at a particular temperature [23], i.e.:
Here, the sensing property of the films was investigated for CO2. The temperature of the films was varied from 200 °C to 450 °C in steps of 50 °C and observations were taken for different concentrations of the analyte gas [24].
Fig. 7 and Fig. 8 show the effect of temperature on the sensitivity of undoped and iron doped ZnO thin films for six different carbon dioxide concentrations, i.e. 500 ppm, 1000 ppm, 2000 ppm, 4000 ppm, 8000 ppm and 16000 ppm. For sample Z1, sensitivity achieves its maximum at 400 °C for all concentrations of CO2 and the sensitivity increases with an increase in the concentration. For sample Z1F1 the maximum sensitivity is at 250 °C for all concentrations of CO2 and the sensitivity decreases with an increase in temperature except slight deviation for 8000 ppm and 16000 ppm concentration whereas for sample Z1F2 the sensitivity first increases, attains the maximum at 300 °C and then decreases with an increase in temperature. For sample Z1F3 the sensitivity is maximum at 200 °C for 500 ppm, 1000 ppm, 4000 ppm and 8000 ppm concentration of CO2. However, high sensitivity is regained at 400 °C (Fig. 7).

Variation of sensitivity of undoped and Fe doped ZnO thin film samples at various CO2 concentrations with temperature. Here, (a), (b), (c) and (d) correspond to samples Z1, Z1F1, Z1F2 and Z1F3, respectively.

Variation of sensitivity of undoped and Fe doped ZnO thin film samples at various CO2 concentrations with temperature. Here, (a), (b), (c) and (d) correspond to samples Z2, Z2F1, Z2F2 and Z2F3, respectively.
For sample Z2 maximum sensitivity occurs at 200 °C except for 2000 ppm concentration. For sample Z2F1, first the sensitivity increases, attains maximum at 250 °C except for 1000 ppm concentration and then decreases with an increase in temperature. For sample Z2F2 the sensitivity first increases, attains maximum at 350 °C except for 2000 ppm and 4000 ppm concentrations of CO2. For sample Z2F3 the sensitivity monotonically decreases for 500 ppm and 1000 ppm whereas for 2000 ppm it increases monotonically with an increase in temperature. Sensitivity is maximum at 400 °C for other concentrations of CO2. In general, it is seen that the sensitivity of the films towards carbon dioxide for all the sample films of both the molarities increases initially and then starts decreasing with an increase in temperature beyond 200 °C.
The analyte carbon dioxide gas interacts with the surface of a metal oxide film, generally through surface adsorbed oxygen ions, which results in a change in charge carrier concentration of the material [25], which alters the conductivity (or resistivity) of the material. An n-type semiconductor is the one where the majority charge carriers are electrons, and upon interaction with a reducing gas an increase in conductivity occurs. However, the change in charge carrier concentration in a sample also depends upon the amount of the adsorbed gas which, in turn, depends on the surface morphology. Thus, the nature of the analyte gas and the surface morphology of the films both affect the resistance, Rgas, of the sample in presence of varying concentrations of the gas.
Nanocrystalline undoped and Fe-doped ZnO films have been successfully deposited by spray pyrolysis method and their structural, optical and gas sensing properties have been investigated. The optical band gap decreased with an increase in Fe dopant concentration for the samples prepared by using precursor solution of the molarity of 0.1 M. Doping with Fe increased the transmission of the films as the dopant concentration was gradually increased for both the molarities (0.1 M and 0.15 M). As the doping increased the flake-like structures started coalescing with each other and finally several layers of the flake-like structure appeared. Response of these films to carbon dioxide has been studied. Undoped ZnO showed maximum sensitivity at 400 °C for higher concentrations of CO2. Most of Fe doped samples showed maximum sensitivity either at 350 °C or below 350 °C for all CO2 concentrations.